电脑桌面
添加小米粒文库到电脑桌面
安装后可以在桌面快捷访问

液化气站规范VIP免费

液化气站规范_第1页
1/7
液化气站规范_第2页
2/7
液化气站规范_第3页
3/7
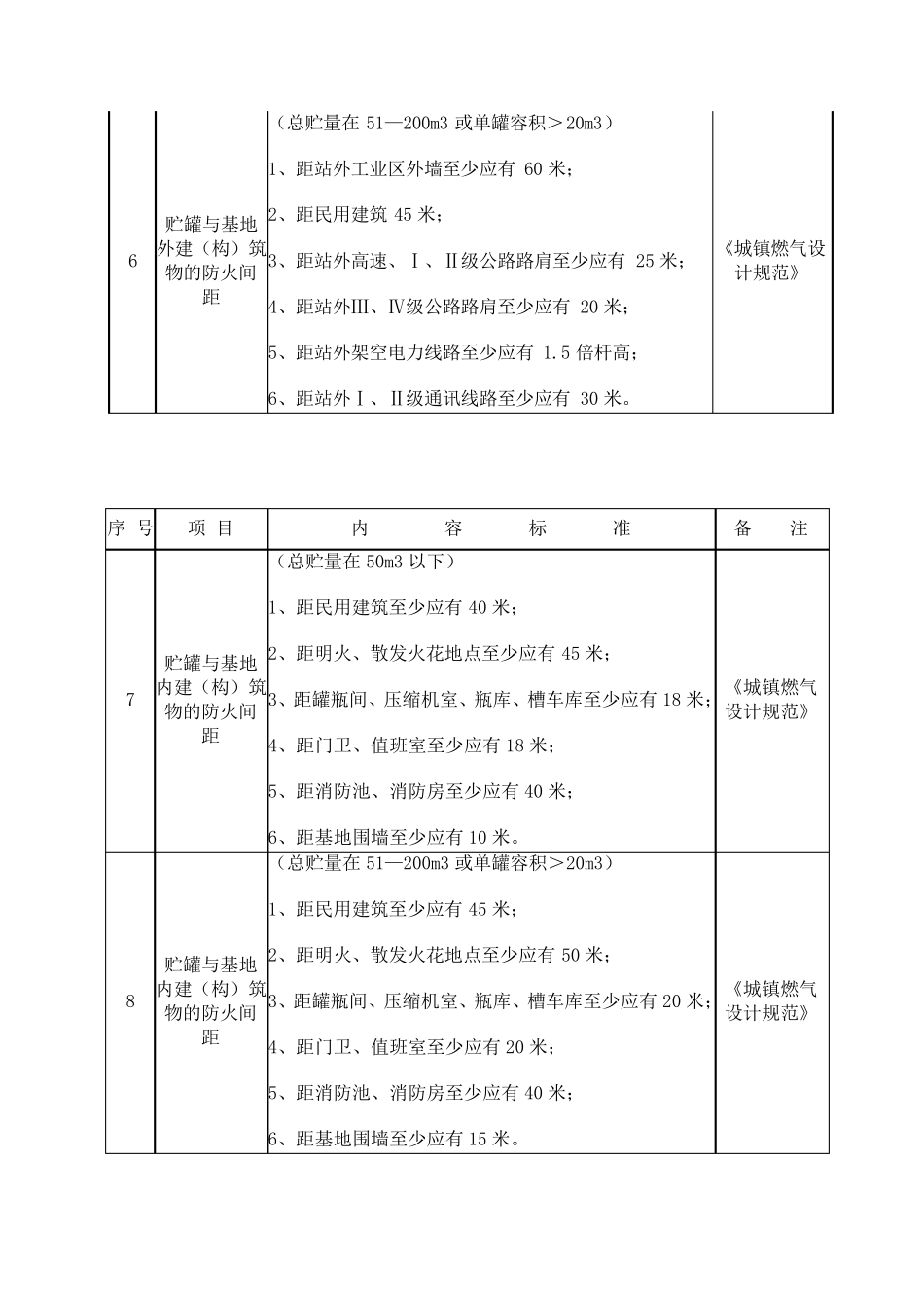
序 号 项 目 内 容 标 准 备 注 1 整治要求 燃气企业必须达到企业资质标准,必须按国家规定取得《燃气企业资质证书》、《气体充装注册登记证》,并严禁出租、出借和转让。 2 质量要求 燃气的质量必须符合国家标准(其中液化气质量指标应符合现行的国家标准《油气田液化石油气》GB9052—1或《液化石油气》GB11174 的规定;人工煤气质量指标应符合现行的国家标准《人工煤气》GB13612 的规定) 《城市燃气企业资质标准》《城镇燃气设计规范》 3 技术要求 液化气储配站、瓶装供应站的各项技术要求必须符合《城镇燃气设计规范》、《建筑设计防火规范》、《城市燃气安全管理规定》等。 4 站址要求 1、燃气储配站应远离城市居住区、村镇、学校、工业区、影剧院、体育馆等人员集中地区。 2、燃气储配站应远离易燃易爆物品生产经营企业、机场、铁路、公路桥涵(洞)、重要建(构)筑物、水坝、防洪堤及通讯、交通枢纽等重要设施。 3、液化石油气储配站的站址应选择在地势平坦、开阔、不易积存液化石油气的地段,同时,应避开地震 带 、地基 沉 陷 、废 弃 矿 井 和雷 区等地区。 《建筑设计防火规范》、《城镇燃气设计规范》 5 贮 罐 与 基 地外 建(构)筑物的防火间距 (总 贮 量在50m3 以 下 ) 1、距 站外 工业区外 墙 至 少 应有50 米 ; 2、距 民 用 建筑 40 米 ; 3、距 站外 高 速 、Ⅰ 、Ⅱ 级 公路路肩 至 少 应有20 米 ; 4、距 站外 Ⅲ 、Ⅳ 级 公路路肩 至 少 应有15 米 ; 5、距 站外 架 空 电 力 线 路至 少 应有1.5 倍 杆 高 ; 6、距 站外 Ⅰ 、Ⅱ 级 通讯线 路至 少 应有30 米 。 《城镇燃气设计规范》 6 贮罐与基地外建(构)筑物的防火间距 (总贮量在51—200m3 或单罐容积>20m3) 1、距站外工业区外墙至少应有 60 米; 2、距民用建筑45 米; 3、距站外高速、Ⅰ、Ⅱ级公路路肩至少应有 25 米; 4、距站外Ⅲ、Ⅳ级公路路肩至少应有 20 米; 5、距站外架空电力线路至少应有 1.5 倍杆高; 6、距站外Ⅰ、Ⅱ级通讯线路至少应有 30 米。 《城镇燃气设计规范》 序 号 项 目 内 容 标 准 备 注 7 贮罐与基地内建(构)筑物的防火间距 (总贮量在50m3 以下) 1、距民用建筑至少应有 40 米; 2、距明火、散发火花地点至少应有 45 米; 3、距罐瓶间、压缩机室、瓶库、槽车库至...

1、当您付费下载文档后,您只拥有了使用权限,并不意味着购买了版权,文档只能用于自身使用,不得用于其他商业用途(如 [转卖]进行直接盈利或[编辑后售卖]进行间接盈利)。
2、本站所有内容均由合作方或网友上传,本站不对文档的完整性、权威性及其观点立场正确性做任何保证或承诺!文档内容仅供研究参考,付费前请自行鉴别。
3、如文档内容存在违规,或者侵犯商业秘密、侵犯著作权等,请点击“违规举报”。

碎片内容

液化气站规范

确认删除?
VIP
微信客服
  • 扫码咨询
会员Q群
  • 会员专属群点击这里加入QQ群
客服邮箱
回到顶部