电脑桌面
添加小米粒文库到电脑桌面
安装后可以在桌面快捷访问

液压连接施工工艺手册VIP免费

液压连接施工工艺手册_第1页
1/13
液压连接施工工艺手册_第2页
2/13
液压连接施工工艺手册_第3页
3/13
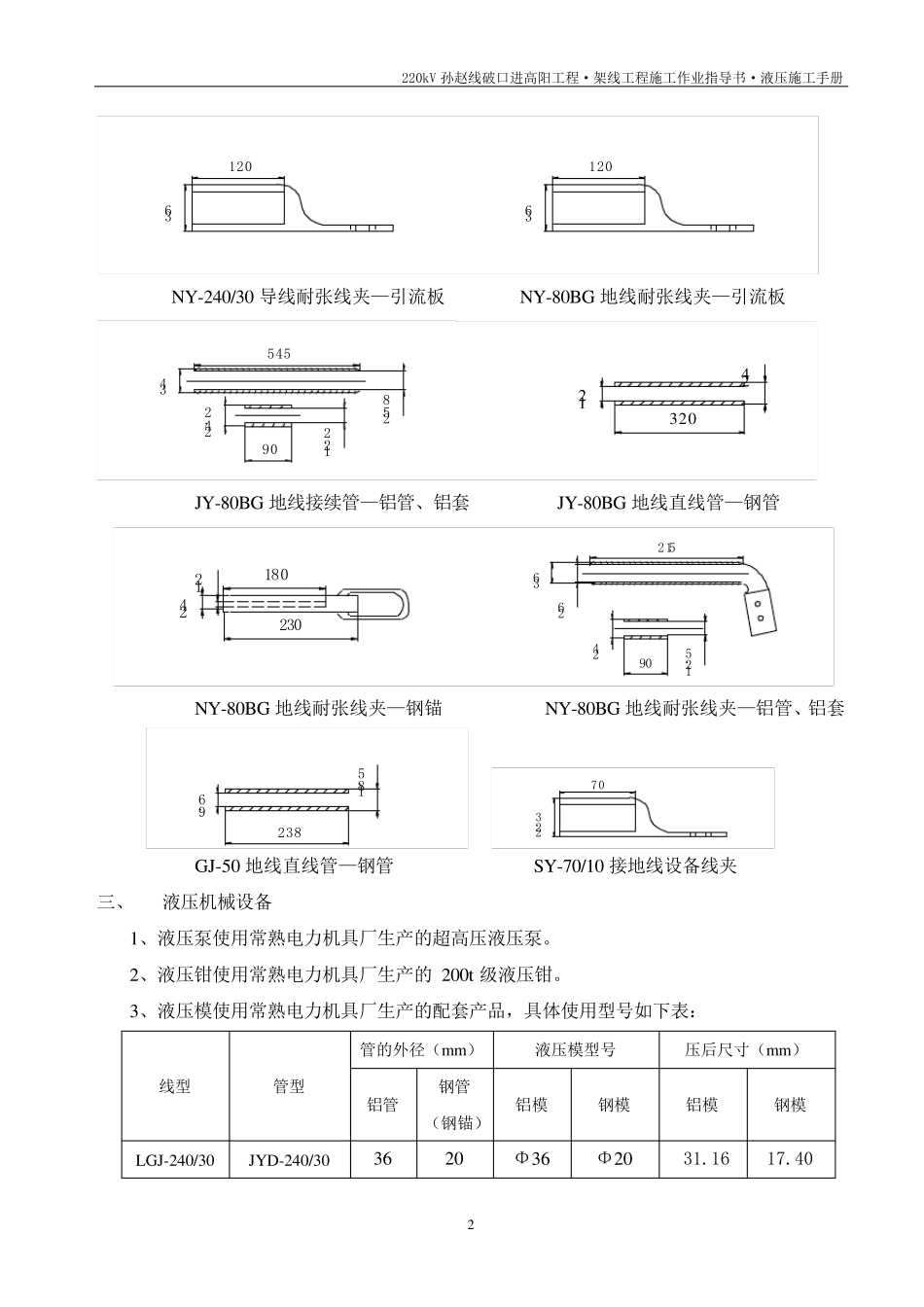
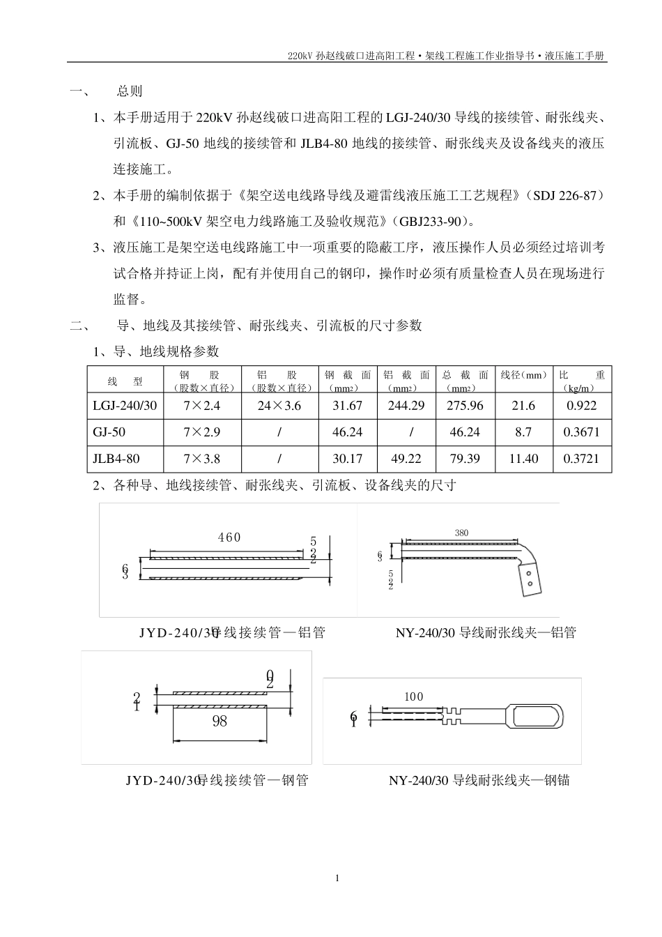
220kV 孙赵线破口进高阳工程·架线工程施工作业指导书·液压施工手册 1 一、 总则 1、本手册适用于 220kV 孙赵线破口进高阳工程的 LGJ-240/30 导线的接续管、耐张线夹、引流板、GJ-50 地线的接续管和 JLB4-80 地线的接续管、耐张线夹及设备线夹的液压连接施工。 2、本手册的编制依据于《架空送电线路导线及避雷线液压施工工艺规程》(SDJ 226-87)和《110~500kV 架空电力线路施工及验收规范》(GBJ233-90)。 3、液压施工是架空送电线路施工中一项重要的隐蔽工序,液压操作人员必须经过培训考试合格并持证上岗,配有并使用自己的钢印,操作时必须有质量检查人员在现场进行监督。 二、 导、地线及其接续管、耐张线夹、引流板的尺寸参数 1、导、地线规格参数 线 型 钢 股 (股数×直径) 铝 股 (股数×直径) 钢截面(mm2) 铝截面(mm2) 总截面(mm2) 线径(mm) 比重(kg/m) LGJ-240/30 7×2.4 24×3.6 31.67 244.29 275.96 21.6 0.922 GJ-50 7×2.9 / 46.24 / 46.24 8.7 0.3671 JLB4-80 7×3.8 / 30.17 49.22 79.39 11.40 0.3721 2、各种导、地线接续管、耐张线夹、引流板、设备线夹的尺寸 22.5460363803622.5 JYD-240/30导线接续管—铝管 NY-240/30 导线耐张线夹—铝管 982012 16100 JYD-240/30导线接续管—钢管 NY-240/30 导线耐张线夹—钢锚 220kV 孙赵线破口进高阳工程·架线工程施工作业指导书·液压施工手册 2 3612036120 NY-240/30 导线耐张线夹—引流板 NY-80BG 地线耐张线夹—引流板 545349024.212.225.81224320 JY-80BG 地线接续管—铝管、铝套 JY-80BG 地线直线管—钢管 23024121802152412.5903626 NY-80BG 地线耐张线夹—钢锚 NY-80BG 地线耐张线夹—铝管、铝套 23818.59.6 22.370 GJ-50 地线直线管—钢管 SY-70/10 接地线设备线夹 三、 液压机械设备 1、液压泵使用常熟电力机具厂生产的超高压液压泵。 2、液压钳使用常熟电力机具厂生产的 200t级液压钳。 3、液压模使用常熟电力机具厂生产的配套产品,具体使用型号如下表: 线型 管型 管的外径(mm) 液压模型号 压后尺寸(mm) 铝管 钢管 (钢锚) 铝模 钢模 铝模 钢模 LGJ-240/30 JYD-240/30 36 20 Φ36 Φ20 31.16 17.40 220kV 孙赵线破口进高阳工程·架线工程施工作业指导书·液压施工手册 3 NY-240/30 36 16 Φ36 Φ16 31.16 13.96 引流...

1、当您付费下载文档后,您只拥有了使用权限,并不意味着购买了版权,文档只能用于自身使用,不得用于其他商业用途(如 [转卖]进行直接盈利或[编辑后售卖]进行间接盈利)。
2、本站所有内容均由合作方或网友上传,本站不对文档的完整性、权威性及其观点立场正确性做任何保证或承诺!文档内容仅供研究参考,付费前请自行鉴别。
3、如文档内容存在违规,或者侵犯商业秘密、侵犯著作权等,请点击“违规举报”。

碎片内容

液压连接施工工艺手册

您可能关注的文档

确认删除?
VIP
微信客服
  • 扫码咨询
会员Q群
  • 会员专属群点击这里加入QQ群
客服邮箱
回到顶部