电脑桌面
添加小米粒文库到电脑桌面
安装后可以在桌面快捷访问

液氯厂房房顶更换采光瓦施工方案VIP免费

液氯厂房房顶更换采光瓦施工方案_第1页
1/6
液氯厂房房顶更换采光瓦施工方案_第2页
2/6
液氯厂房房顶更换采光瓦施工方案_第3页
3/6
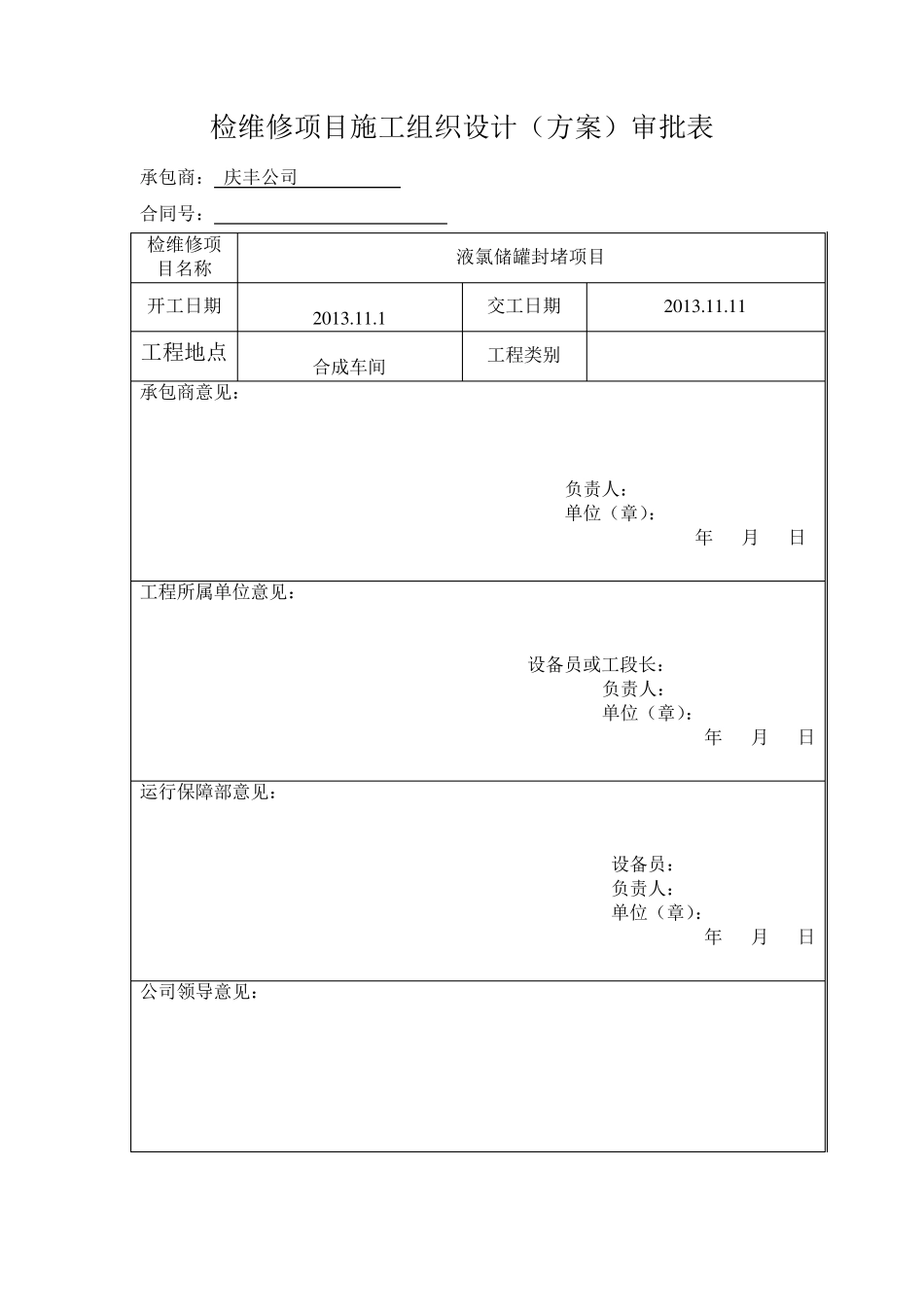
山东海化集团氯碱树脂有限公司 液氯厂房封闭施工方案 所在单位: 编制单位: 编制时间: 检维修项目施工组织设计(方案)审批表 承包商: 庆丰公司 合同号: 检维修项目名称 液氯储罐封堵项目 开工日期 2 0 1 3 .1 1 .1 交工日期 2 0 1 3 .1 1 .1 1 工程地点 合成车间 工程类别 承包商意见: 负责人: 单位(章): 年 月 日 工程所属单位意见: 设备员或工段长: 负责人: 单位(章): 年 月 日 运行保障部意见: 设备员: 负责人: 单位(章): 年 月 日 公司领导意见: 一、工程概况: 根据海油总公司家相关标准将合成车间所属的一二期液氯储罐(8 台)所处厂房进行封闭,避免因液氯储罐破裂导致液氯大量泄漏不能处理,而造成事故二次扩大。该设计用的是用安得瓦墙壁,透光性不强,为保证封闭的厂房光线满足操作要求且原房顶(为复合板)腐蚀严重,需将原复合板房顶更换为采光瓦。 采光瓦别称:采光罩,波浪瓦,采光板,采光带。按材质分为 PP 料采光瓦、Pvc 料采光瓦,PC 采光瓦和 FRP 采光瓦。其中 FRP 采光瓦因具有防腐蚀、耐老化、抗冲击、透光率高、成型美观、造价低廉、节能环保、耐老化腐蚀、透光好、阻燃、性能持久色彩丰富的优点,在国内的运用最为广泛。 FRP 采光瓦要由高性能上膜、强化聚脂和玻璃纤 维 组 成,其中上膜要起 到 很 好的抗紫 外 线抗静 电 的作用抗紫 外 线是为了 保护 FRP 采光板的聚酯 不发 黄 老化,过 早 失 透光特 性。抗静 电 是为了 保证表面 的灰 尘 轻 易 被 雨 水 冲走 或 被 风 吹 走 ,维 持清 洁 美观的表 面 。 二、施 工工期安排 : 2013.11.1-2013.11.6 一期厂房房顶更换。 2013.11.6-2013.11.11 二期厂房房顶更换 三 、施 工负 责 人 : 施 工方 现 场 负 责 人 : 张 艳 明 技 术 部 现 场 负 责 人 : 宋 志 祥 车间现 场 负 责 人 : 朱 建 东 四 、施 工注 意 事项 : 4.1 检 修 前 必 须 加 强外 协 人 员 的安全 教 育 ,严格 执 行动 火 、停 送 电 、高处作业 、抽 加 盲 板等 各 项 票 证管 理制 度 。 4.2 施 工前 必 须 在车间相关人 员 确 认 具备 施 工条 件 后 ,才 可 施 工。 4.3 施 工时 注 意 风 力 ,如 果 风 力 大于 5 级 则 立 ...

1、当您付费下载文档后,您只拥有了使用权限,并不意味着购买了版权,文档只能用于自身使用,不得用于其他商业用途(如 [转卖]进行直接盈利或[编辑后售卖]进行间接盈利)。
2、本站所有内容均由合作方或网友上传,本站不对文档的完整性、权威性及其观点立场正确性做任何保证或承诺!文档内容仅供研究参考,付费前请自行鉴别。
3、如文档内容存在违规,或者侵犯商业秘密、侵犯著作权等,请点击“违规举报”。

碎片内容

液氯厂房房顶更换采光瓦施工方案

您可能关注的文档

确认删除?
VIP
微信客服
  • 扫码咨询
会员Q群
  • 会员专属群点击这里加入QQ群
客服邮箱
回到顶部