电脑桌面
添加小米粒文库到电脑桌面
安装后可以在桌面快捷访问

淋浴房技术手册VIP免费

淋浴房技术手册_第1页
1/15
淋浴房技术手册_第2页
2/15
淋浴房技术手册_第3页
3/15
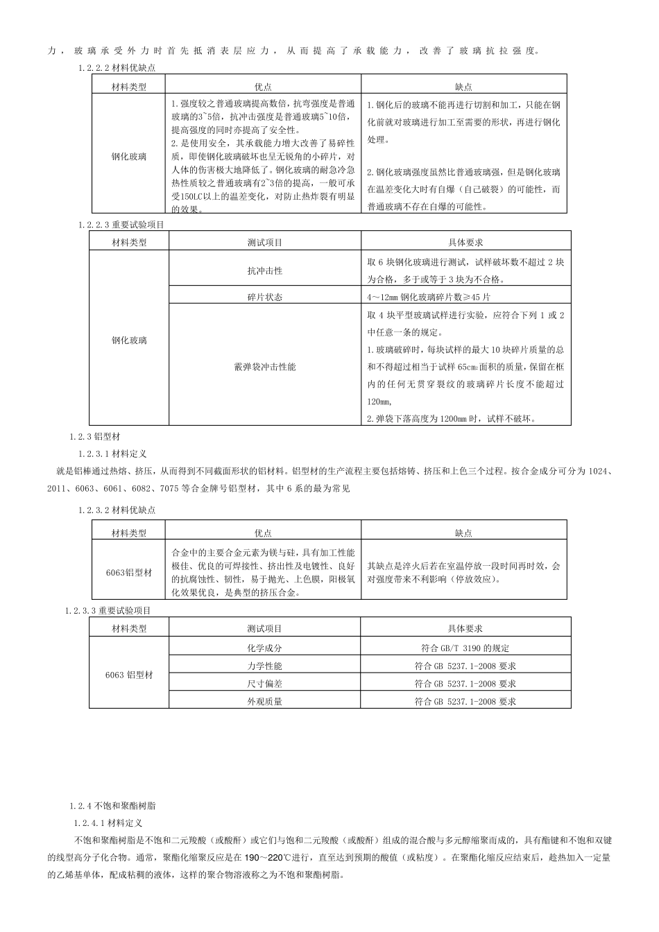
淋 浴 房 技 术 手 册 第 一 篇 : 材 料 篇 1、 厨 卫 家 具 淋 浴 房 产 品 主 要 材 料 1.1 厨 卫 家 具 淋 浴 房 产 品 构 成 的 主 要 材 料 分 类 见 下 表 1 表 1 主 要 材 料 类 别 编 号 材 料 名 称 编 号 材 料 名 称 1 亚 克 力 板 材 4 不 饱 和 聚 酯 树 脂 2 钢 化 玻 璃 5 玻 纤 3 铝 型 材 6 人 造 大 理 石 石 基 1.2 各 材 料 详 解 1.2.1 亚 克 力 板 材 1.2.1.1 材 料 定 义 亚 克 力 的 中 文 名 称 由 英 文 Acrylics 音 译 而 来 , 中 文 俗 名 有 压 克 力 、 阿 克 力 。 是 丙 烯 酸 类 和 甲 基 丙 烯 酸 类 化 学 品 的 通 称 。 包 括 单 体 、 板 材 、 粒料 、 树 脂 以 及 复 合 材 料 。 亚 克 力 板 由 甲 基 烯 酸 甲 酯 单 体 ( MMA) 聚 合 而 成 , 即 聚 甲 基 丙 烯 酸 甲 酯 ( PMMA) 板 材 有 机 玻 璃 , 是 一 种 经 过 特 殊 工 艺 加 工 的 有 机 玻 璃 。 有 “ 塑料 皇 后 ” 之 美 誉 。 亚 克 力 的 研 究 开 发 , 距 今 已 有 一 百 多 年 的 历 史 。 1.2.1.2 材 料 优 缺 点 材 料 类 型 优 点 缺 点 亚 克 力 板 1.无可比拟的 户外耐候性,使用年 限长达5~8 年 。 2 . 表 面光泽高、 色泽鲜艳、 饱 满、 光滑平整、 硬度好;可与铝 合 金媲美 。 3.加 工 性能优 良;热成 型 ( 易成 型 , 可塑 性强)易于二次成 型 加 工 ; 4.绿色环保、 废旧料 可以 被彻底回收, 再生利用简便易行。 5.容易清洁、 维护、 修复 性强, 只要 用软泡沫蘸点牙膏就可以 将洁具 擦拭一 新。 1.造 价高, 与亚 克 力 复 合 板 ( PMMA/ABS 复 合 板 )相比价格高很多 。 2.运输相对较麻烦, 因为它必竟是 有 机 材 料 , 有一 定 的 脆性, 运输一 般不 能重叠、 重压 、 需要 相对较好的 外包 装, 故而 包 装成 本高。 1.2.1.3 重要 试验项目 材 料 类 型 测试项目 具 体 要 求 亚 克 力 板 拉伸强度 亚 克 力 板 的 拉升强度不 得小于60Mpa,加 载速度为5mm/min±20﹪...

1、当您付费下载文档后,您只拥有了使用权限,并不意味着购买了版权,文档只能用于自身使用,不得用于其他商业用途(如 [转卖]进行直接盈利或[编辑后售卖]进行间接盈利)。
2、本站所有内容均由合作方或网友上传,本站不对文档的完整性、权威性及其观点立场正确性做任何保证或承诺!文档内容仅供研究参考,付费前请自行鉴别。
3、如文档内容存在违规,或者侵犯商业秘密、侵犯著作权等,请点击“违规举报”。

碎片内容

淋浴房技术手册

您可能关注的文档

确认删除?
VIP
微信客服
  • 扫码咨询
会员Q群
  • 会员专属群点击这里加入QQ群
客服邮箱
回到顶部