电脑桌面
添加小米粒文库到电脑桌面
安装后可以在桌面快捷访问

深圳XXXX大厦充电桩建设方案VIP免费

深圳XXXX大厦充电桩建设方案_第1页
1/8
深圳XXXX大厦充电桩建设方案_第2页
2/8
深圳XXXX大厦充电桩建设方案_第3页
3/8
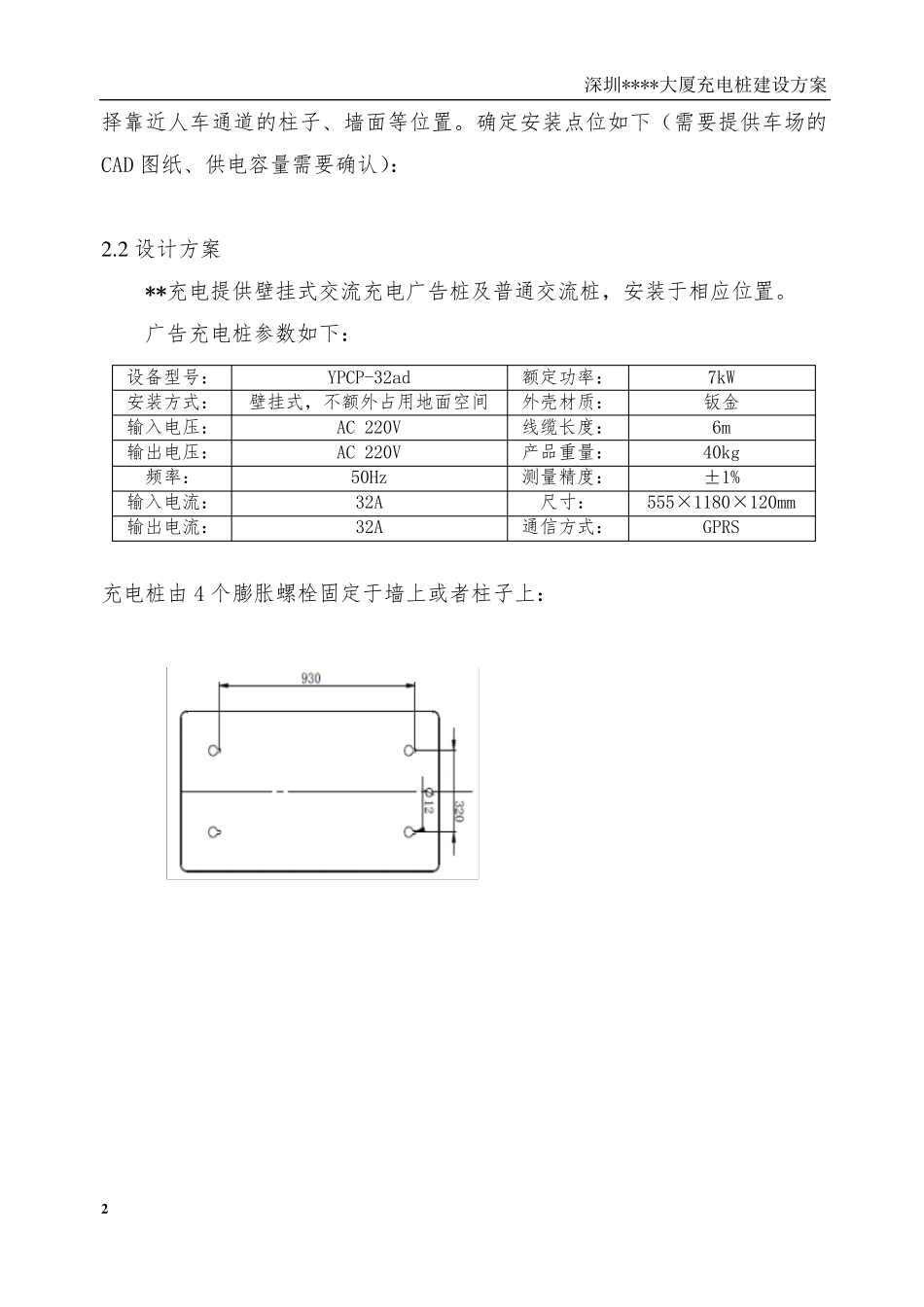
深圳****大厦充电桩建设方案 0 深 圳 ****大 厦 充电桩建设方案 深圳****大厦充电桩建设方案 1 一、充电桩建设的目的和意义 世界能源需求的不断攀升,环境污染越来越严重,汽车作为主要的交通工具,也是城市的主要污染源。电动汽车产业在新能源背景下蓄势勃发,已经成为流行最广、节能环保的绿色出行交通工具。 新能源汽车作为新的产业,整个产业还处于发展初期。现在整个行业都面临着有充电桩没有电动汽车充电或有电动汽车没有充电桩的尴尬局面。在新能源汽车发展的初期,建设越多的充电桩意味着亏损越多,导致新能源汽车充电设施的建设非常缓慢。 为了加快新能源汽车产业的发展,国家和各地方出台了房地产项目中充电桩建设的强制措施,这样就出现前期投入建设充电桩较多,但是充电的新能源汽车比较少,投资收益比非常不理想的情况。 随着电动汽车的逐渐推广,公共充电站数量也会随国家政策导向逐年增加,当写字楼或大型商圈周围遍布充电设备时 ,运 营 商之 间 竞 争 会更 加激 烈 ,为吸 引 客 户 前来充电、入驻 大厦 ,减 免 充电服 务 费 甚 至 免 费 充电会成为一种充电桩运 营 的趋 势。 在投资收益比不理想甚 至 将 来面临零 收益的情况下,如 何 维 持 充电桩运营 、实 现整体 性 的盈 利 就成了一个急 需解 决 的问 题 。**公司 提 供 充电设备为附 带 32 寸 液 晶 显 示 屏 充电桩,在解 决 为新能源汽车提 供 充电服 务 的同 时 ,还可 投放 充电桩使 用 方法 、注 意事 项、安 全 须 知 、停 车指 示 、服 务 推送 以 及 符合 业主及 物 业品 牌 要求的商业广告 等 内 容 。通过 广告 运 营 可 以 获 得 较大收益,从 而 大幅 降 低 充电桩运 营 成本 ,实 现盈 利 。 二 、充电桩设计 方案 2 .1 设计 原 则 根 据 现场 勘 查 ,项目停 车位 数量: 140 个,需要配 置6 台充电桩,暂 时 确定 充电桩数量( 6 台); 结 合 广告 受 众 人 群 流量大小 ,广告 桩安 装 位 置 优 先 选深圳****大厦充电桩建设方案 2 择靠近人车通道的柱子、墙面等位置。确定安装点位如下(需要提供车场的CAD 图纸、供电容量需要确认): 2 .2 设计方案 **充电提供壁挂式交流充电广告桩及普通交流桩,安装于相应位置。 广告充电桩参数如下: 设备型号: YPCP-32ad...

1、当您付费下载文档后,您只拥有了使用权限,并不意味着购买了版权,文档只能用于自身使用,不得用于其他商业用途(如 [转卖]进行直接盈利或[编辑后售卖]进行间接盈利)。
2、本站所有内容均由合作方或网友上传,本站不对文档的完整性、权威性及其观点立场正确性做任何保证或承诺!文档内容仅供研究参考,付费前请自行鉴别。
3、如文档内容存在违规,或者侵犯商业秘密、侵犯著作权等,请点击“违规举报”。

碎片内容

深圳XXXX大厦充电桩建设方案

小辰6+ 关注
实名认证
内容提供者

出售各种资料和文档

确认删除?
VIP
微信客服
  • 扫码咨询
会员Q群
  • 会员专属群点击这里加入QQ群
客服邮箱
回到顶部