电脑桌面
添加小米粒文库到电脑桌面
安装后可以在桌面快捷访问

展示馆弱电实施方案报告书VIP免费

展示馆弱电实施方案报告书_第1页
1/49
展示馆弱电实施方案报告书_第2页
2/49
展示馆弱电实施方案报告书_第3页
3/49
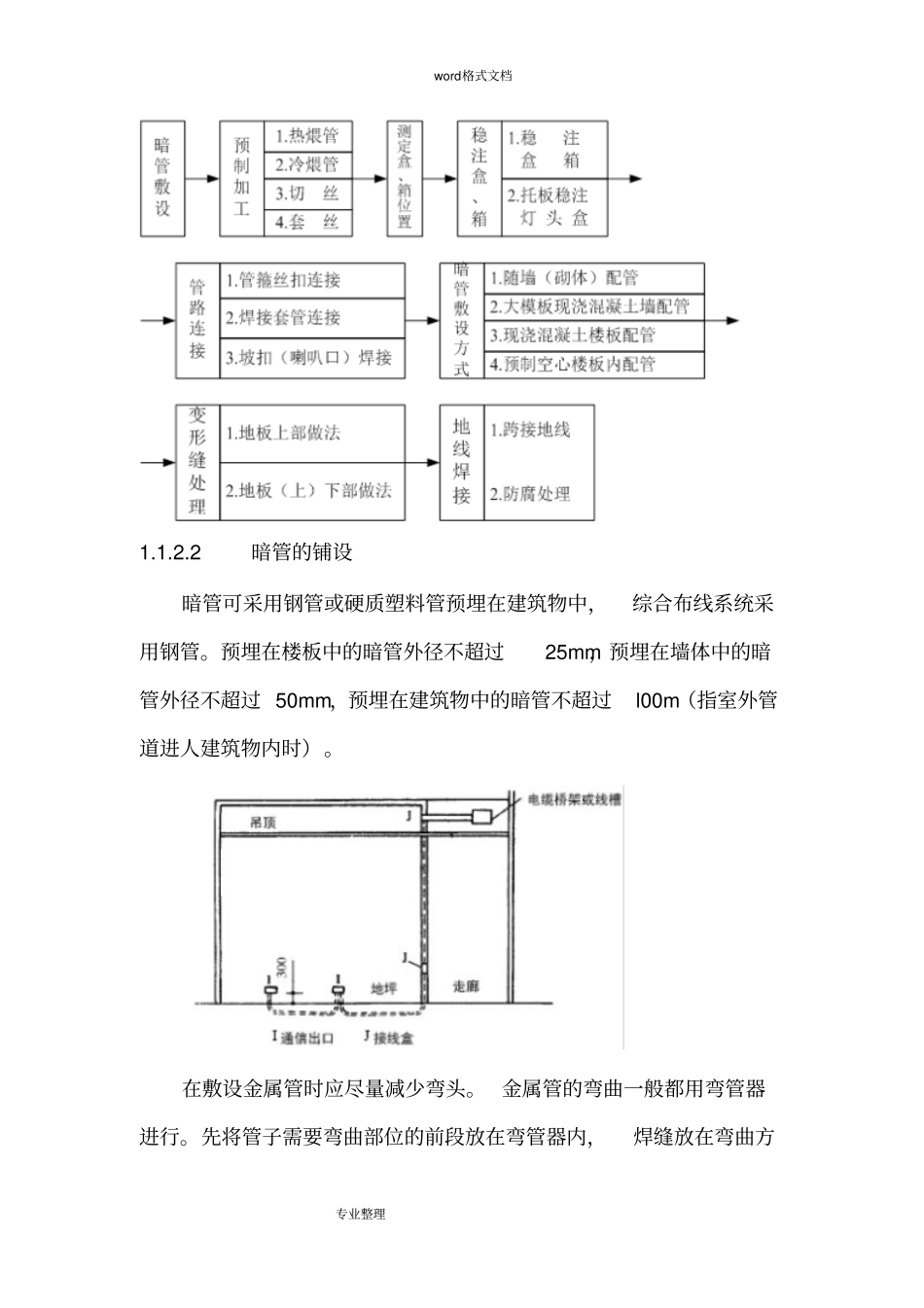
word格式文档专业整理第一章 公共系统总体施工方案1.1穿线管、线槽安装1.1.1线槽与线管施工系统布线所需敷设的线槽及线管应用经防腐、防锈处理的金属材料;除非已进入设备机壳内, 所有线缆必须放置于线槽、 线管内不得外露;所有相互连接的线槽、 线管必须使用专用铜线做电气导通,并接入智能化系统间的接地端子排,导通用的铜线不得焊接在线管或线槽上,必须使用压接方式;线管敷设施工时, 必须考虑线缆的最小弯曲半径,线管的弯曲半径必须大于线缆允许的最小弯曲半径。1.1.2敷设管路预埋暗管和线槽的检查属于隐蔽工程,一般在土建施工中或验收时一并检查,并做好隐蔽工程的签证工作。1.1.2.1暗管敷设工艺流程word格式文档专业整理1.1.2.2暗管的铺设暗管可采用钢管或硬质塑料管预埋在建筑物中,综合布线系统采用钢管。预埋在楼板中的暗管外径不超过25mm,预埋在墙体中的暗管外径不超过 50mm ,预埋在建筑物中的暗管不超过l00m(指室外管道进人建筑物内时)。在敷设金属管时应尽量减少弯头。 金属管的弯曲一般都用弯管器进行。先将管子需要弯曲部位的前段放在弯管器内,焊缝放在弯曲方word格式文档专业整理向背面或侧面,以防管子弯扁,然后用脚踩住管子,手板弯管器进行弯曲,并逐步移动弯管器, 便可得到所需要的弯度,弯曲半径符合下列要求:明配时, 一般不小于管外径的6 倍;只有一个弯时,可不小于管外径的 4 倍;整排钢管在转弯处,宜弯成同心圆的弯儿。暗配时,不小于管外径的 6 倍,敷设于地下或混凝土楼板内时,不应小于管外径的10 倍。在同一路径中, 两个检查箱之间暗管的弯角不得多于2 个,有弯头的管段长度不宜超过20m ,一般暗管的转弯角度宜大于90 。直线布暗管超过30m ,弯管超过 20m或有 2 个弯角的暗管大于15m处应设置过线盒,有利于方便地布放缆线。暗管管口应光滑, 并加有绝缘套管, 管口伸出建筑物的部位应在25~50mm 之间。word格式文档专业整理金属管连接时,管孔应对准,接缝应严密,不得有水和泥浆渗人。金属管道有不小于0.1%的排水坡度。建筑群之间金属管的埋设深度不应小于0.7m。金属管内应安置牵引线或拉线。金属管的两端应有标记,表示建筑物、楼层、房间和长度。1.1.2.3暗管的利用率暗管中如布放的缆线为多层屏蔽电缆、扁平缆线、大对数主干电缆或光缆时,直线管道的利用率为50%~60% ,弯曲管道应为40%~50 % ;如布放 4 对对绞水平电缆或4 芯光缆时,管道的截面利用率应为 ...

1、当您付费下载文档后,您只拥有了使用权限,并不意味着购买了版权,文档只能用于自身使用,不得用于其他商业用途(如 [转卖]进行直接盈利或[编辑后售卖]进行间接盈利)。
2、本站所有内容均由合作方或网友上传,本站不对文档的完整性、权威性及其观点立场正确性做任何保证或承诺!文档内容仅供研究参考,付费前请自行鉴别。
3、如文档内容存在违规,或者侵犯商业秘密、侵犯著作权等,请点击“违规举报”。

碎片内容

展示馆弱电实施方案报告书

爱的疯狂+ 关注
实名认证
内容提供者

该用户很懒,什么也没介绍

确认删除?
VIP
微信客服
  • 扫码咨询
会员Q群
  • 会员专属群点击这里加入QQ群
客服邮箱
回到顶部