电脑桌面
添加小米粒文库到电脑桌面
安装后可以在桌面快捷访问

1箱变基础隐蔽VIP专享VIP免费

1箱变基础隐蔽_第1页
1/8
1箱变基础隐蔽_第2页
2/8
1箱变基础隐蔽_第3页
3/8
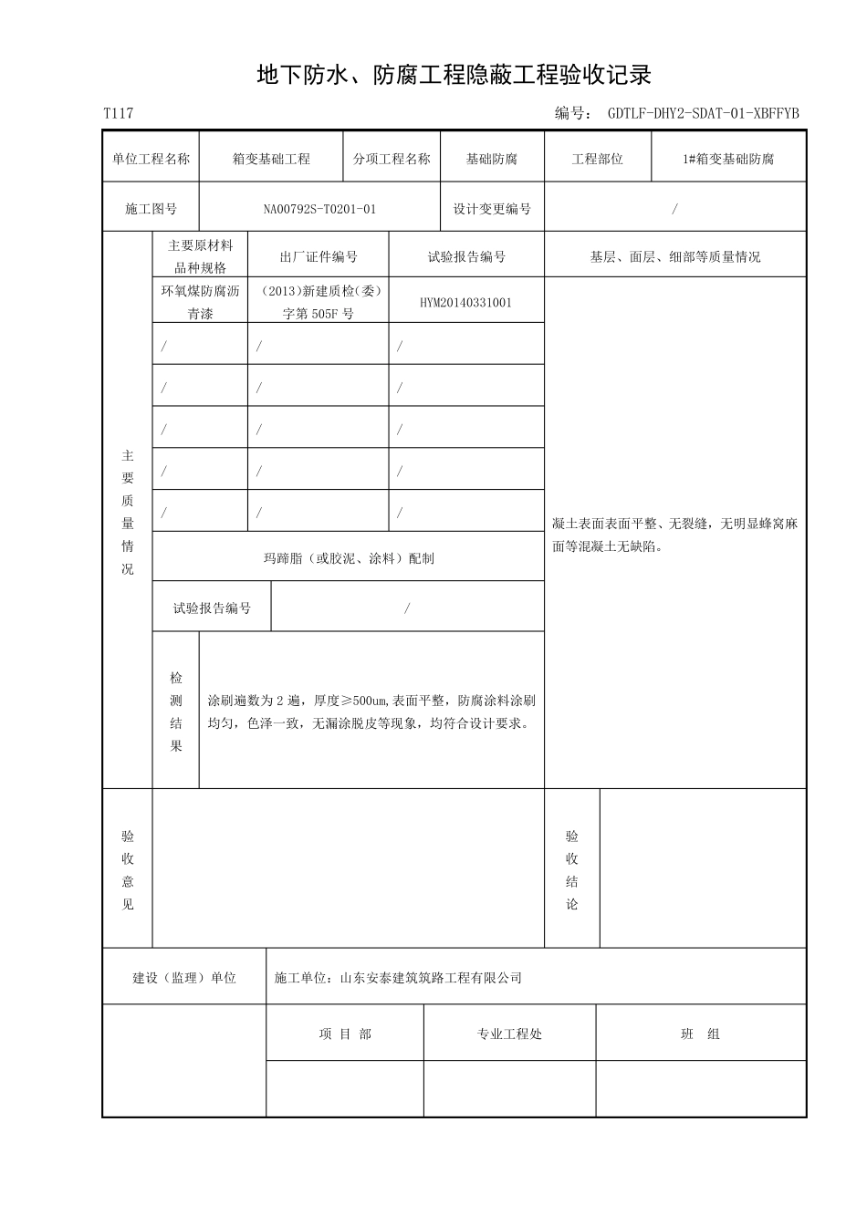
防腐隐蔽 报审表 表号:DJH-B-07 工程名称: 国电吐鲁番大河沿风电二期49.5MW 工程 编号:GDTLF-DHY2-SDAT-01-XBFFYB 致甘肃华研水电咨询有限公司国电吐鲁番大河沿风电二期49.5MW 工程监理项目部: 我单位已完成了 1#箱变基础防腐 工作,现报上报审表,请予以审查/验收。 附件: 防腐隐蔽验收记录。 承包单位(章): 项目经理: 日 期: 年 月 日 监理项目部审查意见: 监理项目部(章): 总/专业监理工程师: 日 期: 年 月 日 本表一式 4 份,由承包单位填报,建设管理单位存 2 份,监理项目部存 1 份,承包单位存 1 份。 地下防水、防腐工程隐蔽工程验收记录 T117 编号: GDTLF-DHY2-SDAT-01-XBFFYB 单位工程名称 箱变基础工程 分项工程名称 基础防腐 工程部位 1#箱变基础防腐 施工图号 NA00792S-T0201-01 设计变更编号 / 主 要 质 量 情 况 主要原材料 品种规格 出厂证件编号 试验报告编号 基层、面层、细部等质量情况 环氧煤防腐沥青漆 (2013)新建质检(委)字第505F 号 HYM20140331001 凝土表面表面平整、无裂缝,无明显蜂窝麻面等混凝土无缺陷。 / / / / / / / / / / / / / / / 玛蹄脂(或胶泥、涂料)配制 试验报告编号 / 检 测 结 果 涂刷遍数为2 遍,厚度≥500um,表面平整,防腐涂料涂刷均匀,色泽一致,无漏涂脱皮等现象,均符合设计要求。 验 收 意 见 验 收 结 论 建设(监理)单位 施工单位:山东安泰建筑筑路工程有限公司 项 目 部 专业工程处 班 组 基础混凝土隐蔽 报审表 表号:DJH-B-07 工程名称: 国电吐鲁番大河沿风电二期49.5MW 工程 编号:GDTLF-DHY2-SDAT-01-XBJCHNTYB 致 甘肃华研水电咨询有限公司国电吐鲁番大河沿风电二期49.5MW 工程 监理项目部: 我单位已完成了 1#箱变基础混凝土隐蔽 工作,现报上报审表,请予以审查/验收。 附件: 基础混凝土隐蔽验收记录。 承包单位(章): 项目经理: 日 期: 年 月 日 监理项目部审查意见: 监理项目部(章): 总/专业监理工程师: 日 期: 年 月 日 本表一式 4 份,由承包单位填报,建设管理单位存 2 份,监理项目部存 1 份,承包单位存 1 份。 地下混凝土结构隐蔽工程验收记录 T116 编号:GDTLF-DHY2-SDAT-01-JCHNTYB 单位工程名称 箱变基础工程 分项工程名称 箱变基础混凝土 工程部位 1#箱变基础 施工图...

1、当您付费下载文档后,您只拥有了使用权限,并不意味着购买了版权,文档只能用于自身使用,不得用于其他商业用途(如 [转卖]进行直接盈利或[编辑后售卖]进行间接盈利)。
2、本站所有内容均由合作方或网友上传,本站不对文档的完整性、权威性及其观点立场正确性做任何保证或承诺!文档内容仅供研究参考,付费前请自行鉴别。
3、如文档内容存在违规,或者侵犯商业秘密、侵犯著作权等,请点击“违规举报”。

碎片内容

1箱变基础隐蔽

确认删除?
VIP
微信客服
  • 扫码咨询
会员Q群
  • 会员专属群点击这里加入QQ群
客服邮箱
回到顶部