电脑桌面
添加小米粒文库到电脑桌面
安装后可以在桌面快捷访问

1调质热处理工艺VIP免费

1调质热处理工艺_第1页
1/19
1调质热处理工艺_第2页
2/19
1调质热处理工艺_第3页
3/19
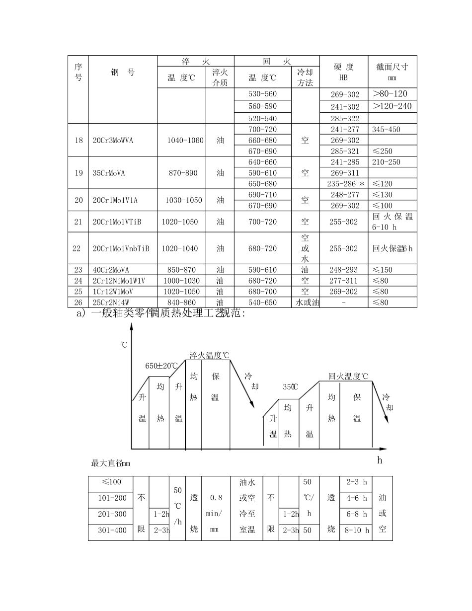
共 4 6 页 第 1 页 1 调质热处理工艺 1.1 调质热处理的目的:用淬火和回火(中温回火或高温回火). 得到高强度和高韧性的综合机械性能 1.1.1 工艺路线; a) 型材 调质 机加工;b) 锻造(24 小时内) 调质 机加工;c) 锻造 退火或正火 机加工 调质 机加工 1.1.2 调质热处理工艺规范; 淬火温度 ℃ 回火温度 ℃ 650±20℃ 升 均 保 温 冷 升 透 温 热 却 升 均 保 温 冷 温 烧 温 热 却 h 不 限 目测件直径大小或厚度 不 限 透 烧 油、电、炉 水 或 油 冷至 室温 不 限 透 烧 碳 钢 2min/mm 不少于 2h 空或油 碳 钢 0.6 min/ mm 合 金 钢 3min/mm 不少于 2h 合金 钢 0.8 min/ mm 1.1.3 碳钢及合金钢调质热处理工艺 序 号 钢 号 淬 火 回 火 硬 度 HB 截面尺寸 mm 温 度℃ 淬火介质 温 度℃ 冷却方法 01 35 840-860 水 500-540 空 197-255 ≤100 860-880 560-600 156-207 >100-300 850-870 油 610-630 121-187 >300 570-590 170-217* 2 45 850-870 油 580-620 空 163-228 ≤100 480-500 196-255 >100-330 水 500-530 217-248 830-850 560-580 207-255 3 40CrA 840-860 油 520-540 油 280-321 <40 序 号 钢 号 淬 火 回 火 硬 度 HB 截面尺寸 mm 温 度℃ 淬火介质 温 度℃ 冷却方法 540-560 269-302 550-570 241-277 >40-60 570-590 217-255* >60-120 590-610 192-223 >120 4 12Cr1MoVA 980-1000 740-760 空 131-163 ≤160 5 15CrMoA 900-920 油 540-560 空 207-241 ≤210 570-590 170-207* 6 20CrMoA 880-900 水 550-570 空 220-270 ≤100 570-590 197-241* ≤200 620-640 163-187 7 34CrMoA 35CrMoA 860-880 油 550-570 空 255-311 ≤70 580-600 241-302 >70-100 610-640 217-265* 530-550 241-265 >100 9 25Cr2MoVA 920-940 油 640-660 空 269-311 截面≤150 670-690 248-293﹡ 截面≤120 10 34CrNi3Mo 850-870 油 540-570 空 293-321 ≤250 580-600 269-302 >300-350 610-650 241-277* >350 11 30CrMnSiA 870-890 油 510-530 油 269-341 ≤80 550-570 229-269 610-630 187-228* 12 38CrMoAlA 930-950 油 600-620 空 293-321 ≤60 610-630 27...

1、当您付费下载文档后,您只拥有了使用权限,并不意味着购买了版权,文档只能用于自身使用,不得用于其他商业用途(如 [转卖]进行直接盈利或[编辑后售卖]进行间接盈利)。
2、本站所有内容均由合作方或网友上传,本站不对文档的完整性、权威性及其观点立场正确性做任何保证或承诺!文档内容仅供研究参考,付费前请自行鉴别。
3、如文档内容存在违规,或者侵犯商业秘密、侵犯著作权等,请点击“违规举报”。

碎片内容

1调质热处理工艺

确认删除?
VIP
微信客服
  • 扫码咨询
会员Q群
  • 会员专属群点击这里加入QQ群
客服邮箱
回到顶部