电脑桌面
添加小米粒文库到电脑桌面
安装后可以在桌面快捷访问

PLCLED数码显示控制VIP免费

PLCLED数码显示控制_第1页
1/8
PLCLED数码显示控制_第2页
2/8
PLCLED数码显示控制_第3页
3/8
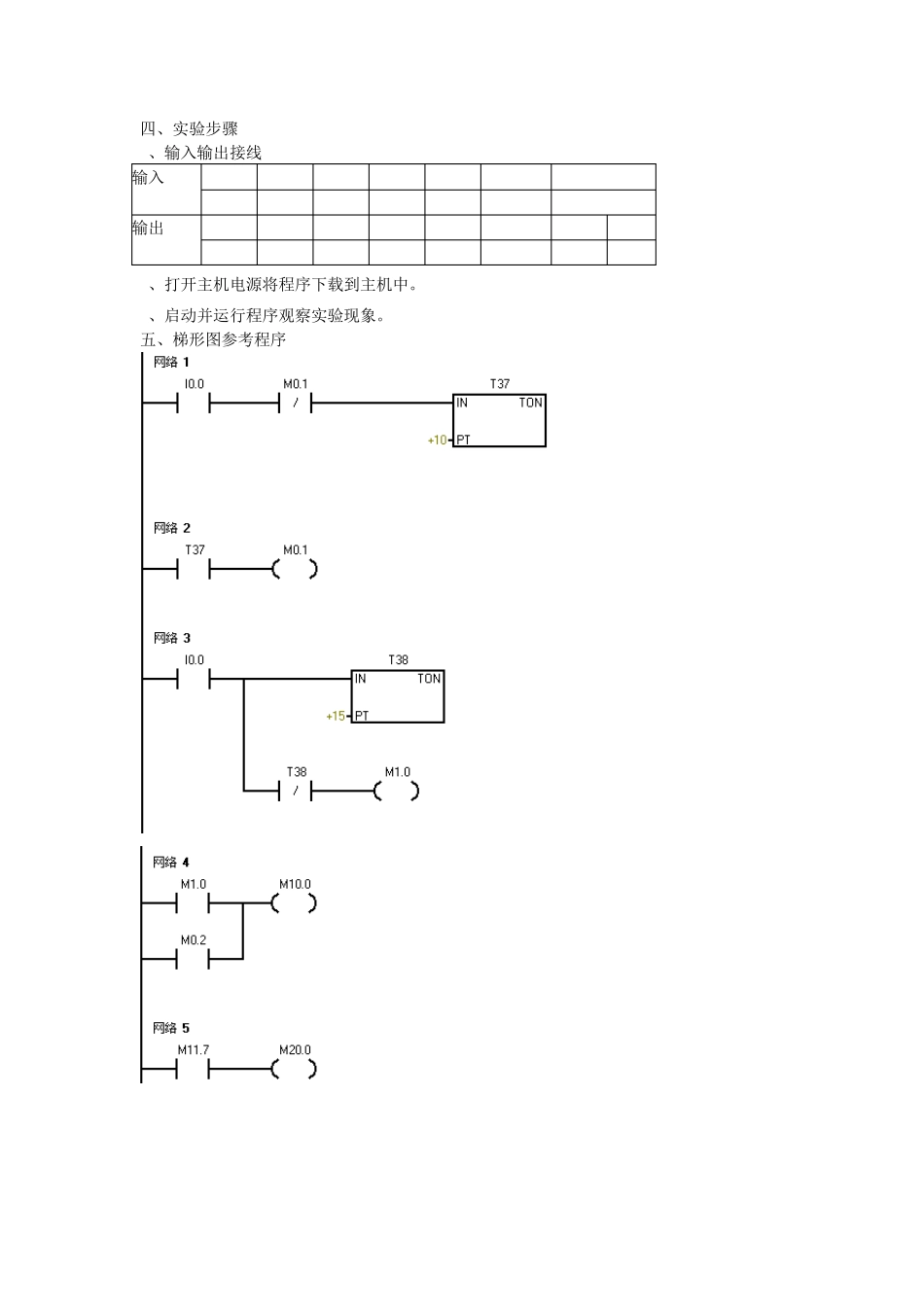
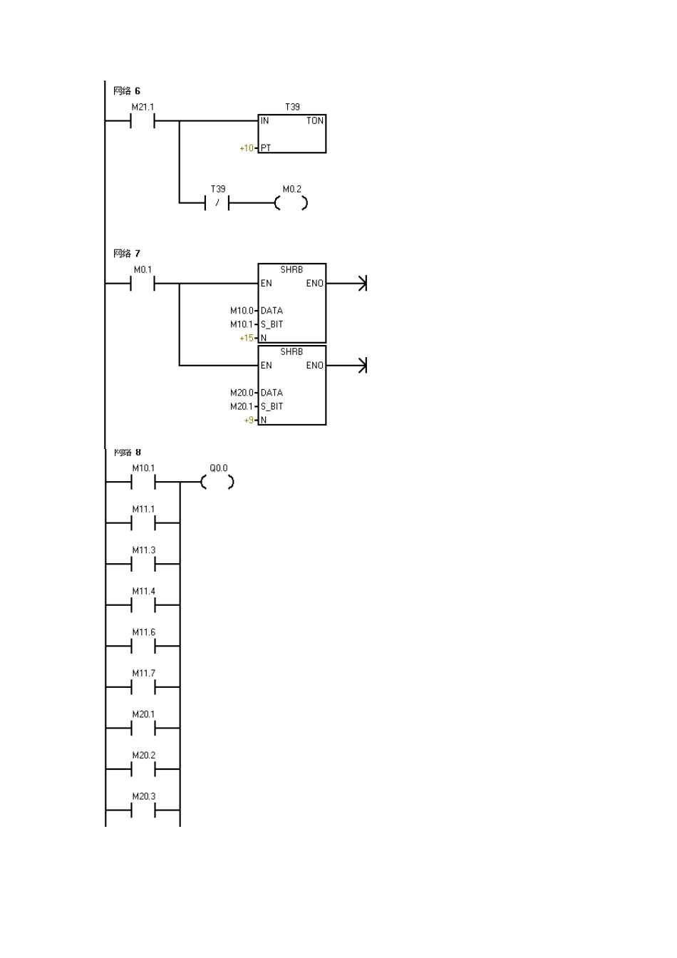
PLC LED 数码显示控制 在LED 数码显示控制单元完成本实验 一、实验目的 熟练掌握移位寄存器位 SHRB ,能够灵活的运用。 二、实验说明 1)、SHRB指令简介 移位寄存器位(SHRB)指令将 DATA数值移入移位寄存器。S_BIT指定移位寄存器的最低位。N指定移位寄存器的长度和移位方向(移位加 = N,移位减 = -N)。SHRB指令移出的每个位被放置在溢出内存位(SM1.1)中。该指令由最低位(S_BIT)和由长度(N)指定的位数定义。 2)、参考程序描述 按下启动按钮后,由八组 LED发光二极管模拟的八段数码管开始显示:先是一段段显示,显示次序是 A、B、C、D、E、F、G、H,随后显示数字及字符,显示次序是 0、1、2、3、4、5、6、7、8、9、A、b、C、d、E、F,断开启动按钮程序停止运行。 三、实验面板图: 四、实验步骤 1、输入输出接线 输入 SD I0.0 输出 A B C D E F G H Q0.0 Q0.1 Q0.2 Q0.3 Q0.4 Q0.5 Q0.6 Q0.7 2、打开主机电源将程序下载到主机中。 3、启动并运行程序观察实验现象。 五、梯形图参考程序

1、当您付费下载文档后,您只拥有了使用权限,并不意味着购买了版权,文档只能用于自身使用,不得用于其他商业用途(如 [转卖]进行直接盈利或[编辑后售卖]进行间接盈利)。
2、本站所有内容均由合作方或网友上传,本站不对文档的完整性、权威性及其观点立场正确性做任何保证或承诺!文档内容仅供研究参考,付费前请自行鉴别。
3、如文档内容存在违规,或者侵犯商业秘密、侵犯著作权等,请点击“违规举报”。

碎片内容

PLCLED数码显示控制

确认删除?
VIP
微信客服
  • 扫码咨询
会员Q群
  • 会员专属群点击这里加入QQ群
客服邮箱
回到顶部