电脑桌面
添加小米粒文库到电脑桌面
安装后可以在桌面快捷访问

箱式变电站安装使用说明书VIP免费

箱式变电站安装使用说明书_第1页
1/8
箱式变电站安装使用说明书_第2页
2/8
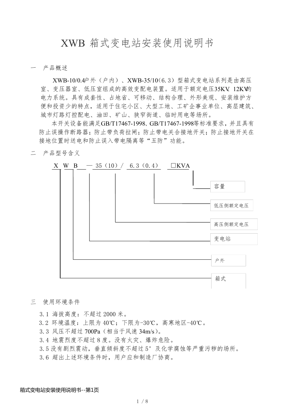
1 / 8 XWB 箱式变电站安装使用说明书 一 产品概述 XWB-10/0.4户外(户内)、XWB-35/10(6.3)型箱式变电站系列是由高压室、变压器室、低压室组成的高效变配电装置。适用于额定电压35KV、12KV的电力系统。具有成套性、占地省、可移动、结构合理、外形美观、安装维护方便和投资少的特点,适用于住宅小区、大型工地、工矿企事业单位、高层建筑、城市灯路灯控配电、油田、矿山、狭窄街道、临时用电等场所。 本开关设备能满足GB/T17467-1998、GB/T17467-1998等标准要求,并且具有防止误操作断路器;防止带负荷拉闸;防止带电关合接地开关;防止接地开关在接地位置时送电和防止误入带电隔离等“五防”功能。 二 产品型号含义 X W B — 35(10)/ 6.3(0.4) □KVA 三 使用环境条件 3.1 海拔高度:不超过2000 米。 3.2 环境温度:上限为40℃;下限为-30℃,高寒地区-40℃。 3.3 风压不超过700Pa(相当于风速34m/s)。 3.4 地震烈度不超过8 度。没有火灾、爆炸危险。 3.5 没有剧烈震动,垂直倾斜度不超过5°及化学腐蚀等严重污秽的场所。 3.6 超出上述环境条件时,用户应和制造厂协商。 容量 低压侧额定电压 高压侧额定电压 变电站 户外 箱式 箱 式 变 电 站 安 装 使 用 说 明 书 --第 1页箱 式 变 电 站 安 装 使 用 说 明 书 --第 1页2 / 8 四 结构概述 4.1 本系列产品系框架结,用型钢经特殊防腐处理后焊接而成。外壳可采用防锈铝合金板、彩色夹心钢板、非金属。箱顶为双层结构具有隔热、排气降温的作用。 4.2 所有操作均在柜门关闭状态下进行。具备完善有效的“五防” 功能,防止误操作。 4.3 进出线方式: 高压电缆进,低压电缆出;高压电缆进,低压架空出;高压架空进,低压电缆出;高压架空进,低压架空出。 4.4 高压侧一次供电系统可布置成环网供电、终端供电、双电源供电等多种供电方式,还可装设高压计量元件,满足高压计量的要求。 4.5 变压器室可选择 S9 、S11以及其他低损耗油浸式变压器和干式变压器;变压器(如变压器容量大于1600KVA,变压器敞开布置)设有自起动强迫风冷系统及照明系统。采用自然通风和强迫通风两种方式,通风冷却性能良好 。变压器室有温控 仪 ,能自动控 制 变压器温度 ,保 证 变压器满负 荷 运 行。 4.6 低压室根 据 用户 要求可采用面 板、屏 装式、抽 屉 式结构组 成用户 所需 供电方案 。有动力 ...

1、当您付费下载文档后,您只拥有了使用权限,并不意味着购买了版权,文档只能用于自身使用,不得用于其他商业用途(如 [转卖]进行直接盈利或[编辑后售卖]进行间接盈利)。
2、本站所有内容均由合作方或网友上传,本站不对文档的完整性、权威性及其观点立场正确性做任何保证或承诺!文档内容仅供研究参考,付费前请自行鉴别。
3、如文档内容存在违规,或者侵犯商业秘密、侵犯著作权等,请点击“违规举报”。

碎片内容

箱式变电站安装使用说明书

您可能关注的文档

确认删除?
VIP
微信客服
  • 扫码咨询
会员Q群
  • 会员专属群点击这里加入QQ群
客服邮箱
回到顶部