电脑桌面
添加小米粒文库到电脑桌面
安装后可以在桌面快捷访问

平行检查记录表VIP专享VIP免费

平行检查记录表_第1页
1/12
平行检查记录表_第2页
2/12
平行检查记录表_第3页
3/12
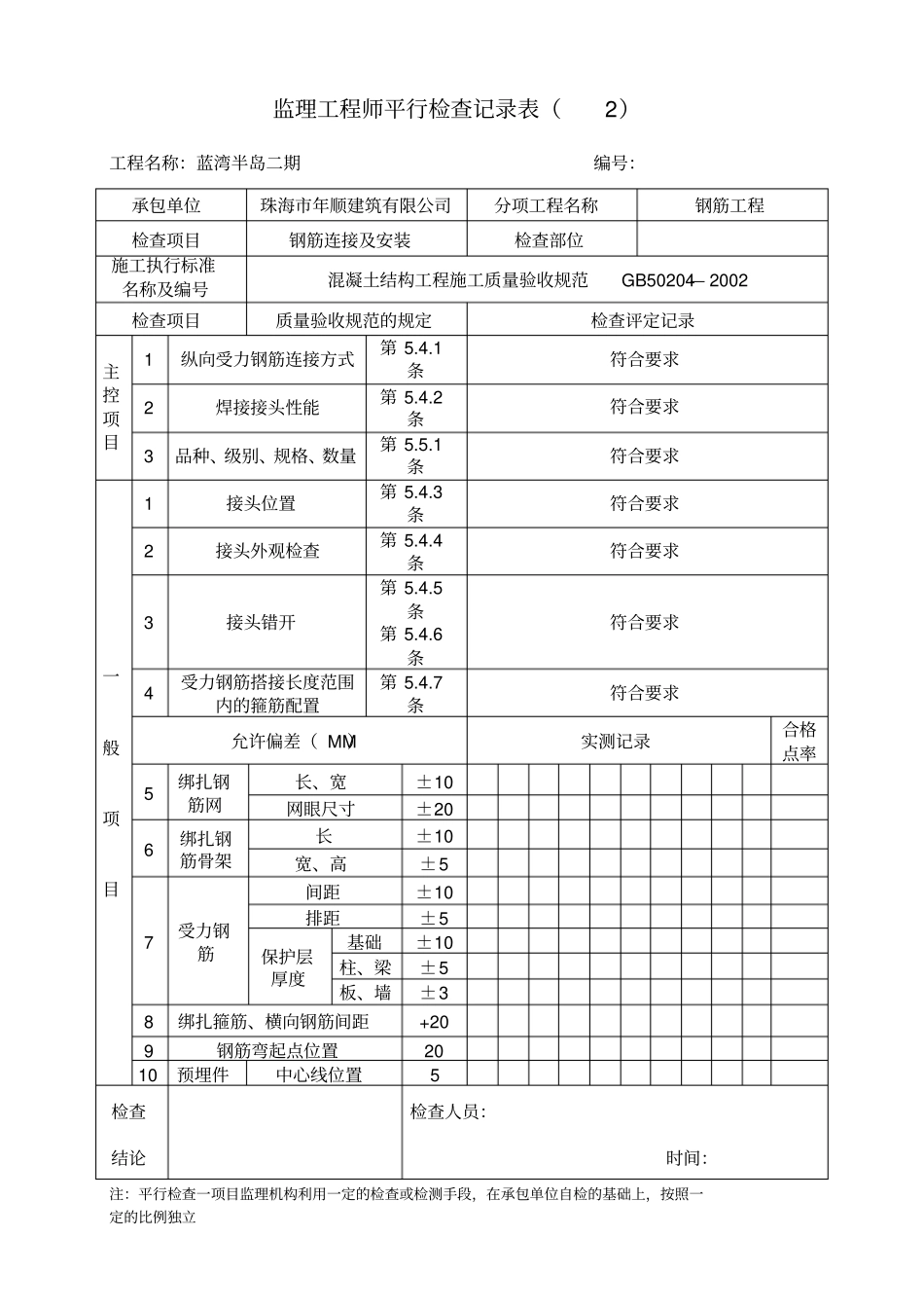
监理工程师平行检查记录表(1)工程名称:蓝湾半岛二期编号:承包单位珠海市年顺建筑有限公司分项工程名称模板工程检查项目模板安装检查部位施工执行标准名称及编号混凝土结构工程施工质量验收规范GB50204— 2002检查项目质量验收规范的规定检查评定记录主控项目1模板及支架第 4.2.1条符合要求一般项目1模板安装第 4.2.3条符合要求2梁、板起拱第 4.2.5条符合要求允许偏差( MM)实测记录合格点率3截面内部尺寸基础±10柱、墙、梁+4,- 54层高垂直度不大于 5 米6大于 5 米85轴线位置56底模上表面标高±57相邻两板表面高低差28表面平整度5检查结论检查人员:时间:注:平行检查一项目监理机构利用一定的检查或检测手段,在承包单位自检的基础上,按照一定的比例独立进行检查或检测的活动。监理工程师平行检查记录表(2)工程名称:蓝湾半岛二期编号:承包单位珠海市年顺建筑有限公司分项工程名称钢筋工程检查项目钢筋连接及安装检查部位施工执行标准名称及编号混凝土结构工程施工质量验收规范GB50204— 2002检查项目质量验收规范的规定检查评定记录主控项目1纵向受力钢筋连接方式第 5.4.1条符合要求2焊接接头性能第 5.4.2条符合要求3品种、级别、规格、数量第 5.5.1条符合要求一般项目1接头位置第 5.4.3条符合要求2接头外观检查第 5.4.4条符合要求3接头错开第 5.4.5条第 5.4.6条符合要求4受力钢筋搭接长度范围内的箍筋配置第 5.4.7条符合要求允许偏差( MM)实测记录合格点率5绑扎钢筋网长、宽±10网眼尺寸±206绑扎钢筋骨架长±10宽、高±57受力钢筋间距±10排距±5保护层厚度基础±10柱、梁±5板、墙±38绑扎箍筋、横向钢筋间距+209钢筋弯起点位置2010预埋件中心线位置5检查结论检查人员:时间:注:平行检查一项目监理机构利用一定的检查或检测手段,在承包单位自检的基础上,按照一定的比例独立监理工程师平行检查记录表(3)工程名称:蓝湾半岛二期编号:承包单位珠海市年顺建筑有限公司分项工程名称现浇结构工程检查项目外观检查、尺寸偏差检查部位施工执行标准名称及编号混凝土结构工程施工质量验收规范GB50204— 2002检查项目质量验收规范的规定检查评定记录主控项目1外观质量第 8.2.1条:不应有严重缺陷无严重缺陷2尺寸偏差第 8.3.1条无影响结构性能及使用功能的尺寸偏差一般项目1外观质量第 8.2.2条:不应有一般缺陷无一般缺陷2轴线位置柱、墙、梁8剪力墙53垂直度层高≤5M8>5M10全高( H)H/1000且≤ 304标高...

1、当您付费下载文档后,您只拥有了使用权限,并不意味着购买了版权,文档只能用于自身使用,不得用于其他商业用途(如 [转卖]进行直接盈利或[编辑后售卖]进行间接盈利)。
2、本站所有内容均由合作方或网友上传,本站不对文档的完整性、权威性及其观点立场正确性做任何保证或承诺!文档内容仅供研究参考,付费前请自行鉴别。
3、如文档内容存在违规,或者侵犯商业秘密、侵犯著作权等,请点击“违规举报”。

碎片内容

平行检查记录表

确认删除?
VIP
微信客服
  • 扫码咨询
会员Q群
  • 会员专属群点击这里加入QQ群
客服邮箱
回到顶部