电脑桌面
添加小米粒文库到电脑桌面
安装后可以在桌面快捷访问

模板工序质量报验资料VIP免费

模板工序质量报验资料_第1页
1/4
模板工序质量报验资料_第2页
2/4
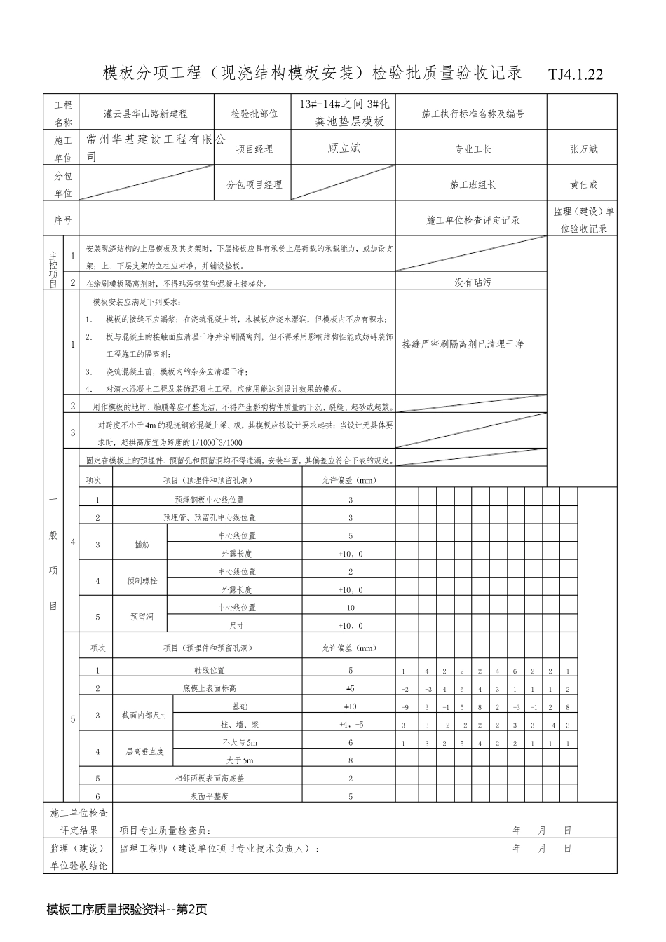
工序质量报验单(通用) 工程名称:灌云县华山路新建工程 编号:A3.5 — 致: 连云港建明达建设监理有限公司 (监理单位) 兹报验: □ 1 地基与基础 □ 2 主体结构 □ 3 建筑装饰与装修 □ 4 建筑屋面 □ 5 建筑节能 □ 6 道路工程 子分部/分项/检验批名称: 基础工程/模板安装 部位: 小区1#、2#、14#房南侧道路 验收时间: 2014.10.29 本次报验内容系第 1 次报验,本项目经理部已完成自检工作且资料完整, 并呈报相应资料。 承包单位项目经理部(章): 项目经理: 日期: 项目监理机构签收人姓名及时间 承包单位签收人姓名及时间 监理抽查数据及情况记录: 1、收到施工相应自评/检查资料和验收记录表共 页,收到时间: 监理审查意见: □ 可进行后续施工。 □ 核验未通过,不得进入下道工序施工,整改后再报。 项目监理机构(章): 专业监理工程师: 日期: 注:1、未经项目监理机构验收通过,承包单位不得进入下道工序施工。 2、承包单位项目经理部应提前提出本报验单,并给予配合。 江苏省建设厅监制 模 板 工 序 质 量 报 验 资 料 --第 1页模 板 工 序 质 量 报 验 资 料 --第 1页 模板分项工程(现浇结构模板安装)检验批质量验收记录 TJ4.1.22 工程名称 灌云县华山路新建程 检验批部位 13#-14#之间3#化粪池垫层模板 施工执行标准名称及编号 施工单位 常州华基建设工程有限公司 项目经理 顾立斌 专业工长 张万斌 分包单位 分包项目经理 施工班组长 黄仕成 序号 施工单位检查评定记录 监理(建设)单位验收记录 主控项目 1 安装现浇结构的上层模板及其支架时,下层楼板应具有承受上层荷载的承载能力,或加设支架;上、下层支架的立柱应对准,并铺设垫板。 2 在涂刷模板隔离剂时,不得玷污钢筋和混凝土接槎处。 没有玷污 一 般 项 目 1 模板安装应满足下列要求: 1. 模板的接缝不应漏浆;在浇筑混凝土前,木模板应浇水湿润,但模板内不应有积水; 2. 板与混凝土的接触面应清理干净并涂刷隔离剂,但不得采用影响结构性能或妨 碍 装饰工程施工的隔离剂; 3. 浇筑混凝土前,模板内的杂 务 应清理干净; 4. 对清水混凝土工程及装饰 混凝土工程,应使 用能达 到 设计 效 果 的模板。 接缝严 密 刷隔离剂已 清理干净 2 用作 模板的地 坪 、胎 膜 等 应平 整 光 洁 ,不得产 生 影响构件 ...

1、当您付费下载文档后,您只拥有了使用权限,并不意味着购买了版权,文档只能用于自身使用,不得用于其他商业用途(如 [转卖]进行直接盈利或[编辑后售卖]进行间接盈利)。
2、本站所有内容均由合作方或网友上传,本站不对文档的完整性、权威性及其观点立场正确性做任何保证或承诺!文档内容仅供研究参考,付费前请自行鉴别。
3、如文档内容存在违规,或者侵犯商业秘密、侵犯著作权等,请点击“违规举报”。

碎片内容

模板工序质量报验资料

您可能关注的文档

确认删除?
VIP
微信客服
  • 扫码咨询
会员Q群
  • 会员专属群点击这里加入QQ群
客服邮箱
回到顶部