电脑桌面
添加小米粒文库到电脑桌面
安装后可以在桌面快捷访问

2025年质量安全交叉检查方案VIP免费

2025年质量安全交叉检查方案_第1页
1/9
2025年质量安全交叉检查方案_第2页
2/9
2025年质量安全交叉检查方案_第3页
3/9
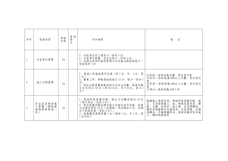
工程部 12 月交叉检查方案 各在建项目部:根据工程部 12 月工作计划,将组织对各项目部安全、质量、技术管理工作进行交叉大检查。交叉大检查既是各项目部互相学习沟通、讨论施工管理重点、难点的平台,又是项目部展示本身项目管理强项及特点、交流经验的平台,能起到服务本项目部管理的正能量作用,请各项目部做好迎接检查的准备工作。检查时各项目部要恪守检查时间规定,参查人员不准时到场或早退,当月考核扣 5 分,特殊状况需事先向工程部经理请假,无假不到,按以上纪律解决。检查规定:本次交叉大检查本着实事求是协助项目部发现问题,解决问题,复查关闭问题的原则进行,对发现问题均采用整治告知解决。如涉及明显质量安全问题、公司质量改善方法未实施、作业人员违规违章行为、严重违规施工的,一律按公司有关制度进行处分;本次检查总分 100 分,安全、质量板块各 40%,技术板块20%,检查总在分 90 分以上,项目部当月考核加 5 分,65 分下列,项目部当月考核扣 5 分。检查人员必须实施求是,认真负责检查考核,否则当月绩效考核扣 5 分。人员构成:根据各项目部施工现场实际状况,本次交叉大检查规定参加的项目部有:第一、三、八、拉菲 2-1 项目部,金沙家园项目部只派人参加检查,其它项目部根据本身状况自愿参加。工程部由各安全、质量、技术监管员和检测员构成。各项目部检查人员由项目部经理或副经理(技术负责人),安全主管、质量主管,1 名质量员累计 4 人构成。检查时间:12.21-22,上午 8:30-12:00,下午 2:00-5:30项目部第一项目部第三项目部第八项目部拉菲 2-1 项目部检查时间12 月 21 日上午12 月 22 日上午12 月 21 日下午12 月 22 日下午检查内容:1、质量板块检查内容序号 检查内容考核分质考 核得 分 评分细则备 注1 分包单位管理201、分包单位开工报告少一份扣 5 分;2、分包单位质量、安全交底少一份扣 2 分;3、未按分包单位验收管理方法实施过程验收每少一份验收扣 3 分2 施工过程管理301、普通工序报验签字完善(好 5 分、中 3 分、差1 分)2、重要工序、样板报验报验占 15 分,每少一份扣 5分。3、项目过程质量控制资料与否齐全完整,检查问题与否关闭占 10 分(好 8-10 分、中 5-8 分、差 0-5分)评价好--资料收集完整,有目录可查评价中--资料收集 80%以上完整,有目录可查评价差--资料收集 60%以上完整,有目录可查不得分--资料收集 6...

1、当您付费下载文档后,您只拥有了使用权限,并不意味着购买了版权,文档只能用于自身使用,不得用于其他商业用途(如 [转卖]进行直接盈利或[编辑后售卖]进行间接盈利)。
2、本站所有内容均由合作方或网友上传,本站不对文档的完整性、权威性及其观点立场正确性做任何保证或承诺!文档内容仅供研究参考,付费前请自行鉴别。
3、如文档内容存在违规,或者侵犯商业秘密、侵犯著作权等,请点击“违规举报”。

碎片内容

2025年质量安全交叉检查方案

您可能关注的文档

确认删除?
VIP
微信客服
  • 扫码咨询
会员Q群
  • 会员专属群点击这里加入QQ群
客服邮箱
回到顶部