电脑桌面
添加小米粒文库到电脑桌面
安装后可以在桌面快捷访问

2025年公司公务车管理办法VIP免费

2025年公司公务车管理办法_第1页
1/3
2025年公司公务车管理办法_第2页
2/3
2025年公司公务车管理办法_第3页
3/3
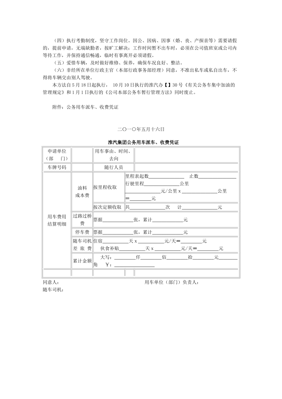
公司公务车管理方法 为加强公司公务车辆管理,提高使用效率,更加好地为生产经营服务,现对公司公务车辆的管理制订以下方法: 一、公务车辆的调配和使用原则 配备公务车的单位,应安排专人管理和调配车辆,确保公务用车,提高工作效率。公司本部公务车,由行政事务部统一调配,在正常工作时间内,应安排一部值班车辆在公司待命,确保公司领导工作用车;在上、下班时间,没有业务用车的前提下,尽量确保公司领导用车。 二、公务用车的申请范畴 因下列状况可申请用车: (一)到外地出差; (二)存取大额款项; (三)购置大宗办公用品; (四)为维护我司的业内秩序和公司利益,配合行业主管部门实施路查或商务需要的; (五)员工遇有紧急状况或有其它公务等需要用车的。 三、本部公务车使用的申请和派车程序 (一)各分、子公司凡可预见的市外公务用车,需要使用公司本部公务车的,应提前 1 天向行政事务部申请,填写《淮汽集团公务用车派车、收费凭证》,经行政事务部同意后派车。 (二)各分、子公司市内公务用车,需要使用公司本部公务车的,应尽量提前向行政事务部申请,由行政事务部酌情安排并做好用车登记。 (三)公司本部各部室市内、市外用车均实施登记制度,由用车部室负责人向行政事务部提出申请,登记后派车。 (四)车辆差遣由行政事务部经理负责。若经理不在岗,则由秘书协办。 四、本部公务车使用的费用计算与收取 (一)各分、子公司在市内因公申请使用公司本部公务车的,根据里程收取费用,按 0.80元/公里收取,或根据用油量酌情按次定额收取,每次收取 20 至 50 元;市外用车,除根据 1元/公里的里程收取油料成本费用外,另应按实承当过路过桥费、停车费和随车驾驶员差旅费等有关成本费用。 (二)本部部室公务用车不收取费用。客运经营部处室的市内用车,视同本部部室用车,按照本部部室用车程序派车,但油料成本费可按里程计收,也可根据用油量酌情按次或按月定额收取。 (三)对于收取车辆使用单位成本费用的,由用车单位负责人填写《淮汽集团公务用车派车、收费凭证》(见附件),经行政事务部同意后派车,车辆回程后交随车驾驶员,如实填写车辆行驶里程。市外费用由随车驾驶员先行垫付,酌情每七天或每月批报一次。用车结束后,由行政事务部办理费用转账手续。 (四)随车驾驶员市外差旅费的报销原则,根据公司基本管理制度规定,按出差人员中职务最高者的差旅费原则执行。 五、本部公务车...

1、当您付费下载文档后,您只拥有了使用权限,并不意味着购买了版权,文档只能用于自身使用,不得用于其他商业用途(如 [转卖]进行直接盈利或[编辑后售卖]进行间接盈利)。
2、本站所有内容均由合作方或网友上传,本站不对文档的完整性、权威性及其观点立场正确性做任何保证或承诺!文档内容仅供研究参考,付费前请自行鉴别。
3、如文档内容存在违规,或者侵犯商业秘密、侵犯著作权等,请点击“违规举报”。

碎片内容

2025年公司公务车管理办法

静心书店+ 关注
实名认证
内容提供者

专注于各类考试试卷和真题。

确认删除?
VIP
微信客服
  • 扫码咨询
会员Q群
  • 会员专属群点击这里加入QQ群
客服邮箱
回到顶部