电脑桌面
添加小米粒文库到电脑桌面
安装后可以在桌面快捷访问

S7200_SMART系统手册VIP免费

S7200_SMART系统手册_第1页
1/7
S7200_SMART系统手册_第2页
2/7
S7200_SMART系统手册_第3页
3/7
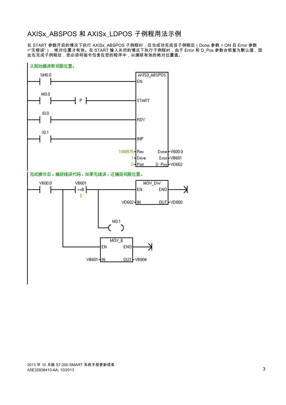
© Siemens AG 2013. 保 留 所 有 权 利 A5E32938410-AA, 10/2013 1 SIMATIC S7-200 SMART 2013 年 10 月 版 S7-200 SMART 系 统 手 册 更 新 信 息 产 品 信 息 S7-200 SMART 文 档 更 新 概 述 尽 管 我 们 力 求 确 保 产 品 文 档 条 理 清 楚 与 准 确 无 误 , 但 《 S7-200 SMART 系 统 手 册 》 中 的 一 些 页 面 仍 包 含 不 完 整 、不 正 确 或 误导 性 的 信 息 。 使 用 AXISx_ABSPOS 子 例 程 从 SINAMICS V90 伺 服 驱 动 器 读 取 绝 对位 置 以 下 几 部 分 提 供 了 如 何 在 项 目 中 使 用 AXISx_ABSPOS 子 例 程 从 SINAMICS V90 伺 服 驱 动 器 读 取 绝 对 位 置 的 更 多 信 息 : ● AXISx_ABSPOS 子例程 (页 1) ● 用法示例 (页 3) ● 互连详细信息 (页 4) ● 影响互操作性的调试问题 (页 4) AXISx_ABSPOS 子 例 程 当 您 在 “从 驱 动 器 读 取 绝 对 位 置 ”(Read Absolute Position from Drive) 对 话 框 中 选 中 “启 用 ”(Enabled) 复 选 框 并 单 击 “生成 ”(Generate) 按 钮 以 构 建 向 导 生 成 的 子 例 程 时 , STEP 7-Micro/WIN SMART 的 运 动 控 制 向 导 将 创 建 AXISx_ABSPOS 子 例程 。 2013 年 10 月版 S7-200 SMART 系统手册更新信息 2 A5E32938410-AA, 10/2013 AXISx_ABSPOS 子例程的接口和参数说明如下所示: LAD/FBD STL CALL AXISx_ABSPOS, START, RDY, INP, Res, Drive, Port, Done, Error, D_Pos 输入/输出 数据类型 说明 EN BOOL 开启 EN 输入位会启用此子例程。确保 EN 位保持开启,直至 DONE 位指示子例程执行已经完成。 START BOOL 开启 START 输入参数可通过指定的伺服驱动器获取当前绝对位置。 为了确保一次仅执行一项当前位置读取操作,请使用边沿检测元素以脉冲方式开启 START 参数。 RDY BOOL RDY 输入参数指示伺服驱动器处于就绪状态,而该状态通常通过驱动器的数字输出信号提供。仅当该参数开启时,此例程才会通过驱动器读取绝对位置。 INP BOOL INP 输入参数指示电机处于静止状态,而该状态通常通过驱动器的数字输出信号提供。仅当该参数开启时,此例程...

1、当您付费下载文档后,您只拥有了使用权限,并不意味着购买了版权,文档只能用于自身使用,不得用于其他商业用途(如 [转卖]进行直接盈利或[编辑后售卖]进行间接盈利)。
2、本站所有内容均由合作方或网友上传,本站不对文档的完整性、权威性及其观点立场正确性做任何保证或承诺!文档内容仅供研究参考,付费前请自行鉴别。
3、如文档内容存在违规,或者侵犯商业秘密、侵犯著作权等,请点击“违规举报”。

碎片内容

S7200_SMART系统手册

您可能关注的文档

确认删除?
VIP
微信客服
  • 扫码咨询
会员Q群
  • 会员专属群点击这里加入QQ群
客服邮箱
回到顶部