电脑桌面
添加小米粒文库到电脑桌面
安装后可以在桌面快捷访问

S7200指令大全VIP免费

S7200指令大全_第1页
1/65
S7200指令大全_第2页
2/65
S7200指令大全_第3页
3/65
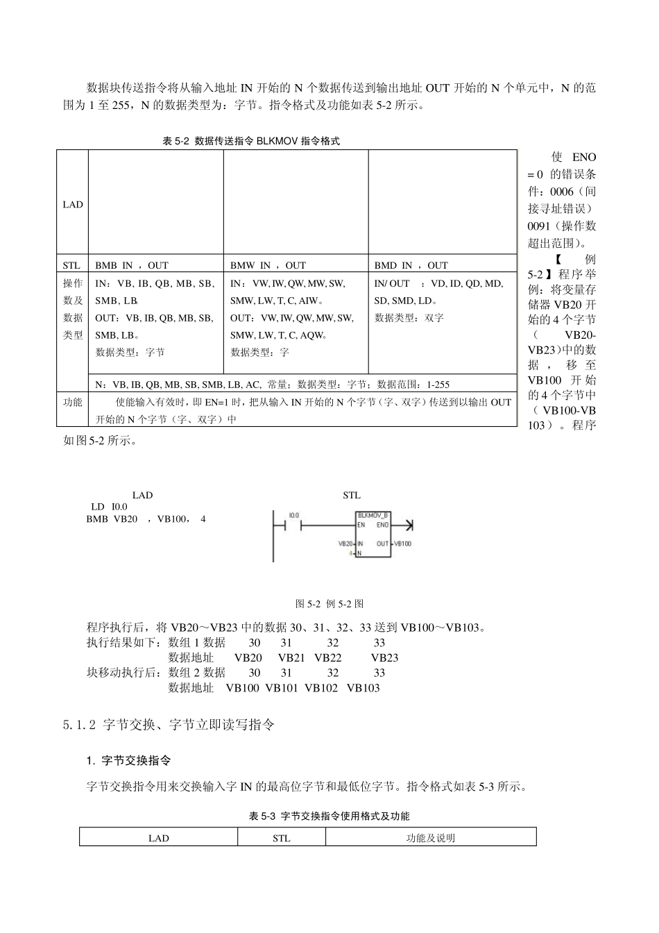
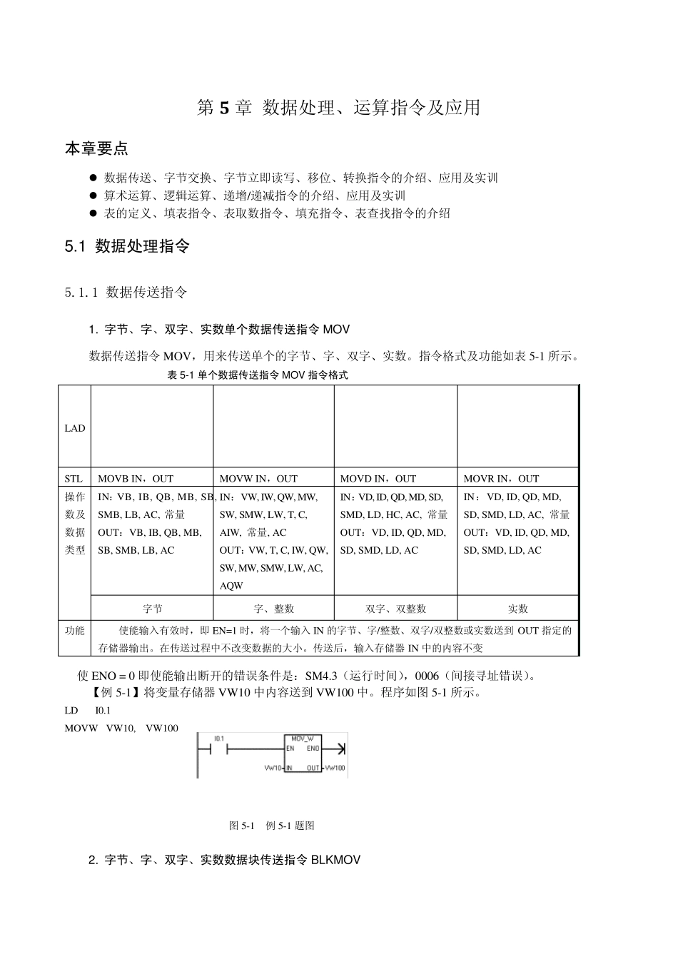
第5 章 数据处理、运算指令及应用 本章要点  数据传送、字节交换、字节立即读写、移位、转换指令的介绍、应用及实训  算术运算、逻辑运算、递增/递减指令的介绍、应用及实训  表的定义、填表指令、表取数指令、填充指令、表查找指令的介绍 5.1 数据处理指令 5.1.1 数据传送指令 1. 字节、字、双字、实数单个数据传送指令MOV 数据传送指令 MOV,用来传送单个的字节、字、双字、实数。指令格式及功能如表 5-1 所示。 表 5-1 单个数据传送指令MOV指令格式 使 ENO = 0 即使能输出断开的错误条件是:SM4.3(运行时间),0006(间接寻址错误)。 【例 5-1】将变量存储器 VW 10 中内容送到 VW 100 中。程序如图 5-1 所示。 LD I0.1 MOVW VW 10, VW 100 图 5-1 例 5-1 题图 2. 字节、字、双字、实数数据块传送指令BLKMOV LAD STL MOVB IN,OUT MOVW IN,OUT MOVD IN,OUT MOVR IN,OUT 操作数及数据类型 IN:VB, IB, QB, MB, SB, SMB, LB, AC, 常量 OUT:VB, IB, QB, MB, SB, SMB, LB, AC IN:VW , IW , QW , MW , SW , SMW , LW , T, C, AIW , 常量, AC OUT:VW , T, C, IW , QW , SW , MW , SMW , LW , AC, AQW IN:VD, ID, QD, MD, SD, SMD, LD, HC, AC, 常量 OUT:VD, ID, QD, MD, SD, SMD, LD, AC IN:VD, ID, QD, MD, SD, SMD, LD, AC, 常量 OUT:VD, ID, QD, MD, SD, SMD, LD, AC 字节 字、整数 双字、双整数 实数 功能 使能输入有效时,即 EN=1 时,将一个输入 IN 的字节、字/整数、双字/双整数或实数送到 OUT 指定的存储器输出。在传送过程中不改变数据的大小。传送后,输入存储器 IN 中的内容不变 数据块传送指令将从输入地址IN 开始的N 个数据传送到输出地址OUT 开始的N 个单元中,N 的范围为1 至255,N 的数据类型为:字节。指令格式及功能如表5-2 所示。 表5-2 数据传送指令BLKMOV指令格式 使ENO = 0 的错误条件:0006(间接寻址错误)0091(操作数超出范围)。 【例5-2】程序举例:将变量存储器VB20 开始的4 个字节(VB20- VB23)中的数据,移至VB100 开始的4 个字节中(VB100-VB103)。程序如图5-2 所示。 LAD STL LD I0.0 BMB VB20 ,VB100, 4 图5-2 例5-2 图 程序执行后,将VB20~VB23 中的数据30、31、32、33 送...

1、当您付费下载文档后,您只拥有了使用权限,并不意味着购买了版权,文档只能用于自身使用,不得用于其他商业用途(如 [转卖]进行直接盈利或[编辑后售卖]进行间接盈利)。
2、本站所有内容均由合作方或网友上传,本站不对文档的完整性、权威性及其观点立场正确性做任何保证或承诺!文档内容仅供研究参考,付费前请自行鉴别。
3、如文档内容存在违规,或者侵犯商业秘密、侵犯著作权等,请点击“违规举报”。

碎片内容

S7200指令大全

您可能关注的文档

确认删除?
VIP
微信客服
  • 扫码咨询
会员Q群
  • 会员专属群点击这里加入QQ群
客服邮箱
回到顶部