电脑桌面
添加小米粒文库到电脑桌面
安装后可以在桌面快捷访问

samson阀门定位器4763型电气阀门定位器VIP免费

samson阀门定位器4763型电气阀门定位器_第1页
1/6
samson阀门定位器4763型电气阀门定位器_第2页
2/6
samson阀门定位器4763型电气阀门定位器_第3页
3/6
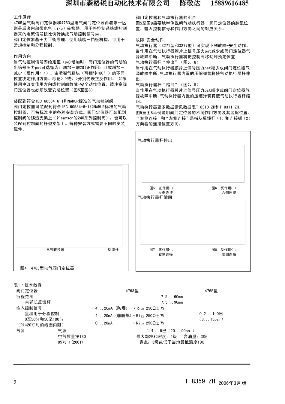
4763型电气阀门定位器 4765型气动阀门定位器 应用 单作用阀门定位器装配到气动控制阀并辅助实现准确定位,输入控制信号为4(0)至20mA或1至5mA标准电动信号(4763型)或0.2到1巴(3至15psi)的标准气动信号(4765型)。 额定行程7.5至90mm 阀门定位器作为气动控制阀的重要附件,接受控制系统或控制器输出的电动或气动控制信号,按预先设置关系辅助气动执行器调整阀位并实现准确定位。阀门定位器将输入控制信号(给定参数W)和控制阀位反馈信号(被调参数X)进行比较、处理,进而输出相应的气动控制信号pst(输出参数Y)给气动执行器。 特点 ·结构紧凑,维护量小 ·任意装配位置 ·不受机械振动影响; ·正反作用可调 ·良好的动态响应特性 ·适用常规或分程控制 ·可调比例/增益 ·可调输出气量; ·耗气低 ·特殊型可使用氧气气源 装配到符合IEC 60534-6标准的控制阀铸造支架或杆型支架上。 可供选择的两只压力表用于监测气源压力和输出信号压力,可选不锈钢外壳和镀镍接头的压力表,或全不锈钢压力表。 4765型气动阀门定位器也可以改变为电气阀门定位器。 类型 4763-0型(图1)·电气阀门定位器,用于非防爆区 4763-1型·电气阀门定位器,用于防爆区 输入电路为本安 II 2 G EEx ia IIC T6(按照ATEX) 4763-8型·电气阀门定位器,用于EEx nA“无火花” 场 所 4765/6116型(图3)·电气阀门定位器,带 6116型EEx d隔 爆电气转 换 器(图2,认 证 见 数据 表T 6116 EN) 4765型(图1)·气动阀门定位器,输入控制信号0.2至1巴或3至15psi (注 : 1巴〔 bar〕 =100kPa=0.1MPa;psi[磅 力/平 方 英 寸 ]为英美 压力单位,1psi=6.89kPa) 图3 4765/6116型Ex d隔 爆阀门定位器 安装在 符合IEC 60534-6-1/NAMUR标准的控制阀 固 定连 接在 标准规定的安装凸 缘 上 相关信息 表 T 8350 ZH 2006年 3月 版 数据 表 T 8359 ZH 图1 4763型/4765型阀门定位器 图2 6116型电气转 换 器(壳盖 已 打 开 ) 工作原理 4765型气动阀门定位器和4763型电气阀门定位器两者唯一区别是后者内部带电气(i/p)转换器,用于将控制系统或控制器来的电流信号按比例转换成气动控制信号pe。 阀门定位器基于力平衡原理,使用喷嘴-挡板机构。可用于常规控制和分程控制。 作用方向 当气动控制信号即给定值(pe)增加时,阀门定位器的气动输出信号压力pst可选择为:增加-增加(...

1、当您付费下载文档后,您只拥有了使用权限,并不意味着购买了版权,文档只能用于自身使用,不得用于其他商业用途(如 [转卖]进行直接盈利或[编辑后售卖]进行间接盈利)。
2、本站所有内容均由合作方或网友上传,本站不对文档的完整性、权威性及其观点立场正确性做任何保证或承诺!文档内容仅供研究参考,付费前请自行鉴别。
3、如文档内容存在违规,或者侵犯商业秘密、侵犯著作权等,请点击“违规举报”。

碎片内容

samson阀门定位器4763型电气阀门定位器

小辰4+ 关注
实名认证
内容提供者

出售各种资料和文档

确认删除?
VIP
微信客服
  • 扫码咨询
会员Q群
  • 会员专属群点击这里加入QQ群
客服邮箱
回到顶部