电脑桌面
添加小米粒文库到电脑桌面
安装后可以在桌面快捷访问

SDR基站故障排查案例打印VIP免费

SDR基站故障排查案例打印_第1页
1/10
SDR基站故障排查案例打印_第2页
2/10
SDR基站故障排查案例打印_第3页
3/10
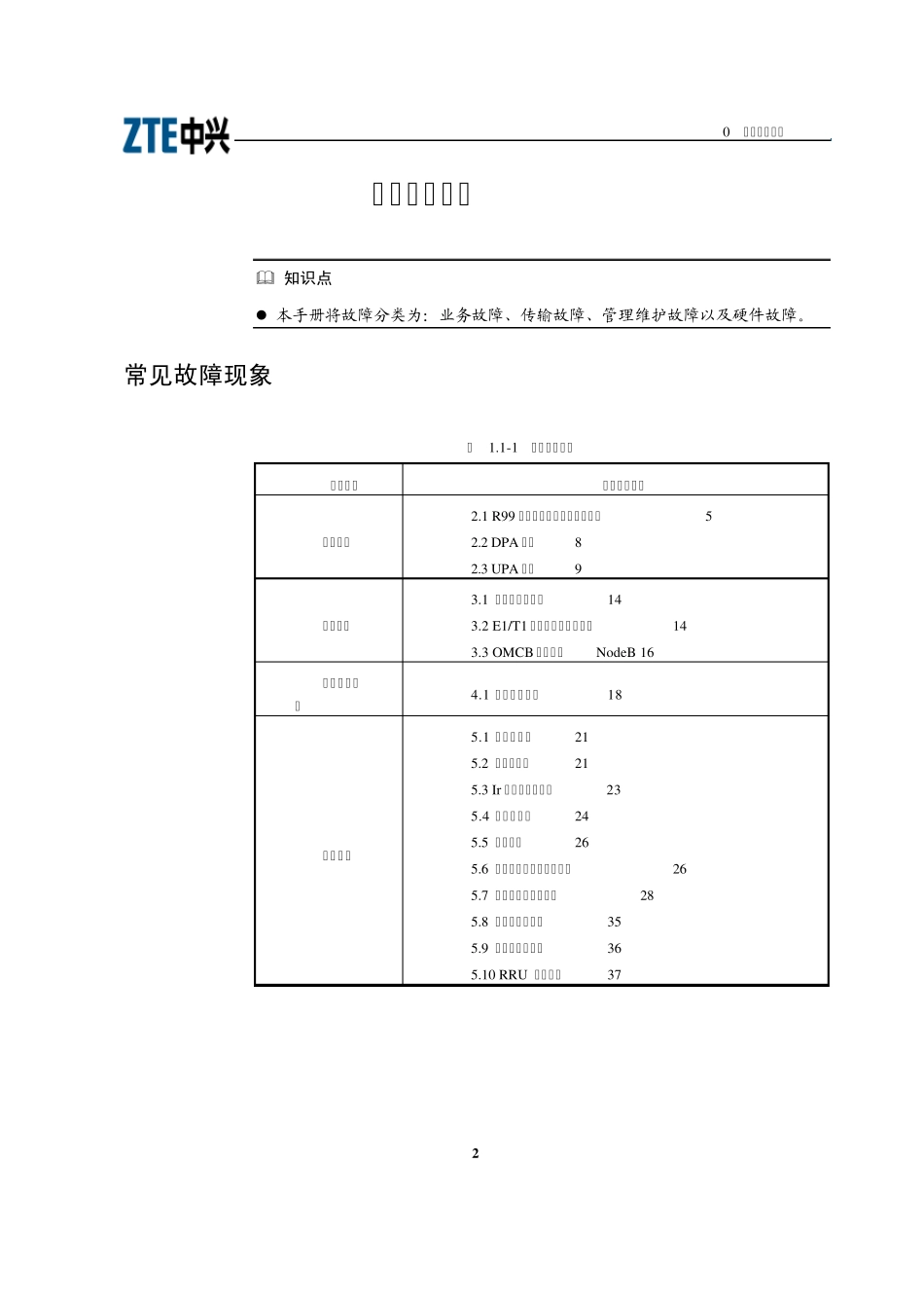
1 NODEB 故障排查指导手册 0 常见故障现象 2 常见故障现象  知识点  本手册将故障分类为:业务故障、传输故障、管理维护故障以及硬件故障。 常见故障现象 表 1.1-1 常见故障现象 故障分类 故障表现形式 业务故障 2.1 R99 业务以及公共资源相关问题 5 2.2 DPA 业务 8 2.3 UPA 业务 9 传输故障 3.1 以太网传输故障 14 3.2 E1/T1 传输相关的典型告警 14 3.3 OMCB 无法接入NodeB 16 管理维护故障 4.1 版本加载异常 18 硬件故障 5.1 防雷器故障 21 5.2 环境温度高 21 5.3 Ir光口光信号丢失 23 5.4 设备温度高 24 5.5 时钟告警 26 5.6 时钟参考源降质相关故障 26 5.7 时钟参考源相关故障 28 5.8 室内防雷箱故障 35 5.9 室外防雷箱故障 36 5.10 RRU 工作异常 37 0 传输方面 3 传输方面 以太网传输故障 SCTP 链路异常 【问题现象】 SCTP 异常告警 【常见原因】 1 配置异常:如SCTP 对应RNC IP 配置错误或者VLAN 配置错误 2 网线接口错误, IP over E1 配置时跳线或接线错误 3 传输承载网异常 4 RNC 问题 【处理步骤】 1. 首先检查硬件连接是否正常。 2. 检查参数配置是否正确(包括FE、 全局port、 IP、 route、 SCTP 参数、SCTP 流参数等)。 1) FE 传输时确认是否使用VLAN,使用VLAN 情况下vlanid 配置是否正确; 2) PPP 使用方式下确保E1/T1 传输参数与对端一致以及E1 跳线是否正确; 3) RNC 与 NodeB SCTP 参数是否一致; 4) RNC 与 Nodeb SCTP 流配置的NCP、 CCP 承载方式是否一致; 3. 查看SCTP 建链是否成功:通过LMT 查看是否有SCTP 断连告警或者通过SCTP 信令观察查看是否进入了数据收发状态。 E1/T1 传输相关的典型告警 E1/T1 LOS alarm 【问题现象】 0 传输方面 4 LOS (Los s of Signal) 电信号丢失,接收端在连续的周期内没有检测到线路脉冲或者检测不到逻辑1,就会上报LOS 告警。通常是因为E1/T1 物理线路Rx 故障或者断开,检测不到对端线路信号。 【处理步骤】 检测E1 线路物理状态。 1. SA 板是否插牢固; 2. E1 转接头是否松动; 3. 转接头插针是否整齐完好,有无歪针、断针; 4. E1 线路对接处接头有无损坏,和对端接触是否良好; 5. E1 传输布线是否符合工程规范,有无承受外力; 6. 用 E1 自环线环回故障线路,如果告警恢复,检查对...

1、当您付费下载文档后,您只拥有了使用权限,并不意味着购买了版权,文档只能用于自身使用,不得用于其他商业用途(如 [转卖]进行直接盈利或[编辑后售卖]进行间接盈利)。
2、本站所有内容均由合作方或网友上传,本站不对文档的完整性、权威性及其观点立场正确性做任何保证或承诺!文档内容仅供研究参考,付费前请自行鉴别。
3、如文档内容存在违规,或者侵犯商业秘密、侵犯著作权等,请点击“违规举报”。

碎片内容

SDR基站故障排查案例打印

您可能关注的文档

确认删除?
VIP
微信客服
  • 扫码咨询
会员Q群
  • 会员专属群点击这里加入QQ群
客服邮箱
回到顶部