电脑桌面
添加小米粒文库到电脑桌面
安装后可以在桌面快捷访问

SHE管理体系清单VIP免费

SHE管理体系清单_第1页
1/16
SHE管理体系清单_第2页
2/16
SHE管理体系清单_第3页
3/16
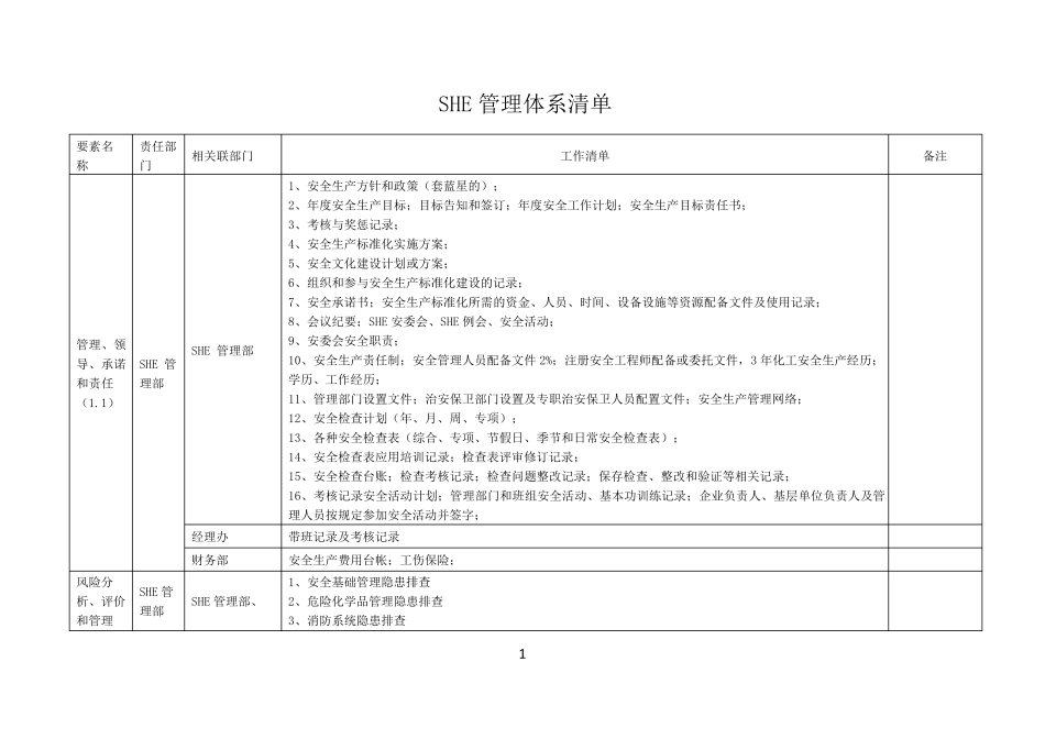
1 SHE 管理体系清单 要素名称 责任部门 相关联部门 工作清单 备注 管理、领导、承诺和责任(1.1) SHE 管理部 SHE 管理部 1、安全生产方针和政策(套蓝星的); 2、年度安全生产目标;目标告知和签订;年度安全工作计划;安全生产目标责任书; 3、考核与奖惩记录; 4、安全生产标准化实施方案; 5、安全文化建设计划或方案; 6、组织和参与安全生产标准化建设的记录; 7、安全承诺书;安全生产标准化所需的资金、人员、时间、设备设施等资源配备文件及使用记录; 8、会议纪要;SHE 安委会、SHE 例会、安全活动; 9、安委会安全职责; 10、安全生产责任制;安全管理人员配备文件 2%;注册安全工程师配备或委托文件,3 年化工安全生产经历;学历、工作经历; 11、管理部门设置文件;治安保卫部门设置及专职治安保卫人员配置文件;安全生产管理网络; 12、安全检查计划(年、月、周、专项); 13、各种安全检查表(综合、专项、节假日、季节和日常安全检查表); 14、安全检查表应用培训记录;检查表评审修订记录; 15、安全检查台账;检查考核记录;检查问题整改记录;保存检查、整改和验证等相关记录; 16、考核记录安全活动计划;管理部门和班组安全活动、基本功训练记录;企业负责人、基层单位负责人及管理人员按规定参加安全活动并签字; 经理办 带班记录及考核记录 财务 部 安全生产费 用台帐 ;工伤 保险 ; 风 险 分析 、评价和管理SHE 管理部 SHE 管理部、 1、安全基础 管理隐 患 排 查 2、危 险 化学品 管理隐 患 排 查 3、消 防 系统 隐 患 排 查 2 (2.1) 4、储运系统隐患排查 5、建立档案。 6、组织各单位建立各类管理台账以及检查台账。 7、建立联系人、安全第一责任人。 8、重大危险源当地政府备【案重大危险源建立台账(6 项)、档案(11 项)】 关键装置、重点部位台账;企业领导干部联系点管理机制;关键装置和重点部位的联系人以及联系人的职责及考核要求;监督指导有关记录;联系点活动记录; 9、建立档案。 10、组织各单位建立各类管理台账以及检查台账。 11、建立联系人、安全第一责任人。 12、评审 1 次/3 年(委托有资质评价公司) 各单位 1、重大危险源单位建立台账(6 项)、档案(11 项) 2、关键装置、重点部位单位建立关键装置、重点部位台账;企业领导干部联系点管理机制;关键装置和重点部位的联系人以及联系人的职责及...

1、当您付费下载文档后,您只拥有了使用权限,并不意味着购买了版权,文档只能用于自身使用,不得用于其他商业用途(如 [转卖]进行直接盈利或[编辑后售卖]进行间接盈利)。
2、本站所有内容均由合作方或网友上传,本站不对文档的完整性、权威性及其观点立场正确性做任何保证或承诺!文档内容仅供研究参考,付费前请自行鉴别。
3、如文档内容存在违规,或者侵犯商业秘密、侵犯著作权等,请点击“违规举报”。

碎片内容

SHE管理体系清单

小辰+ 关注
实名认证
内容提供者

出售各种文档和资料

确认删除?
VIP
微信客服
  • 扫码咨询
会员Q群
  • 会员专属群点击这里加入QQ群
客服邮箱
回到顶部