电脑桌面
添加小米粒文库到电脑桌面
安装后可以在桌面快捷访问

主要润滑油品种VIP免费

主要润滑油品种_第1页
1/7
主要润滑油品种_第2页
2/7
主要润滑油品种_第3页
3/7
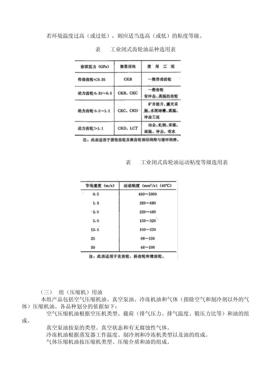
主 要 润 滑 油 品 种 ( 一 ) A组 ( 全 损 耗 系 统 ) 用 油 L类 产 品 分 为 19组 , 其 中 A组 油 用 于 全 损 耗 系 统 , 但 用 于 全 损 耗 系 统 的 油 并 非 唯 独 A组油 , 还 有 D组 中 往 复 式 压 缩 机 用 油 , G组 导 轨 油 , P组 风 动 工 具 用 油 和 Z组 蒸 汽 汽 缸 用 油 等 , 都是 全 损 耗 系 统 用 油 。 我 国 将 L类 A组 产 品 划 分 为 AB、 AN和 AY三 个 品 种 。 L-AB油 是 由 精 制 矿 油 制 得 , 并 含 有 沥 青 或 添 加 剂 以 改 善 其 粘 附 性 、 极 压 性 和 抗 腐 蚀 性 ,主 要 用 于 开 式 齿 轮 和 绳 缆 表 面 的 润 滑 。 L-AB油 与 C组 中 L-CKJ开 式 齿 轮 油 相 近 , 可 以 互 用 , 所以 我 国 不 生 产 L-AB油 。 L-AN油 是 由 精 制 矿 油 制 得 , 也 可 加 入 少 量 降 凝 剂 , 按 其 40℃ 运 动 粘 度 的 中 心 值 分 为5~150( 见 表 12-4) 十 个 粘 度 等 级 。 它 主 要 用 于 轻 载 、 老 式 、 普 通 机 械 的 全 损 耗 润 滑 系 统 或 换 油 周期 较 短 的 油 浴 式 润 滑 系 统 , 它 不 适 用 于 循 环润 滑 系 统 。 L-AY油 是 一 种 未精 制 矿 油 , 其 凝 点低, 有 时为 了提高附 着性 能还 加 有 抽出油 ( 精 制 润 滑油 过程中 的 副产 品 ) 。 它 适 用 于 铁路货车滑 动 轴承的 润 滑 , 分 冬用 、 夏用 和 通 用 三 个 粘 度 等 级 ,专供铁道部门使用 。 ( 二) C组 ( 齿 轮 ) 用 油 1.齿 轮 润 滑 的 特点 1)齿 轮 轮 齿 啮合点形成油 楔条件差, 且滑 动 方向和 大小急剧变化, 故极 易发生 擦伤和 胶合。 2)齿 轮 轮 齿 啮合点接触应力极 高, 如双曲线齿 轮 的 齿 面 应力可 达1~ 4GPa。 3)齿 面 加 工 精 度 不 高, 润 滑 是 断续性 的 。 4)润 滑 对齿 轮 失效有 较 大影响。 2.C组 用 油 应具 备的 性 能 C组 用 油 应具 备的 性 能为 适 当的 粘 度 , 良好的 热安定性 和 氧化安定性 ...

1、当您付费下载文档后,您只拥有了使用权限,并不意味着购买了版权,文档只能用于自身使用,不得用于其他商业用途(如 [转卖]进行直接盈利或[编辑后售卖]进行间接盈利)。
2、本站所有内容均由合作方或网友上传,本站不对文档的完整性、权威性及其观点立场正确性做任何保证或承诺!文档内容仅供研究参考,付费前请自行鉴别。
3、如文档内容存在违规,或者侵犯商业秘密、侵犯著作权等,请点击“违规举报”。

碎片内容

主要润滑油品种

确认删除?
VIP
微信客服
  • 扫码咨询
会员Q群
  • 会员专属群点击这里加入QQ群
客服邮箱
回到顶部