电脑桌面
添加小米粒文库到电脑桌面
安装后可以在桌面快捷访问

乳化沥青试验报告VIP免费

乳化沥青试验报告_第1页
1/6
乳化沥青试验报告_第2页
2/6
乳化沥青试验报告_第3页
3/6
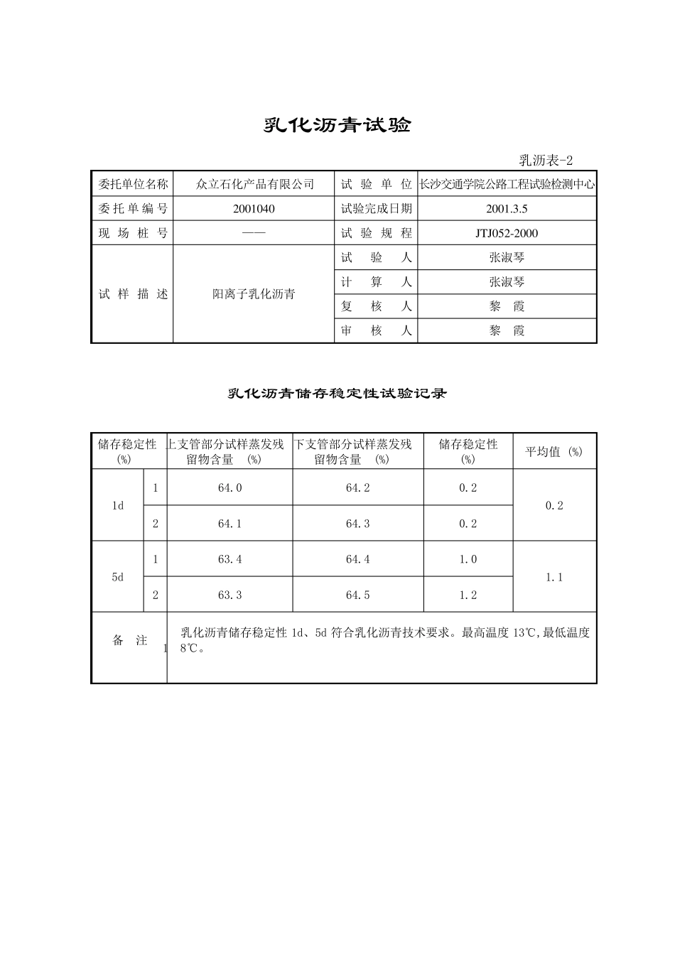
乳化沥青试验 乳沥表-1 委托单位名称 众立石化产品有限公司 试验单位 长沙交通学院公路工程试验检测中心 委托单编号 2001040 试验完成日期 2001.3.2 现场桩号 —— 试验规 程 JT J052-2000 试样 描 述 阳离子乳化沥青 试验人 张淑琴 计算人 张淑琴 复核人 黎 霞 审核人 黎 霞 乳化沥青蒸发残留物含量试验记录 试验次数 乳化沥青质量 (g) 蒸发残留物质量 (g) 沥青含量 (%) 平均值 (%) 1 300.1 192.2 64.0 64.0 2 300.0 192.3 64.1 备 注 符合乳化沥青技术要求。 乳化沥青筛上剩余量试验记录 试验次数 乳化沥青质量 (g) 筛上残留物质量 (g) 筛上残留物含量 (%) 平均值 (%) 1 501.2 0.80 0.16 0.2 2 500.0 0.75 0.15 备 注 符合乳化沥青技术要求。 乳化沥青试验 乳沥表-2 委托单位名称 众立石化产品有限公司 试验单位 长沙交通学院公路工程试验检测中心 委托单编号 2001040 试验完成日期 2001.3.5 现场桩号 —— 试验规 程 JT J052-2000 试样 描 述 阳离子乳化沥青 试验人 张淑琴 计算人 张淑琴 复核人 黎 霞 审核人 黎 霞 乳化沥青储存稳定性试验记录 储存稳定性(%) 上支管部分试样蒸发残留物含量 (%) 下支管部分试样蒸发残 留物含量 (%) 储存稳定性 (%) 平均值 (%) 1d 1 64.0 64.2 0.2 0.2 2 64.1 64.3 0.2 5d 1 63.4 64.4 1.0 1.1 2 63.3 64.5 1.2 备 注 乳化沥青储存稳定性 1d、5d 符合乳化沥青技术要求。最高温度 13℃,最低温度1 8℃。 乳 化 沥 青 试 验 乳沥表-3 委托单位名称 众立石化产品有限公司 试验单位 长沙交通学院公路工程试验检测中心 委托单编号 2001040 试验完成日期 2001.3.1 现场桩号 —— 试验规 程 JT J052-2000 试样 描 述 阳离子乳化沥青 试验人 张淑琴 计算人 张淑琴 复核人 黎 霞 审核人 黎 霞 乳化沥青蒸发残留物性质试验记录 试 验 项 目 试 验 结 果 平均 规 范 要 求 备 注 残 留 物 性 质 针 入 度 (0.1mm) (100g,25℃, 5S) 1 94.4 94.0 80~300 符合乳化沥青技术要求. 2 95.7 3 91.8 残 留 物 性 质 延 度 (25℃,cm) 1 142.0 145.0 —— —— 2 145.0 3 148.0 溶 解 度 (三氯乙烯,%) 1 98.8 98.7 >97.5 符合乳化沥青技术要求. 2 98.6 乳化沥青恩格拉粘度试验...

1、当您付费下载文档后,您只拥有了使用权限,并不意味着购买了版权,文档只能用于自身使用,不得用于其他商业用途(如 [转卖]进行直接盈利或[编辑后售卖]进行间接盈利)。
2、本站所有内容均由合作方或网友上传,本站不对文档的完整性、权威性及其观点立场正确性做任何保证或承诺!文档内容仅供研究参考,付费前请自行鉴别。
3、如文档内容存在违规,或者侵犯商业秘密、侵犯著作权等,请点击“违规举报”。

碎片内容

乳化沥青试验报告

您可能关注的文档

确认删除?
VIP
微信客服
  • 扫码咨询
会员Q群
  • 会员专属群点击这里加入QQ群
客服邮箱
回到顶部