电脑桌面
添加小米粒文库到电脑桌面
安装后可以在桌面快捷访问

幼儿园--学校消防安全隐患排查表VIP免费

幼儿园--学校消防安全隐患排查表_第1页
1/4
幼儿园--学校消防安全隐患排查表_第2页
2/4
幼儿园--学校消防安全隐患排查表_第3页
3/4
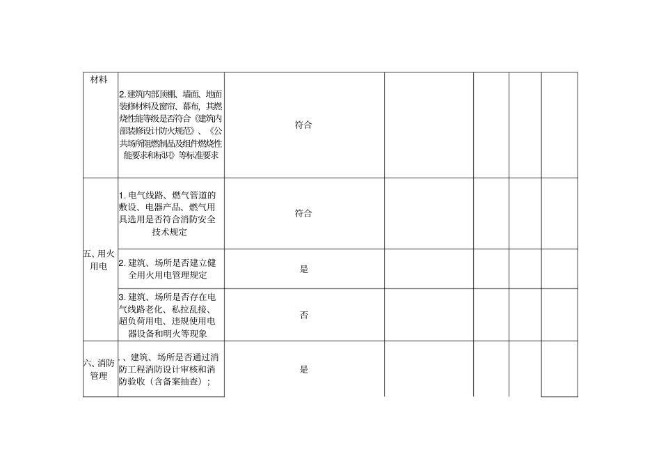
益阳市学校消防安全隐患排查整改表单位 :四季红镇小学单位负责人:谢焕家填报时间: 2017 年 12 月 1 日项目具体排查要求自查存在隐患整改措施整改期限责任人备注一、消防安全布局1. 建筑、场所周边公共消防设施是否满足灭火救援实际需要是2. 消防车通道是否畅通并符合登高作业等使用要求是3. 建筑、场所的外墙、门窗是否设置影响逃生和灭火救援的障碍物无障碍二、消防通道安全出口1. 建筑、场所疏散通道和安全出口是否畅通是畅通2. 宿舍进出通道口是否安装消防门有3. 防烟、封闭楼梯是否正常,疏散指示和应急照明是否正常正常三、消防设施1. 自动喷水灭火系统、火灾自动报警系统、防烟排烟系统、消防泵房、消防水池等消防设施是否正常运行2. 室内外消火栓、消防水泵接合器是否正常完好完好3. 灭火器材配备、应急照明、消防疏散指示标志是否完好完好4. 建筑消防设施定期维护、检测制度是否落实是5. 是否擅自改变建筑防火分区,高层建筑管道井封堵等竖向防火分隔措施是否落实否四、装饰 1. 建筑外墙保温材料是否具有防火性能否材料2.建筑内部顶棚、墙面、地面装修材料及窗帘、幕布,其燃烧性能等级是否符合《建筑内部装修设计防火规范》、《公共场所阻燃制品及组件燃烧性能要求和标识》等标准要求符合五、用火用电1. 电气线路、燃气管道的敷设、电器产品、燃气用具选用是否符合消防安全技术规定符合2. 建筑、场所是否建立健全用火用电管理规定是3. 建筑、场所是否存在电气线路老化、私拉乱接、超负荷用电、违规使用电器设备和明火等现象否六、消防管理. 、建筑、场所是否通过消防工程消防设计审核和消防验收(含备案抽查);是2. 消防安全责任人是否明确,消防安全管理人员是否落实是3、. 消防安全管理组织是否建立,消防安全管理制度是否建立健全是4. 是否结合实际制(修)定灭火应急疏散预案是5. 是否对全体员工开展全员消防安全教育培训和灭火疏散演练是6. 是否开展消防安全“三提示”活动和“四个能力”建设是7. 消防安全责任人、消防安全管理人和消防控制室值班操作人员是否取得消防职业资格证否

1、当您付费下载文档后,您只拥有了使用权限,并不意味着购买了版权,文档只能用于自身使用,不得用于其他商业用途(如 [转卖]进行直接盈利或[编辑后售卖]进行间接盈利)。
2、本站所有内容均由合作方或网友上传,本站不对文档的完整性、权威性及其观点立场正确性做任何保证或承诺!文档内容仅供研究参考,付费前请自行鉴别。
3、如文档内容存在违规,或者侵犯商业秘密、侵犯著作权等,请点击“违规举报”。

碎片内容

幼儿园--学校消防安全隐患排查表

文库响当当+ 关注
实名认证
内容提供者

该用户很懒,什么也没介绍

确认删除?
VIP
微信客服
  • 扫码咨询
会员Q群
  • 会员专属群点击这里加入QQ群
客服邮箱
回到顶部