电脑桌面
添加小米粒文库到电脑桌面
安装后可以在桌面快捷访问

轨道交通变形监测VIP免费

轨道交通变形监测_第1页
1/13
轨道交通变形监测_第2页
2/13
轨道交通变形监测_第3页
3/13
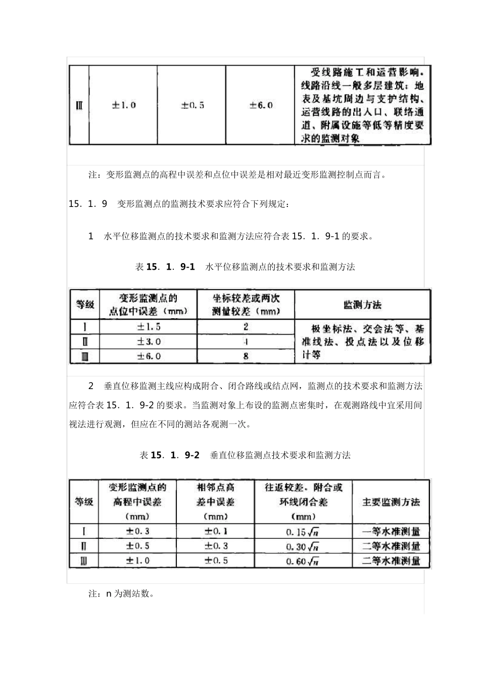
轨道交通变形监测 15 .1 一般规定 15.1.1 城市轨道交通在建工程和建成后线路应根据设计要求和建设工程及工程环境特点,对工程结构自身及其周边环境进行变形监测。 15.1.2 变形监测方案应根据变形体埋深、结构特点、支护类型、开挖方式以及岩土工程条件、建筑场地变形区内环境状况和施工设计等因素制定,并应包括变形体和环境条件产生异常时的应急变形监测方案。 15.1.3 变形监测应包括下列项目: 1 施工阶段应包括对工程的支护结构、结构自身以及周边变形区内的地表道路、建筑、管线、既有轨道线路和市政隧道等的变形监测。 2 运营阶段应包括受自身运营或周边建设对线路的轨道、道床、建筑结构影响和自身运营对周边地表道路、建筑、管线、既有轨道线路和市政隧道等影响的变形监测。 15.1.4 初始变形监测时间应根据全线或各施工段开工时间、工程进度以及工程需要及时确定。 15.1.5 变形监测可采用几何测量、物理传感器测量方法。 15.1.6 变形监测网应分为平面监测网和高程监测网,并应分别由基准点、工作基点和变形监测点组成。变形监测控制网应分为平面监测控制网和高程监测控制网,并应分别由基准点和工作基点组成。 15.1.7 变形监测点宜按本规范附录L 中图L.0.2 的类型埋设,并应符合下列规定: 1 变形监测点应埋设在变形体上能反映出变形特征,便于施测的部位。 2 监测点标志应标识清楚埋设牢固,易遭毁坏的部位应加设保护装置。 3 对拟监测工程的监测点应根据施工工法和工程进度特点,在结构施工及施工降水前埋设,对其工程环境的监测点在施工影响前埋设,并应及时进行初始值观测。 15 .1.8 变形监测的等级划分、精度要求和适用范围应符合表15 .1.8 的要求。 表15 .1.8 变形监测的等级划分、精度要求和适用范围 注:变形监测点的高程中误差和点位中误差是相对最近变形监测控制点而言。 15.1.9 变形监测点的监测技术要求应符合下列规定: 1 水平位移监测点的技术要求和监测方法应符合表15.1.9-1 的要求。 表15 .1.9 -1 水平位移监测点的技术要求和监测方法 2 垂直位移监测主线应构成附合、闭合路线或结点网,监测点的技术要求和监测方法应符合表15.1.9-2 的要求。当监测对象上布设的监测点密集时,在观测路线中宜采用间视法进行观测,但应在不同的测站各观测一次。 表15 .1.9 -2 垂直位移监测点技术要求和监测方法 注:n 为测站数。 15.1.10 变...

1、当您付费下载文档后,您只拥有了使用权限,并不意味着购买了版权,文档只能用于自身使用,不得用于其他商业用途(如 [转卖]进行直接盈利或[编辑后售卖]进行间接盈利)。
2、本站所有内容均由合作方或网友上传,本站不对文档的完整性、权威性及其观点立场正确性做任何保证或承诺!文档内容仅供研究参考,付费前请自行鉴别。
3、如文档内容存在违规,或者侵犯商业秘密、侵犯著作权等,请点击“违规举报”。

碎片内容

轨道交通变形监测

您可能关注的文档

确认删除?
VIP
微信客服
  • 扫码咨询
会员Q群
  • 会员专属群点击这里加入QQ群
客服邮箱
回到顶部