电脑桌面
添加小米粒文库到电脑桌面
安装后可以在桌面快捷访问

2024中亚饭店中亚空调机组维修保养合同--2024-6-17VIP免费

2024中亚饭店中亚空调机组维修保养合同--2024-6-17_第1页
1/3
2024中亚饭店中亚空调机组维修保养合同--2024-6-17_第2页
2/3
2024中亚饭店中亚空调机组维修保养合同--2024-6-17_第3页
3/3
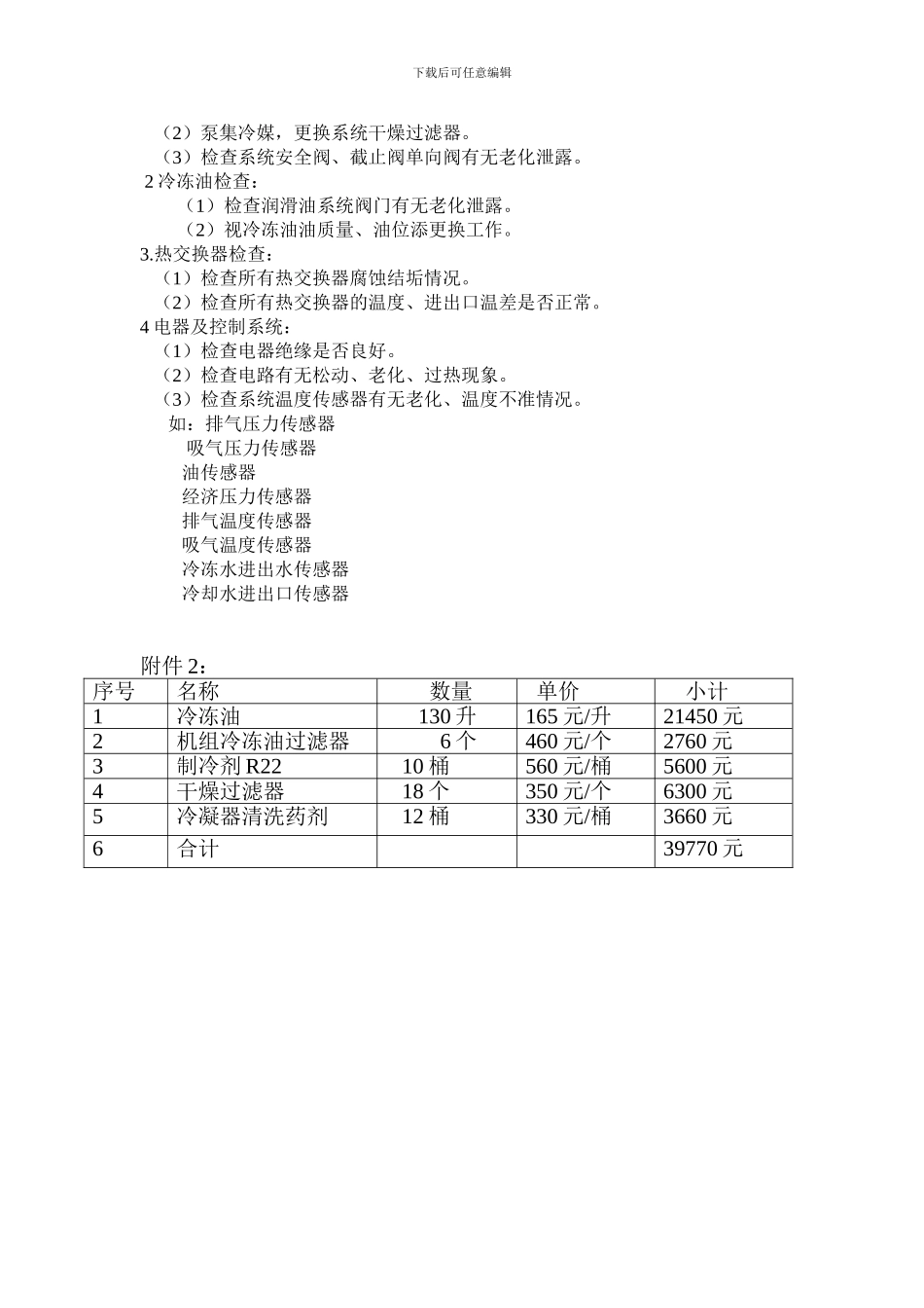
下载后可任意编辑 中央空调机组保养合同书甲方: 上海中亚饭店有限公司 乙方:上海凉博制冷技术服务部 甲乙双方就中亚酒店中央空调机组保养工作签订本合同,双方达成如下条款:一.中央空调机组型号:能博士 。数量:单冷机组 2 台( 4 个机 头),热回收机组 2 台 。二.机组保养地址:中亚酒店地下室空调机房。三.乙方承诺:1.根据附件 1 范围于 2024 年 7 月 8 日 始 对机组提供一年一次年度常规保养服务。2.根据甲方要求及机组情况有偿代购保养所需零件。3.合同期内提供的服务内容及范围:(1)根据附件 1 内容对机组提供一次常规保养,及定期检查。(2)合同期内对突发性机组故障提供技术服务,所需零件由甲 方提供或乙方代购,其中乙方代购的,乙方对零件的质量及安全性负责(质保期 6 个月)。(3)在 接到甲方紧急报修通知后,乙方应在 6 小时内(市内 6 小时,市外 24 小时)到达。(4) 检修工作中,如发现需要更换的部件,由乙方提供书 面报告,并注明相关部件费用。甲方同意后进行相应维修。(5)对甲方人员进行基本的现场操作培训,以确保机组保持最 佳运行状态。4.乙方每月至少 2 次对机组进行例行检查。5.保养服务保障期为保养开始日起 12 个月,即 2024 年 月 日至2024 年 月 日止。6.甲方未能及时履行本合同义务的,乙方委托第三人提供相应服务而发生的费用,甲方全额承担。四.甲方承诺:1.按合同约定支付费用给乙方。2.不得隐瞒机组原有故障,机组运行时有专人值日,发现机组发 不正常情况及时通知乙方。3.根据机组保养需要,甲方与乙方协议施工日程并配置相应人员 配合乙方工作,并做好机组运行记录。4.准予乙方人员及车辆进入甲方产业范围及临时借用借用甲方 设备、工具。 5 提供乙方安全的工作环境。五.合同期限和支付:1.本合同有效期与保养服务保障期间一致,即 2024 年 月 日至2024 年 月 日止。2.本合同费用结算如下:下载后可任意编辑(1)设备保养服务费¥: 34000.00 元(单冷双机头机组 9000.00/ 台 , 计 2 台 18000 元 . 热回收机组 8000/ 台,计 2 台 16000 元 。)(详见附件 1)(2)冷凝器洗、制冷剂、冷冻油及辅助材料费用¥ 39770. 00 元 (详见附件 2. 如需增加按单价累计)最终优惠价¥ :73770.00( 含税价) 3.支付方式: (1)合同签订之日起 7 日内,甲方预付合同总价的 50%(36885元);(2)经甲方确认乙...

1、当您付费下载文档后,您只拥有了使用权限,并不意味着购买了版权,文档只能用于自身使用,不得用于其他商业用途(如 [转卖]进行直接盈利或[编辑后售卖]进行间接盈利)。
2、本站所有内容均由合作方或网友上传,本站不对文档的完整性、权威性及其观点立场正确性做任何保证或承诺!文档内容仅供研究参考,付费前请自行鉴别。
3、如文档内容存在违规,或者侵犯商业秘密、侵犯著作权等,请点击“违规举报”。

碎片内容

2024中亚饭店中亚空调机组维修保养合同--2024-6-17

您可能关注的文档

MY shop+ 关注
实名认证
内容提供者

欢迎挑选适合自己的材料。

确认删除?
VIP
微信客服
  • 扫码咨询
会员Q群
  • 会员专属群点击这里加入QQ群
客服邮箱
回到顶部