电脑桌面
添加小米粒文库到电脑桌面
安装后可以在桌面快捷访问

土钉墙支护计算计算书VIP免费

土钉墙支护计算计算书_第1页
1/10
土钉墙支护计算计算书_第2页
2/10
土钉墙支护计算计算书_第3页
3/10
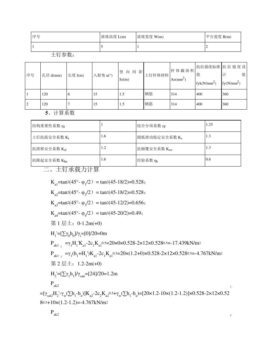
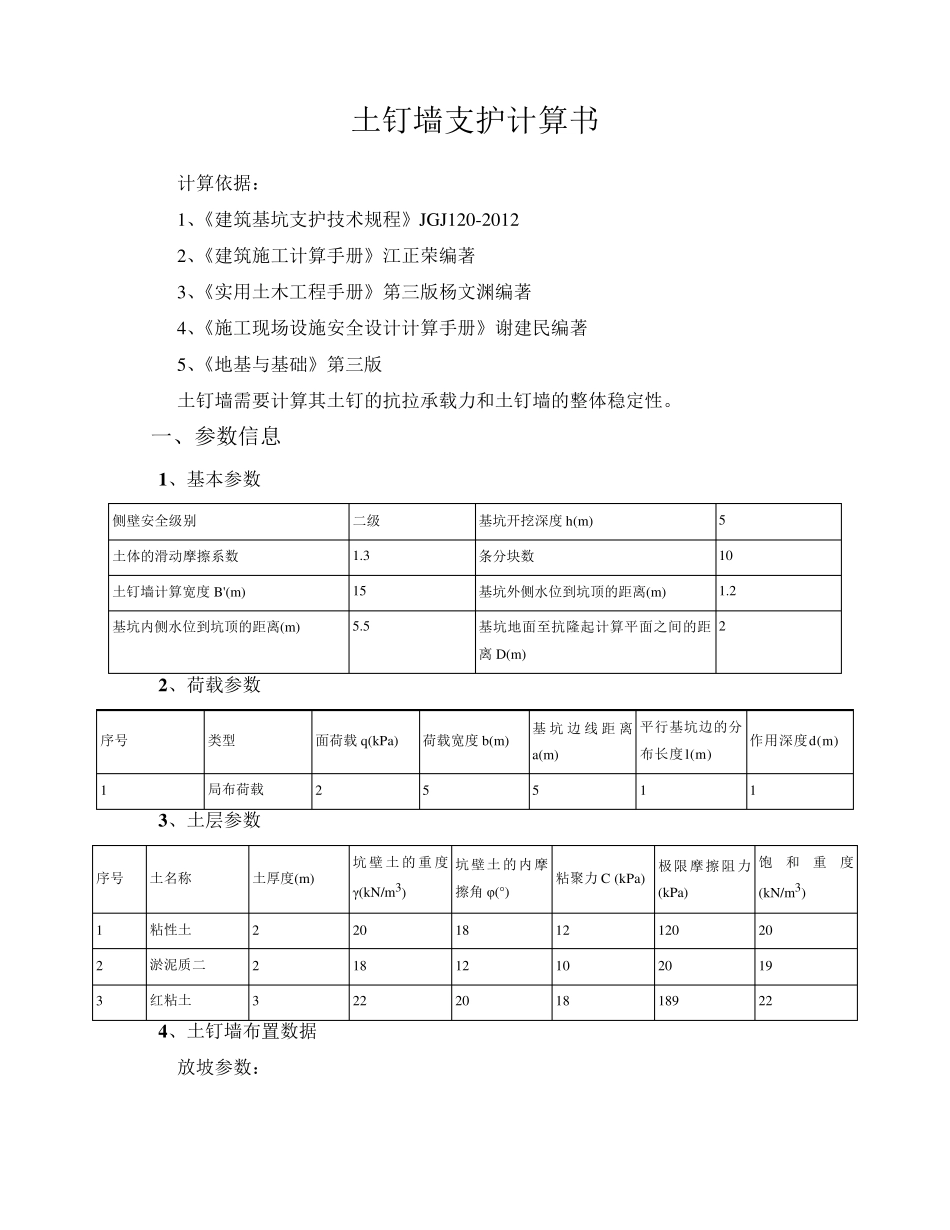
土钉墙支护计算书 计算依据: 1、《建筑基坑支护技术规程》JGJ120-2012 2、《建筑施工计算手册》江正荣编著 3、《实用土木工程手册》第三版杨文渊编著 4、《施工现场设施安全设计计算手册》谢建民编著 5、《地基与基础》第三版 土钉墙需要计算其土钉的抗拉承载力和土钉墙的整体稳定性。 一、参数信息 1 、基本参数 侧壁安全级别 二级 基坑开挖深度 h(m) 5 土体的滑动摩擦系数 1.3 条分块数 10 土钉墙计算宽度 B'(m) 15 基坑外侧水位到坑顶的距离(m) 1.2 基坑内侧水位到坑顶的距离(m) 5.5 基坑地面至抗隆起计算平面之间的距离 D(m) 2 2 、荷载参数 序号 类型 面荷载 q(kPa) 荷载宽度 b(m) 基 坑 边 线 距 离a(m) 平行基坑边的分布长度l(m) 作用深度d(m) 1 局布荷载 2 5 5 1 1 3 、土层参数 序号 土名称 土厚度(m) 坑 壁 土的 重 度γ(kN/m3) 坑壁土的内摩擦角 φ(°) 粘聚力 C (kPa) 极限摩擦阻力(kPa) 饱和重度(kN/m3) 1 粘性土 2 20 18 12 120 20 2 淤泥质二 2 18 12 10 20 19 3 红粘土 3 22 20 18 189 22 4 、土钉墙布置数据 放坡参数: 序号 放坡高度L(m) 放坡宽度W(m) 平台宽度B(m) 1 5 1 2 土钉参数: 序号 孔径d(mm) 长度l(m) 入射角α(°) 竖向间距Sz(m) 土钉杆体材料 杆体截面积As(mm2) 抗拉强度标准值fyk(N/mm2) 抗拉强度设计值fy(N/mm2) 1 120 6 15 1.5 钢筋 314 400 360 2 120 7 15 1.5 钢筋 314 400 360 5 、计算系数 结构重要性系数γ0 1 综合分项系数γF 1.25 土钉抗拔安全系数Kt 1.6 圆弧滑动稳定安全系数Ks 1.3 抗滑移安全系数Ksl 1.2 抗倾覆安全系数Kov 1.3 抗隆起安全系数Khe 1.6 经验系数ηb 0.6 二、土钉承载力计算 Ka1=tan2(45°- φ1/2)= tan2(45-18/2)=0.528; Ka2=tan2(45°- φ2/2)= tan2(45-18/2)=0.528; Ka3=tan2(45°- φ3/2)= tan2(45-12/2)=0.656; Ka4=tan2(45°- φ4/2)= tan2(45-20/2)=0.49; 第 1 层土:0-1.2m(+0) H1'=[∑γ0h0]/γi=[0]/20=0m Pak1 上 =γ1H1'Ka1-2c1Ka10.5=20× 0× 0.528-2× 12× 0.5280.5=-17.439kN/m2 Pak1 下 =γ1(h1+H1')Ka1-2c1Ka10.5=20× (1.2+0)× 0.528-2× 12× 0.5280.5=-4.767kN/m2 第 2 层土:1.2-2m(+0) H2'=[∑γ1h1]/γsati=[24]/20=1.2m Pak2上 =[γsat2H2'-γw(∑...

1、当您付费下载文档后,您只拥有了使用权限,并不意味着购买了版权,文档只能用于自身使用,不得用于其他商业用途(如 [转卖]进行直接盈利或[编辑后售卖]进行间接盈利)。
2、本站所有内容均由合作方或网友上传,本站不对文档的完整性、权威性及其观点立场正确性做任何保证或承诺!文档内容仅供研究参考,付费前请自行鉴别。
3、如文档内容存在违规,或者侵犯商业秘密、侵犯著作权等,请点击“违规举报”。

碎片内容

土钉墙支护计算计算书

小辰3+ 关注
实名认证
内容提供者

出售各种资料和文档

相关文档

确认删除?
VIP
微信客服
  • 扫码咨询
会员Q群
  • 会员专属群点击这里加入QQ群
客服邮箱
回到顶部