电脑桌面
添加小米粒文库到电脑桌面
安装后可以在桌面快捷访问

地质灾害预警预报参考资料地质灾害防治工程设计与施工VIP免费

地质灾害预警预报参考资料地质灾害防治工程设计与施工_第1页
1/12
地质灾害预警预报参考资料地质灾害防治工程设计与施工_第2页
2/12
地质灾害预警预报参考资料地质灾害防治工程设计与施工_第3页
3/12
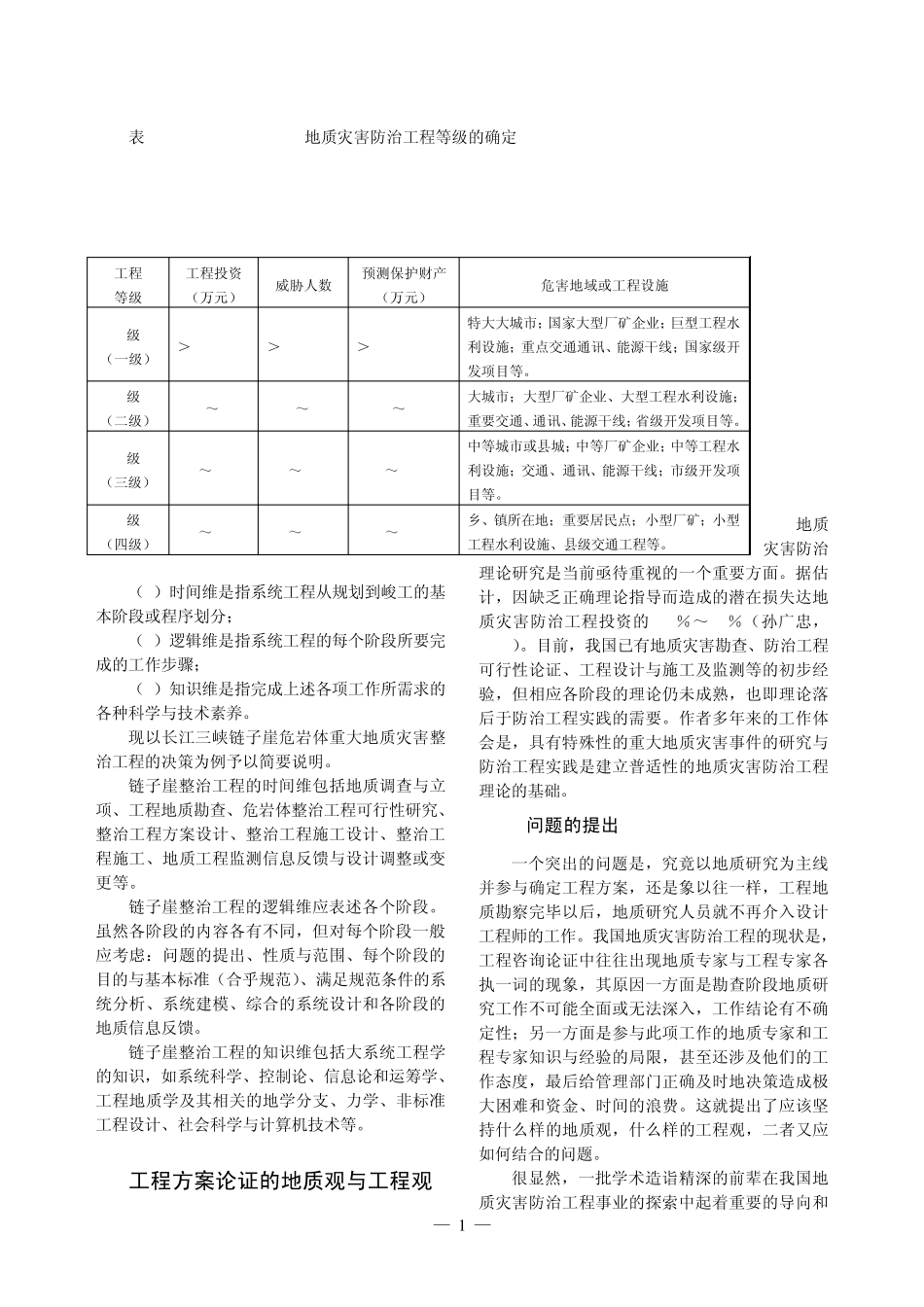
— 1 — 地质灾害防治工程设计与施工 比起一般建筑工程来,地质灾害防治工程设计更显示出其“个性”,即几乎没有完全相同的工程。因此,要求从事地质灾害防治工程事业的勘查、设计和施工人员都应“擅长于建筑原型”,相应地,监理和管理人员也要从思想上明确这一根本特点。 1 防治工程实施的论证 在明确了地质灾害发展阶段、寿命、人类与地质环境协调发展关系之后,要求用系统工程的观点与方法进行灾害防治的论证与决策,它包括全局观、层次观、价值观和策略观等方面的系统运筹与决策。 1.1 减灾决策的前提 减灾的基本决策应是在专业工作者查清问题的实质后进行。 (1)对于可能发生较大经济、社会、环境乃至政治性影响的灾害,应布置实物工作量,在勘察报告基础上,确定是监测预防,还是搬迁躲避,或是及时整治。 (2)对于即使发生灾害,但不致造成大的灾难,治理也不会赢得好的效益,则只需有经验的地质灾害防治人员现场认证即可,不必动用实物工作量,以免造成不必要的浪费。 (3)在目前的科学技术水平下,有的灾害事件尚很难完全避免和防治,只能通过合理的规划进行躲避,或开展适当防护工程以减少损失。 1.2 地质灾害防治决策依据 (1)已取得充分可靠的资料,对地质灾害体的变形破坏机制认识正确; (2)一旦发生地质灾害,将给人类生命财产或资源环境造成重大危害; (3)治理灾害的费用是可以承受的,且投入收益比满足以下关系: TLSTLSEEEEEEE或0 (5-1) 式中,E —— 经济、社会和环境纯收益; ES —— 一定时期内避免灾害发生的总收益; EL —— 灾害发生后的经济、社会和环境总损失; ET —— 治理工程的总成本。 在一定时期内,赢得的直接与间接效益远远大于灾害发生时可能造成的直接与间接损失和治灾成本之和。 1.3 地质灾害防治工程等级的确定 地质灾害防治工程等级见表 5-1,具体确定应考虑如下因素: (1)地质灾害范围内可能造成的直接经济损失,包括直接破坏的土地、房屋设施、工矿企业、工程设施、公路、铁路、桥梁、输电、通讯线路、各种管道、河道、水源、水库等水利设施、文物古迹和人文景观等; (2)地质灾害范围内可能造成的间接经济损失主要包括工矿停产、减产、产品积压、农业减产、商业旅游业下降、交通中断、通讯中断、能源中断和物价上涨等; (3)威胁人员及可能造成人员伤亡数; (4)社会伤害,包括对社会人群产生的影响,如公民心理恐慌、治安状...

1、当您付费下载文档后,您只拥有了使用权限,并不意味着购买了版权,文档只能用于自身使用,不得用于其他商业用途(如 [转卖]进行直接盈利或[编辑后售卖]进行间接盈利)。
2、本站所有内容均由合作方或网友上传,本站不对文档的完整性、权威性及其观点立场正确性做任何保证或承诺!文档内容仅供研究参考,付费前请自行鉴别。
3、如文档内容存在违规,或者侵犯商业秘密、侵犯著作权等,请点击“违规举报”。

碎片内容

地质灾害预警预报参考资料地质灾害防治工程设计与施工

您可能关注的文档

确认删除?
VIP
微信客服
  • 扫码咨询
会员Q群
  • 会员专属群点击这里加入QQ群
客服邮箱
回到顶部