电脑桌面
添加小米粒文库到电脑桌面
安装后可以在桌面快捷访问

地连墙技术交底VIP免费

地连墙技术交底_第1页
1/14
地连墙技术交底_第2页
2/14
地连墙技术交底_第3页
3/14
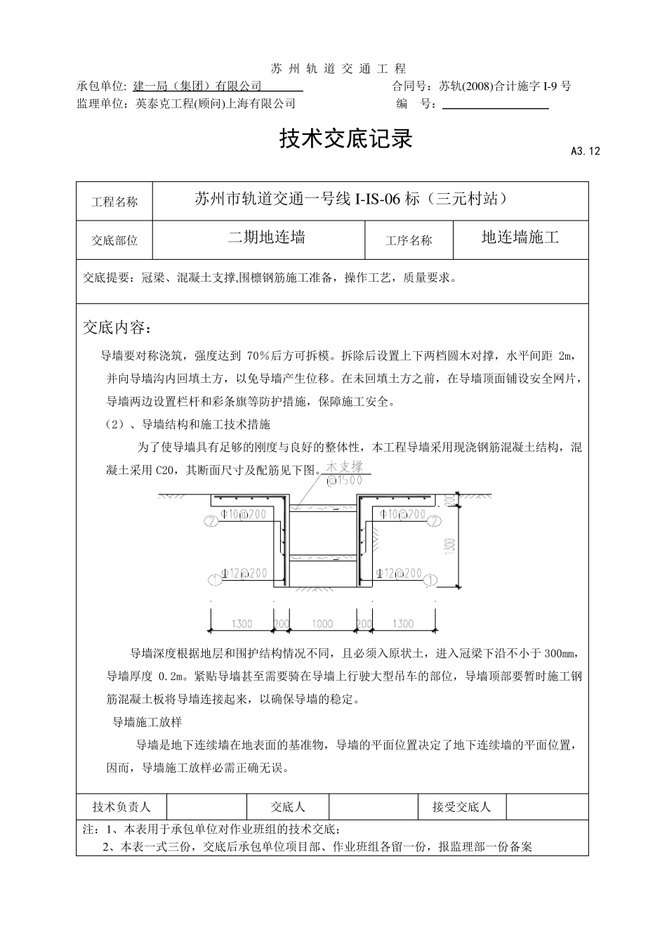
苏 州 轨 道 交 通 工 程 承包单位: 建一局(集团)有限公司 合同号:苏轨(2008)合计施字I-9 号 监理单位:英泰克工程(顾问)上海有限公司 编 号: 技术交底记录 A3.12 工程名称 苏州市轨道交通一号线I-IS -06 标(三元村站) 交底部位 二期地连墙 工序名称 地连墙施工 交底提要:冠梁、混凝土支撑,围檩钢筋施工准备,操作工艺,质量要求。 交底内容: 一、施工进度计划 本工程地下连续墙标准段实际成槽深度约 35.3m,端头井成槽深度约 36.5 米, 共 57 幅地下墙。二期21 幅。 (1)前期准备时间 包括导墙、道路、集土坑施工,临时设施布置,设备进场等前期准备需要15 天。其中导墙可以和地下墙流水施工。 (2)地下连续墙施工 地下墙均为 1.0m 厚,深 35.3m 和 36.5m,二期施工时间为 20 天。 二、主要施工工艺及控制要点 1.测量放线 根据建设单位提供的平面控制点,在基坑外围布设一条闭合平面导线。根据基坑外围闭合导线及基准点,在施工现场内设立施工用的测量控制点和水准点,投放各主轴线控制点,然后用J2 经纬仪引测出各条轴线,使导墙严 格 按 轴线来 施工。 施工过 程中,特 别 是 在基坑外围基准点可能 因 为连续墙位移 而 走 动 ,应 对 导线、轴线基准控制点定 期进行 复 测。2.导墙形 式 及制作 (1)、在地下连续墙成槽前,应 做 导墙。导墙质量的好 坏 直 接 影 响 地下连续墙的轴线和标高 ,是 成槽设备的导向 ,是 存 储 泥 浆 稳 定 液 位,维 护 上部土体 稳 定 、防 止 土体 坍 落 的重 要措 施。施工时在场地上分 段沿 地下墙轴线设置龙 门 柱 ,以准确 控制导墙轴线。采 用反 铲 挖土机 开 挖 沟 槽,完 毕 后由 人 工进行 修 坡 ,随 后立导墙模 板 ,模 板 内放置钢筋网 片 。 技 术 负 责 人 交底人 接 受 交底人 注 :1、本表 用于 承包单位对 作业 班 组 的技 术 交底; 2、本表 一式 三份 ,交底后承包单位项 目 部、作业 班 组 各留 一份 ,报 监理部一份 备案 苏 州 轨 道 交 通 工 程 承包单位: 建一局(集团)有限公司 合同号:苏轨(2008)合计施字I-9 号 监理单位:英泰克工程(顾问)上海有限公司 编 号: 技术交底记录 A3.12 工程名称 苏州市轨道交通一号线I-IS -06 标(三元村站) 交底部位 二期地连墙 工序名...

1、当您付费下载文档后,您只拥有了使用权限,并不意味着购买了版权,文档只能用于自身使用,不得用于其他商业用途(如 [转卖]进行直接盈利或[编辑后售卖]进行间接盈利)。
2、本站所有内容均由合作方或网友上传,本站不对文档的完整性、权威性及其观点立场正确性做任何保证或承诺!文档内容仅供研究参考,付费前请自行鉴别。
3、如文档内容存在违规,或者侵犯商业秘密、侵犯著作权等,请点击“违规举报”。

碎片内容

地连墙技术交底

您可能关注的文档

确认删除?
VIP
微信客服
  • 扫码咨询
会员Q群
  • 会员专属群点击这里加入QQ群
客服邮箱
回到顶部