电脑桌面
添加小米粒文库到电脑桌面
安装后可以在桌面快捷访问

场地设计复习资料整合VIP免费

场地设计复习资料整合_第1页
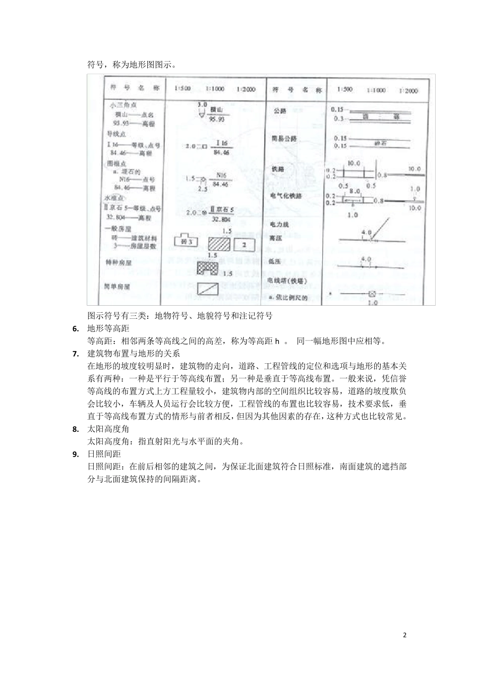
1/12
场地设计复习资料整合_第2页
2/12
场地设计复习资料整合_第3页
3/12
1 1. 场地和场地设计的概念 狭义:场地指的是建筑以外的广场、停车场、室外活动场、室外展览场之类的内容。 广义:场地可指基地中所包含的全部内容所组成的整体。 场地设计:一般来说,场地设计是为满足一个建设项目的要求,在基地现状条件和相关的法规,规范的基础上某组织场地中各构成要素之间关系的设计活动。 2. 用地范围的控制相关概念(道路红线、用地红线、建筑范围控制线、城市蓝线、绿线、紫线等) 道路红线:指城市道路或公用设施用地与建筑用地之间的用地分界线。建筑物的台阶、平台、窗台、建筑无的底下部分或地下建筑物及建筑基础,均不得突入道路红线。 用地红线:各类建筑工程项目用地的使用权属范围的边界线。 建筑范围控制线:基地上用以标定可建建筑区域范围的界线,称为建筑范围控制线,是建筑物基地位置的控制线。 城市蓝线:城市规划管理部门按城市总体规划确定长期保留的河道规划线。为保证水利规划设施和城市河道防洪墙安全要求,沿河道新建建筑物应按规定退让河道规划蓝线。 城市绿线:在城市规划建设中确定的各种城市绿地的边界线。 城市紫线:指国家历史文化名城内的历史文化街区以及县级以上公布保护的历史建筑的保护范围界线。 3. 用地强度的控制相关概念(建筑密度、容积率、绿地率等) 建筑密度=建筑基底面积/场地总用地面积╳100% 建筑密度:指基地内所有建筑物基底面积之和占总用地面积的百分比,也称为建筑覆盖率。 建筑密度越高,场地内的室外空间就越少,可用于室外活动和绿化的土地越少,从而引起场地环境质量的下降;建筑密度过低,场地内的土地使用很不经济,甚至造成土地浪费,影响场地建设的经济效益。 容积率=总建筑面积/场地总用地面积 容积率:是指基地内所有建筑物的建筑面积之和与基地总用地面积的比值。 容积率是确定场地的土地使用强度、开发建设效益和综合环境质量高低的关键性综合控制指标。 绿地率=绿化用地总面积/场地总用地面积╳100% 绿地率:指建筑基地内,各类绿地的总和占总用地面积的百分比,单位%。 场地内绿地包括:公共绿地、专用绿地、防护绿地、宅旁绿地等。 绿化覆盖率=植物的垂直投影面积/场地总用地面积╳100% 绿化覆盖率:指基底内所有乔灌木及多年生草本植物占地面积的总和——重叠部分不重复计算——占基地用地面积的百分比,这其中一般不包括屋顶绿化。 4. 基地机动车出入口或基地通路出入口位置的确定 1) 与大中城市主干道交叉口的距离,自...

1、当您付费下载文档后,您只拥有了使用权限,并不意味着购买了版权,文档只能用于自身使用,不得用于其他商业用途(如 [转卖]进行直接盈利或[编辑后售卖]进行间接盈利)。
2、本站所有内容均由合作方或网友上传,本站不对文档的完整性、权威性及其观点立场正确性做任何保证或承诺!文档内容仅供研究参考,付费前请自行鉴别。
3、如文档内容存在违规,或者侵犯商业秘密、侵犯著作权等,请点击“违规举报”。

碎片内容

场地设计复习资料整合

您可能关注的文档

确认删除?
VIP
微信客服
  • 扫码咨询
会员Q群
  • 会员专属群点击这里加入QQ群
客服邮箱
回到顶部