电脑桌面
添加小米粒文库到电脑桌面
安装后可以在桌面快捷访问

型材考察报告VIP免费

型材考察报告_第1页
1/11
型材考察报告_第2页
2/11
型材考察报告_第3页
3/11
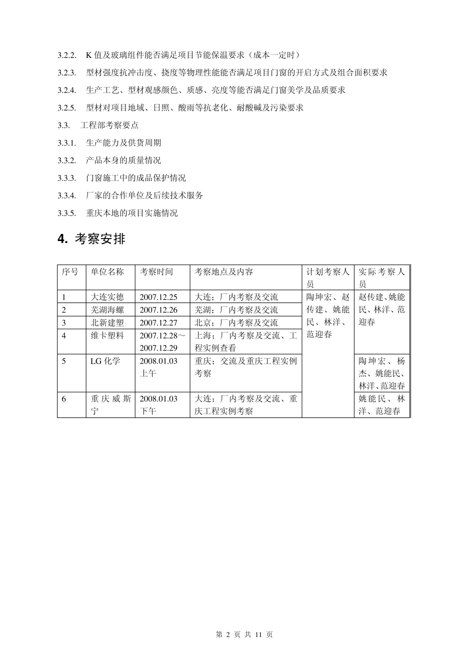
第 1 页 共 11 页 建筑门窗塑料型材考察报告 1 .考察目的 1.1. 为礼嘉项目塑料门窗寻找型材供货资源 1.2. 为以后项目的塑料门窗型材寻找资源,为是否适合塑料型材年度采购考察 1.3. 通过考察门窗塑料型材厂家,了解相关五金件品牌 1.4. 通过考察塑料型材,了解相关施工资源 1.5. 了解其它房地产开发公司的门窗情况 2 . 考察对象 2.1. 大连实德塑胶工业有限公司 2.2. 维卡塑料(上海)有限公司 2.3. 北新建塑有限公司 2.4. 芜湖海螺型材科技股份有限公司 2.5. 重庆威斯宁新型建材有限公司 2.6. LG 化学中国投资有限公司 3 . 考察要点 3.1. 造价部考察要点 3.1.1. 企业(企业性质、厂房设备设施情况) 3.1.2. 生产(设计生产能力、实际生产能力、不同形式型材产量和特点、生产工艺流程) 3.1.3. 供货(供货能力、供货方式、供货地点、供货周期、是否允许定尺生产) 3.1.4. 开模(开模许可度、断面开模周期、颜色定制周期) 3.1.5. 价格(价格高低) 3.1.6. 服务(补货响应、技术服务、设计服务、对门窗加工的指导) 3.1.7. 商务合作 3.1.8. 配套资源(型材厂长期合作的五金品牌、施工资源) 3.2. 研发部考察要点 3.2.1. 型材系列能否满足项目不同型式门窗组合要求 第 2 页 共 11 页 3.2.2. K 值及玻璃组件能否满足项目节能保温要求(成本一定时) 3.2.3. 型材强度抗冲击度、挠度等物理性能能否满足项目门窗的开启方式及组合面积要求 3.2.4. 生产工艺、型材观感颜色、质感、亮度等能否满足门窗美学及品质要求 3.2.5. 型材对项目地域、日照、酸雨等抗老化、耐酸碱及污染要求 3.3. 工程部考察要点 3.3.1. 生产能力及供货周期 3.3.2. 产品本身的质量情况 3.3.3. 门窗施工中的成品保护情况 3.3.4. 厂家的合作单位及后续技术服务 3.3.5. 重庆本地的项目实施情况 4 . 考察安排 序号 单位名称 考察时间 考察地点及内容 计划考察人员 实际考察人员 1 大连实德 2007.12.25 大连;厂内考察及交流 陶坤宏、赵传建、姚能民、林洋、范迎春 赵传建、姚能民、林洋、范迎春 2 芜湖海螺 2007.12.26 芜湖;厂内考察及交流 3 北新建塑 2007.12.27 北京;厂内考察及交流 4 维卡塑料 2007.12.28~2007.12.29 上海;厂内考察及交流、工程实例查看 5 LG 化学 2008.01.03上午 重庆;交流及重庆工程实例考察 陶坤宏、杨杰、姚能民、林洋、范迎春 6 ...

1、当您付费下载文档后,您只拥有了使用权限,并不意味着购买了版权,文档只能用于自身使用,不得用于其他商业用途(如 [转卖]进行直接盈利或[编辑后售卖]进行间接盈利)。
2、本站所有内容均由合作方或网友上传,本站不对文档的完整性、权威性及其观点立场正确性做任何保证或承诺!文档内容仅供研究参考,付费前请自行鉴别。
3、如文档内容存在违规,或者侵犯商业秘密、侵犯著作权等,请点击“违规举报”。

碎片内容

型材考察报告

确认删除?
VIP
微信客服
  • 扫码咨询
会员Q群
  • 会员专属群点击这里加入QQ群
客服邮箱
回到顶部