电脑桌面
添加小米粒文库到电脑桌面
安装后可以在桌面快捷访问

城市污水管网工程竣工资料VIP免费

城市污水管网工程竣工资料_第1页
1/11
城市污水管网工程竣工资料_第2页
2/11
城市污水管网工程竣工资料_第3页
3/11
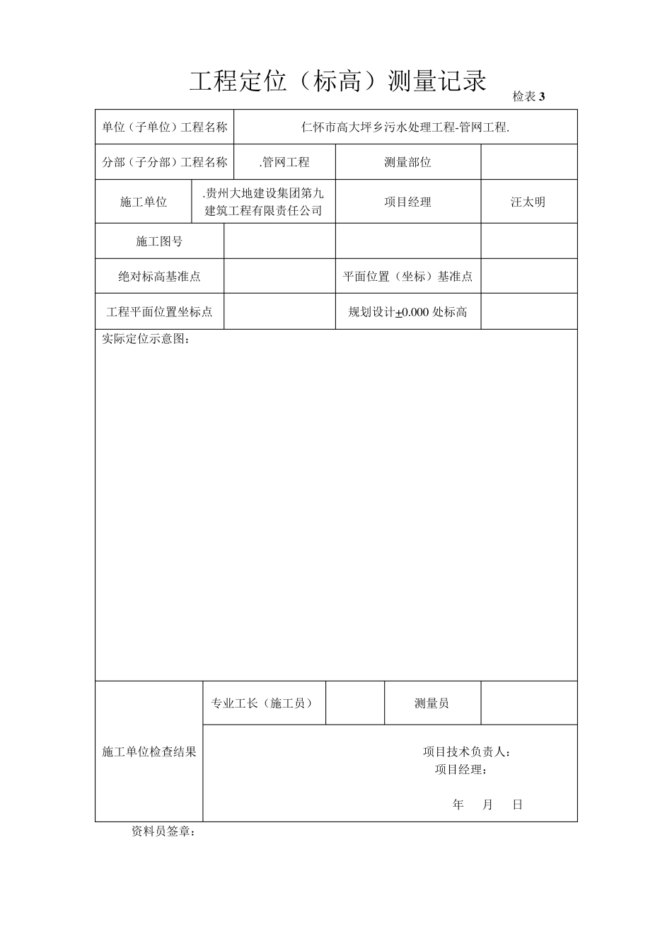
检验表0 1 管网工程 施工放样报验单 施工单位: 贵州大地建设集团第九建筑工程有限责任公司 监理单位: 贵州建工监理咨询有限公司 编 号: 致 :贵州建工监理咨询有限公司仁怀市高大坪乡污水处理工程 项目监理部: 根据合同要求,业已完成 仁怀市高大坪乡污水处理工程-管网工程W 至W 施工放样工作,清单如下,请予查验。 施工单位: (章) 项目经理: 日期: 桩号或位置 工程或部位名称 放 样 内 容 备 注 附件:测量及放样资料 监理意见: □ 查验合格 □ 纠正差错后合格 □ 纠正差错后重报 □ 按查验意见执行。查验意见一式 份,每份 页。 项目监理部: (章) (总)总监理工程师: 日期: 注:本表一式二份,监理方、施工方各一份。 检验表0 2 管网工程 施工放线测量记录表 施工单位: 贵州大地建设集团第九建筑工程有限责任公司 监理单位: 贵州建工监理咨询有限公司 编 号: 项目名称 仁怀市高大坪乡污水处理工程 单项工程名称 管网工程 仪站点坐标:X= Y= Z= 后视点坐标:X= Y= Z= 后视方位角:F后= O ’ ” 后视距: S= 测 点 设计坐标 实测坐标 放样点高程 备 注 X Y X Y 平差情况 说明 测量 技术负责 监理工程师 日 期 注:本表一式二份,监理方、施工方各一份。 工程定位(标高)测量记录 检表3 单位(子单位)工程名称 仁怀市高大坪乡污水处理工程-管网工程. 分部(子分部)工程名称 .管网工程 测量部位 施工单位 .贵州大地建设集团第九建筑工程有限责任公司 项目经理 汪太明 施工图号 绝对标高基准点 平面位置(坐标)基准点 工程平面位置坐标点 规划设计+0 .0 0 0 处标高 实际定位示意图: 施工单位检查结果 专业工长(施工员) 测量员 项目技术负责人: 项目经理: 年 月 日 资料员签章: 工程定位(测量)复核记录 检表4 单位(子单位)工程名称 仁怀市高大坪乡污水处理工程-管网工程 施工单位 贵州大地建设集团第九建筑工程有限责任公司 项目经理 汪太明 施工图号 施工单位测量员 定位复核示意图: 施工单位 监理单位 监理单位 项目技术负责人: 项目经理: 年 月 日 专业监理工程师: 年 月 日 总监理工程师: 年 月 日 高程现场检查记录表 检验表5 施工单位: 贵州大地建设集团第九建筑工程有限责任公司 监理单位: 贵州建工监理咨询有限公司 编 号: 单位工...

1、当您付费下载文档后,您只拥有了使用权限,并不意味着购买了版权,文档只能用于自身使用,不得用于其他商业用途(如 [转卖]进行直接盈利或[编辑后售卖]进行间接盈利)。
2、本站所有内容均由合作方或网友上传,本站不对文档的完整性、权威性及其观点立场正确性做任何保证或承诺!文档内容仅供研究参考,付费前请自行鉴别。
3、如文档内容存在违规,或者侵犯商业秘密、侵犯著作权等,请点击“违规举报”。

碎片内容

城市污水管网工程竣工资料

您可能关注的文档

确认删除?
VIP
微信客服
  • 扫码咨询
会员Q群
  • 会员专属群点击这里加入QQ群
客服邮箱
回到顶部