电脑桌面
添加小米粒文库到电脑桌面
安装后可以在桌面快捷访问

基本长度测量测定实验报告VIP免费

基本长度测量测定实验报告_第1页
1/6
基本长度测量测定实验报告_第2页
2/6
基本长度测量测定实验报告_第3页
3/6
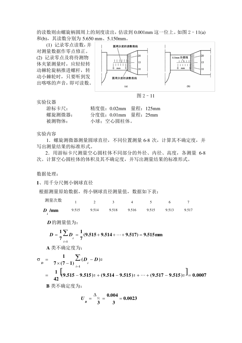
基本长度的测量 实验目的 1. 掌握游标和螺旋测微装置的原理,学会游标卡尺和螺旋测微器的正确使用 2.学习记录测量数据(原始数据)、掌握数据处理及不确定度的估算和实验结果表示的方法。 实验原理 1 、游标卡尺构造及读数原理 游标卡尺主要由两部分构成,如(图2–1)所示:在一毫米为单位的主尺上附加一个能够滑动的有刻度的小尺(副尺),叫游标,利用它可以把主尺估读的那位数值较为准确地读出来。 图2–1 游标卡尺在构造上的主要特点是:游标上 N 个分度格的总长度与主尺上(1N)个分度格的长度相同,若主尺上最小分度为 a ,游标上最小分度值为 b ,则有 aNNb)1( (2.1) 那么主尺与游标上每个分格的差值(游标的精度值或游标的最小分度值)是: 11NabaaaNN (2.2) 图2-7 常用的游标是五十分游标( N =50),即主尺上 49 m m 与游标上 50 格相当,见图2–7。五十分游标的精度值 =0.02m m .游标上刻有 0、l、2、3、…、9,以便于读数。 毫米以上的读数要从游标“0”刻度线在主尺上的位置读出,毫米以下的数由游标(副尺)读出。 即:先从游标卡尺“0”刻度线在主尺的位置读出毫米的整数位,再从游标上读出毫米的小数位。 游标卡尺测量长度l的普遍表达式为 lkan (2.3) 式中,k 是游标的“0”刻度线所在处主尺刻度的整刻度(毫米)数,n 是游标的第n 条线与主尺的某一条线重合,1mma 。图2–8 所示的情况,即21.58mml 。 图2–8 在用游标卡尺测量之前,应先把量爪 A、B 合拢,检查游标的“0”刻度线是否与主尺的“0”刻度线重合。如不重合,应记下零点读数,加以修正,即待测量10lll。其中,1l 为未作零点修正前的读数值,0l 为零点读数。0l 可以正,也可以负。 使用游标卡尺时,可一手拿物体,另一手持尺,如图2–9 所示。要特别注意保护量爪不被磨损。使用时轻轻把物体卡住即可读数。 图2–9 2 、螺旋测微器(千分尺) 常见的螺旋测微器如(图2–10)所示。它的量程是25mm,分度值是0.01mm。 螺旋测微器结构的主要部分是一个微螺旋杆。螺距是0.5 mm。因此,当螺旋杆旋一周时,它沿轴线方向只前进 0.5mm。 螺旋柄圆周上,等分为 50 格,螺旋杆沿轴线方向前进 0.01 mm 时螺旋柄圆周上的刻度转过一个分格 这就是所谓机械放大原理。 测量物体长度时,应轻轻转动螺旋柄后端的棘轮旋柄,推动螺旋杆,把待测物体刚好夹住时读数,可以从...

1、当您付费下载文档后,您只拥有了使用权限,并不意味着购买了版权,文档只能用于自身使用,不得用于其他商业用途(如 [转卖]进行直接盈利或[编辑后售卖]进行间接盈利)。
2、本站所有内容均由合作方或网友上传,本站不对文档的完整性、权威性及其观点立场正确性做任何保证或承诺!文档内容仅供研究参考,付费前请自行鉴别。
3、如文档内容存在违规,或者侵犯商业秘密、侵犯著作权等,请点击“违规举报”。

碎片内容

基本长度测量测定实验报告

小辰5+ 关注
实名认证
内容提供者

出售各种资料和文档

确认删除?
VIP
微信客服
  • 扫码咨询
会员Q群
  • 会员专属群点击这里加入QQ群
客服邮箱
回到顶部