电脑桌面
添加小米粒文库到电脑桌面
安装后可以在桌面快捷访问

山西省2011定额说明及工程量计算规则土方工程VIP免费

山西省2011定额说明及工程量计算规则土方工程_第1页
1/7
山西省2011定额说明及工程量计算规则土方工程_第2页
2/7
山西省2011定额说明及工程量计算规则土方工程_第3页
3/7
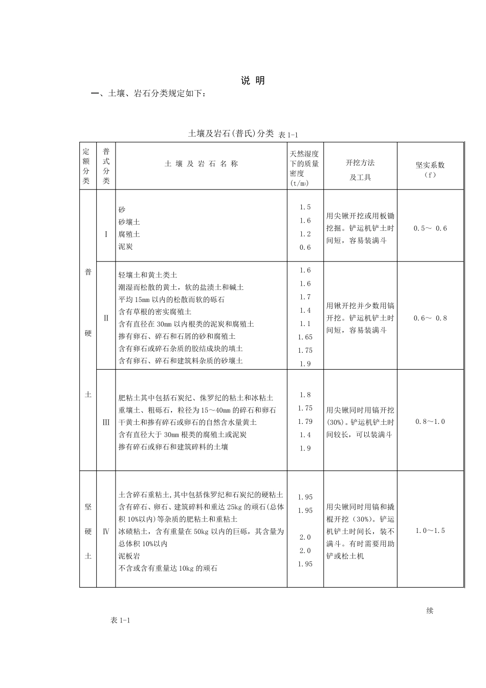
说 明 一、土壤、岩石分类规定如下: 土壤及岩石(普氏)分类 表1-1 定额分类 普 式 分 类 土 壤 及 岩 石 名 称 天然湿度下的质量密度 (t/m3) 开挖方法 及工具 坚实系数 (f) 普 硬 土 Ⅰ 砂 砂壤土 腐殖土 泥炭 1.5 1.6 1.2 0.6 用尖锹开挖或用板锄挖掘。铲运机铲土时间短,容易装满斗 0.5~ 0.6 Ⅱ 轻壤土和黄土类土 潮湿而松散的黄土,软的盐渍土和碱土 平均 15mm 以内的松散而软的砾石 含有草根的密实腐殖土 含有直径在 30mm 以内根类的泥炭和腐殖土 掺有卵石、碎石和石屑的砂和腐殖土 含有卵石或碎石杂质的胶结成块的填土 含有卵石、碎石和建筑料杂质的砂壤土 1.6 1.6 1.7 1.4 1.1 1.65 1.75 1.9 用锹开挖并少数用镐开挖。铲运机铲土时间短,容易装满斗 0.6~ 0.8 Ⅲ 肥粘土其中包括石炭纪、侏罗纪的粘土和冰粘土 重壤土、粗砾石,粒径为 15~40mm 的碎石和卵石 干黄土和掺有碎石或卵石的自然含水量黄土 含有直径大于 30mm 根类的腐殖土或泥炭 掺有碎石或卵石和建筑碎料的土壤 1.8 1.75 1.79 1.4 1.9 用尖锹同时用镐开挖(30%)。铲运机铲土时间较长,可以装满斗 0.8~1.0 坚 硬 土 Ⅳ 土含碎石重粘土,其中包括侏罗纪和石炭纪的硬粘土 含有碎石、卵石、建筑碎料和重达 25kg 的顽石(总体积 10%以内)等杂质的肥粘土和重粘土 冰碛粘土,含有重量在 50kg 以内的巨砾,其含量为总体积 10%以内 泥板岩 不含或含有重量达 10kg 的顽石 1.95 1.95 2.0 2.0 1.95 用尖锹同时用镐和撬棍开挖(30%)。铲运机铲土时间长,装不满斗。有时需要用助铲或松土机 1.0~1.5 续表1-1 定额分类 普 式 分 类 土 壤 及 岩 石 名 称 天然湿度下的质量密度(t/m3) 极限压碎强度(kg/cm2) 用轻钻孔机钻进1m 耗时(min) 开挖方法及工具 坚实 系数 (f) 松 次 坚 石 Ⅴ 含有重量在 50kg 以内的巨砾(占体积 10%以上)的冰碛石 矽藻岩和软白垩岩 胶结力弱的砾岩 各种不坚实的片岩 石膏 2.1 1.8 1.9 2.6 2.2 小于 200 小于 3.5 部 分用手凿工具,部分用爆 破来开挖 1.5~2 Ⅵ 凝灰岩和浮石 松软多孔和裂隙严重的石灰岩和介质石灰岩 中等硬变的片岩 中等硬变的泥灰岩 1.1 1.2 2.7 2.3 200~400 3.5 用风 镐 和爆 破 法来开挖 2~4 Ⅶ 石灰石胶结的带有卵石和沉积岩的砾石 风化的和有大裂缝的粘土质砂岩...

1、当您付费下载文档后,您只拥有了使用权限,并不意味着购买了版权,文档只能用于自身使用,不得用于其他商业用途(如 [转卖]进行直接盈利或[编辑后售卖]进行间接盈利)。
2、本站所有内容均由合作方或网友上传,本站不对文档的完整性、权威性及其观点立场正确性做任何保证或承诺!文档内容仅供研究参考,付费前请自行鉴别。
3、如文档内容存在违规,或者侵犯商业秘密、侵犯著作权等,请点击“违规举报”。

碎片内容

山西省2011定额说明及工程量计算规则土方工程

您可能关注的文档

小辰7+ 关注
实名认证
内容提供者

出售各种资料和文档

确认删除?
VIP
微信客服
  • 扫码咨询
会员Q群
  • 会员专属群点击这里加入QQ群
客服邮箱
回到顶部