电脑桌面
添加小米粒文库到电脑桌面
安装后可以在桌面快捷访问

工业工程试题大IEVIP免费

工业工程试题大IE_第1页
1/6
工业工程试题大IE_第2页
2/6
工业工程试题大IE_第3页
3/6
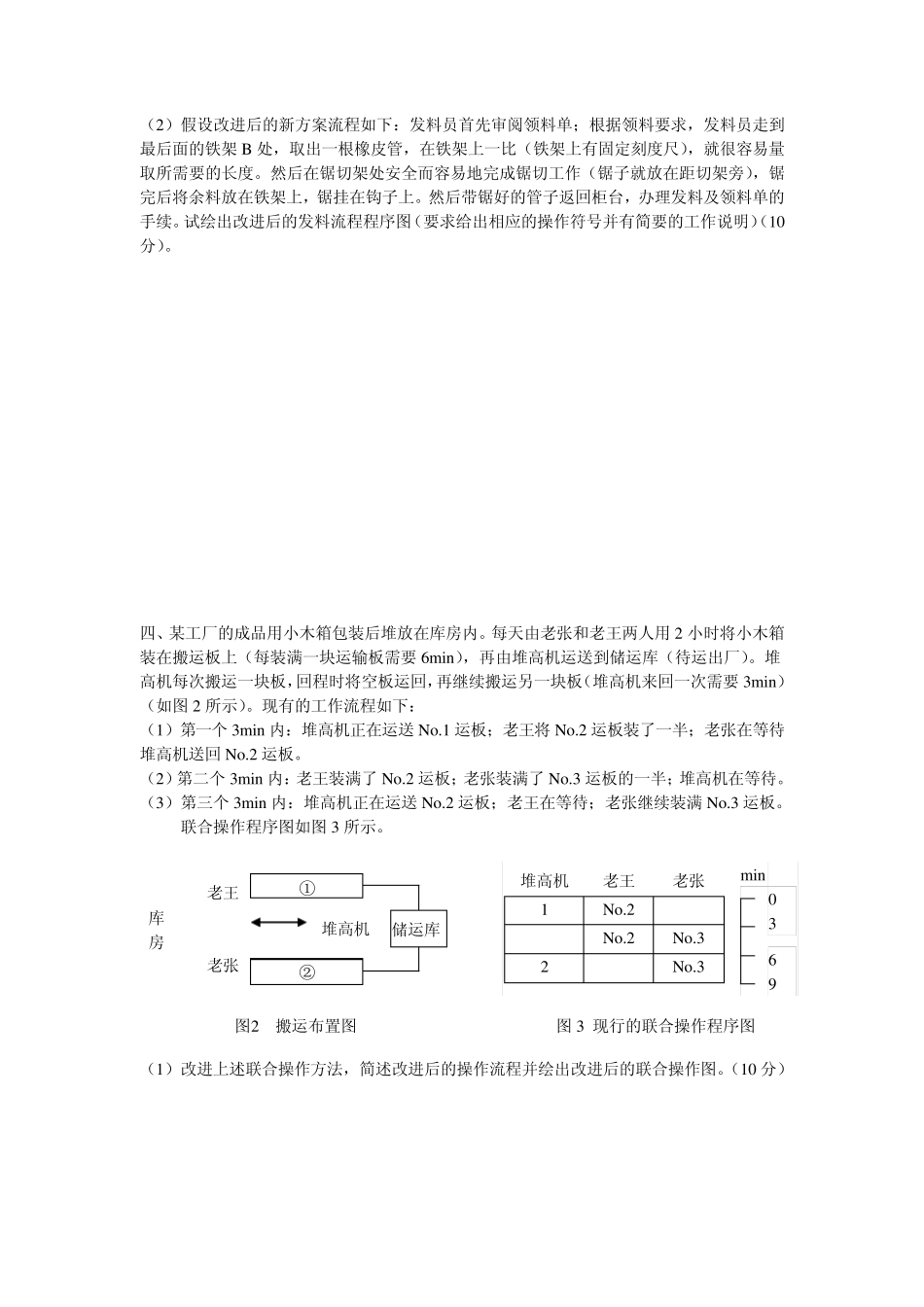
富士康10 级IE 班《基础工业工程》考试试卷 考试科目: 姓名: 班 级: 学号: 一、 判断题(1 0 分):请在括号内打“√”或“╳”。 1、工 业 工 程 不可 以 看 成 是 一 门 纯 粹 的 工 程 技术。 ( ) 2、现场管理是通过整理、整顿、清扫、清洁等并实现人的修养提升的管理体系。 ( ) 3、工作研究包括方法研究和作业测定两大技术。 ( ) 4、生产率测评是提高生产率过程的中心环节。 ( ) 5、方法研究的三个层次依次是程序分析、操作分析、动作分析。 ( ) 6、线路图是线图的一种简化形式。 ( ) 7、动作经济原则涉及人体的运用、工作地布置、以及工具设备三个方面。 ( ) 8、工作抽样是一种抽样调查方法,而时间研究不是一种抽样调查方法。 ( ) 9、采用预定时间标准法时,在作业开始之前就可以决定该作业的标准时间。 ( ) 10、生产线平衡的目标是使各工作地的单件作业时间尽可能接近节拍或节拍的整数倍。( ) 二、单项选择题(20 分):请将最正确的答案填在括号内。 1、工业工程的目标是_ _ _ _ _ 。 ( ) A)提高生产系统的总生产率 B)提高企业的技术研发能力 C)提高企业的经营管理水平 D)提高劳动者的素质 2、绘制工艺流程分析图的目的是_ _ _ _ _ 。 ( ) A)分析产品的生产过程 B)分析零件的生产过程 C)分析制品的运行路线 D)分析人和机器的工作情况 3、在运用程序分析的四大原则时,首先应考虑采用_ _ _ _ _ 的可能性。 ( ) A)取消 B)合并 C)重排 D)简化 4、线路图常常与_ _ _ _ _ 配合使用,以达到改进现场布置和移动路线等目的。 ( ) A)工艺程序图 B)流程程序图 C)线图 D)动素程序图 5、作业分析不包括以下_ _ _ _ _ 方法。 ( ) A)人机操作分析 B)联合操作分析 C)双手操作分析 D)动素分析 6、应用于第三、四阶次(即作业和制程阶次)的作业测定方法为_ _ _ _ _ 。 ( ) A)时间研究 B)工作抽样 C)模特排时法 D)以上都不是 7、需要划分操作单元的一种作业测定方法是_ _ _ _ _ 。 ( ) A)时间研究 B)工作抽样 C)预定时间标准法 D)标准资料法 8、动作分析的对象是_____。 ( ) A)人在进行各种操作时的身体动作 B)以人为主体的一个工序 C)整个生产过程 D)工作时的双手移动 9、用模特法进行作业测定时,由 MOD 值所得到的...

1、当您付费下载文档后,您只拥有了使用权限,并不意味着购买了版权,文档只能用于自身使用,不得用于其他商业用途(如 [转卖]进行直接盈利或[编辑后售卖]进行间接盈利)。
2、本站所有内容均由合作方或网友上传,本站不对文档的完整性、权威性及其观点立场正确性做任何保证或承诺!文档内容仅供研究参考,付费前请自行鉴别。
3、如文档内容存在违规,或者侵犯商业秘密、侵犯著作权等,请点击“违规举报”。

碎片内容

工业工程试题大IE

确认删除?
VIP
微信客服
  • 扫码咨询
会员Q群
  • 会员专属群点击这里加入QQ群
客服邮箱
回到顶部