电脑桌面
添加小米粒文库到电脑桌面
安装后可以在桌面快捷访问

工作井结构设计计算书VIP免费

工作井结构设计计算书_第1页
1/12
工作井结构设计计算书_第2页
2/12
工作井结构设计计算书_第3页
3/12
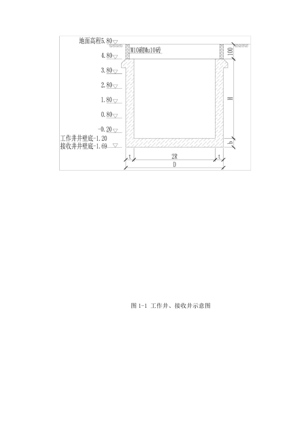
1.设 计 条 件 1.1 工 程 概 况 本 计 算 书 为 中 山 市 沙 溪 镇 东 南 片 区 排 水 主 干 管 工 程 顶 管 工 作 井 、 接 收 井 结 构设 计 , 工 作 井 、 接 收 井 施 工 方 法 采 用 逆 作 法 , 即 先 进 行 四 周 外 侧 及 井 底 的 水 泥 搅 拌 桩 施 工 ,桩 身 达 到 设 计 强 度 后 ,再 开 挖 基 坑 施 工 护 壁 成 井 。 基 坑 每 开 挖1m 深度 土 , 现 浇 一 节 1m 圆 形 护 壁 。 本 设 计 以 最 大 深 度 工 作 井 和 最 大 深 度 接 收 井 为 控 制 设 计 。 已 知 : 设 计 地 面 标高 : 5.80m, 井 壁 底 标 高 : 工 作 井 为 -1.19m, 接 收 井 为 -1.69m。 拟 定 工 作 井 尺 寸 :0 .5 5tm,3 .5Rm,8 .1Dm,5 .3 9Hm 拟 定 接 收 井 尺 寸 :0 .3 5tm,2 .0Rm,4 .7Dm,5 .9 9Hm 1.2 井 身 材 料 混 凝 土 : 采 用 C30,21 4 .3/cfNmm,21 .4 3/tfNmm。 钢 筋 : 钢 筋 直 径 d<10mm 时 , 采 用 R235 钢 筋 ,22 7 0/yfN mm; d≥ 10mm 时 ,采 用 热 轧 钢 筋HBR335 ,23 0 0/yfN mm。 1.3 地 质 资 料 地 质 资 料 如 下 表 1 所 示 , 地 下 水 位 高 度 为 3.2m, 即 井 外 水 位 高 度 为 3.2m, 井 底 以 下4 米 采 用 搅 拌 桩 处 理 , 则 井 底 下 地 下 水 位 高 度 为 : 工 作 井 -5.2m、 接 收井 -5.69m。 表 1 土 的 物 理 力 学 指 标 岩 土 名称 标 高 (m) 天然容重 (3/KN mm ) 粘聚力c (kPa) 内摩擦角  (°) 承载力 征 值 qp (kPa) 素填土 5.8~1.7 18.5 5 15 120 粉质 黏土 1.7~-0.54 18.3 19.31 11.36 150 砂质 黏性土 -0.54~-4.7 16.7 15.13 20.84 180 图1-1 工作井、接收井示意图 2.井壁水平框架的内力计算及结构配筋计算 将井壁简化成平面圆形闭合刚架计算,计算截面取井壁底部1 米一段进行环向计算,不考虑四周搅拌桩支护的作用。 2.1 工作井井壁内力计算及配筋 2.1.1 按承载能力极限状态进行计算 2.1.1.1 外力计算 (1)水土压力计算(考虑地下水作用) 井...

1、当您付费下载文档后,您只拥有了使用权限,并不意味着购买了版权,文档只能用于自身使用,不得用于其他商业用途(如 [转卖]进行直接盈利或[编辑后售卖]进行间接盈利)。
2、本站所有内容均由合作方或网友上传,本站不对文档的完整性、权威性及其观点立场正确性做任何保证或承诺!文档内容仅供研究参考,付费前请自行鉴别。
3、如文档内容存在违规,或者侵犯商业秘密、侵犯著作权等,请点击“违规举报”。

碎片内容

工作井结构设计计算书

小辰3+ 关注
实名认证
内容提供者

出售各种资料和文档

确认删除?
VIP
微信客服
  • 扫码咨询
会员Q群
  • 会员专属群点击这里加入QQ群
客服邮箱
回到顶部