电脑桌面
添加小米粒文库到电脑桌面
安装后可以在桌面快捷访问

2025年轧机检修维护规程VIP专享VIP免费

2025年轧机检修维护规程_第1页
1/8
2025年轧机检修维护规程_第2页
2/8
2025年轧机检修维护规程_第3页
3/8
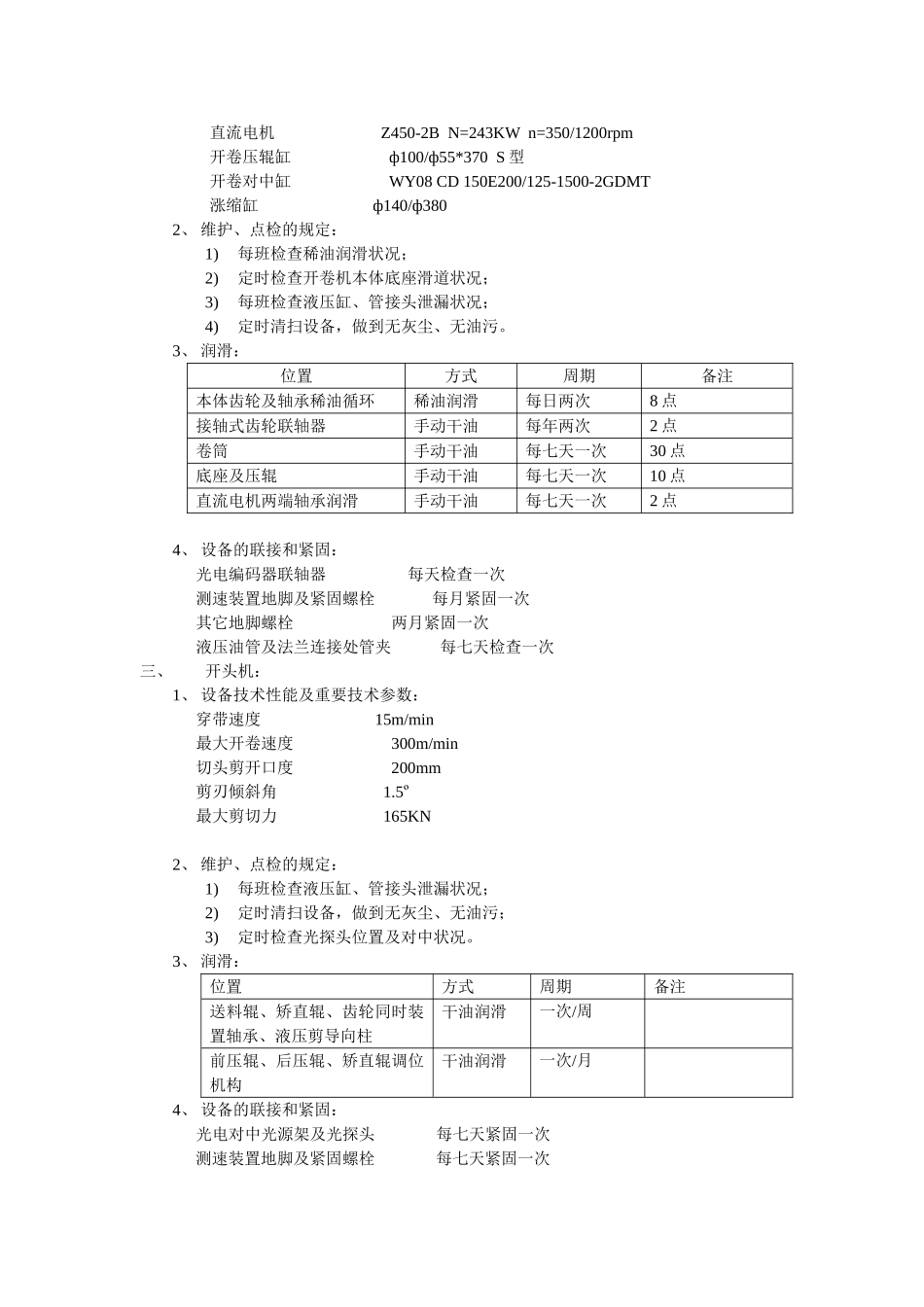
1050 轧机检修维护规程一、上、卸卷小车:1、 设备技术性能及重要技术参数: 最大卷重 15 吨上卷小车升降行程 1400mm上卷小车横移行程 3500mm卸卷小车升降行程 800mm卸卷小车横移行程 4500mm横移速度 100m/s带卷直径(内/外) Ф510/Ф1750-950mm带卷最大宽度 950mm上卷小车小车升降缸 WY08CD 250E180/125-1400-02DMA卸卷小车小车升降缸 WY08CD 250E180/125-800-02DMA小车行走油马达 TB0260AP100 AAAA2、 维护、点检的规定:1)定时清扫设备,做到无灰尘、无油污;2)每班检查液压缸、管接头部位与否漏油;3)定时检查各部位螺丝、销轴与否松脱、断裂;4)每班检查行程开关与否失灵;5)定时检查行走轮轴承运行状况;3、 润滑:位置方式周期备注滑动体与车体滑动面手动干油一次/年8 点小车轮内轴承涂油一次/两年6 点液压缸支座手动干油两次/年2 点4、 设备的联接和紧固:活动盖板、小车及拖链各联接处 每月紧固一次液压配管、法兰、管夹 每七天检查一次二、开卷机:1、 设备技术性能及重要技术参数:卷筒工作直径 Φ510mm卷筒涨缩范畴 Φ460-Φ520mm穿带速度 15m/min开卷速度 300m/min开卷张力 5-50KN对中移动范畴 +-75mm压辊最大压力 15KN总传动比 对中部分移动最大重量 吨直流电机 Z450-2B N=243KW n=350/1200rpm开卷压辊缸 ф100/ф55*370 S 型开卷对中缸 WY08 CD 150E200/125-1500-2GDMT涨缩缸 ф140/ф3802、 维护、点检的规定:1)每班检查稀油润滑状况;2)定时检查开卷机本体底座滑道状况;3)每班检查液压缸、管接头泄漏状况;4)定时清扫设备,做到无灰尘、无油污。3、 润滑:位置方式周期备注本体齿轮及轴承稀油循环稀油润滑每日两次8 点接轴式齿轮联轴器手动干油每年两次2 点卷筒手动干油每七天一次30 点底座及压辊手动干油每七天一次10 点直流电机两端轴承润滑手动干油每七天一次2 点4、 设备的联接和紧固:光电编码器联轴器 每天检查一次测速装置地脚及紧固螺栓 每月紧固一次其它地脚螺栓 两月紧固一次液压油管及法兰连接处管夹 每七天检查一次三、开头机:1、 设备技术性能及重要技术参数:穿带速度 15m/min 最大开卷速度 300m/min 切头剪开口度 200mm剪刃倾斜角 1.5º最大剪切力 165KN2、 维护、点检的规定:1)每班检查液压缸、管接头泄漏状况;2)定时清扫设备,做到无灰尘、无油污;3)定时检查光探头位置及对中状况。3、 润滑:位置方式周期备注送料辊、矫直辊、齿轮...

1、当您付费下载文档后,您只拥有了使用权限,并不意味着购买了版权,文档只能用于自身使用,不得用于其他商业用途(如 [转卖]进行直接盈利或[编辑后售卖]进行间接盈利)。
2、本站所有内容均由合作方或网友上传,本站不对文档的完整性、权威性及其观点立场正确性做任何保证或承诺!文档内容仅供研究参考,付费前请自行鉴别。
3、如文档内容存在违规,或者侵犯商业秘密、侵犯著作权等,请点击“违规举报”。

碎片内容

2025年轧机检修维护规程

您可能关注的文档

确认删除?
VIP
微信客服
  • 扫码咨询
会员Q群
  • 会员专属群点击这里加入QQ群
客服邮箱
回到顶部