电脑桌面
添加小米粒文库到电脑桌面
安装后可以在桌面快捷访问

2025年ALC板施工工法VIP免费

2025年ALC板施工工法_第1页
1/4
2025年ALC板施工工法_第2页
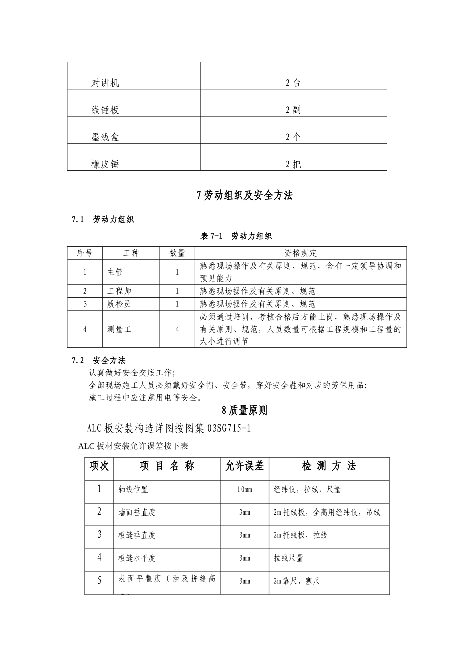
2/4
2025年ALC板施工工法_第3页
3/4
钢构造 ALC 板内隔墙安装工法中国核工业华兴建设有限公司1 前言 蒸压轻质加气混凝土(ALC)墙板是一种有质轻、隔热、隔音、防火、抗震、节能、环保等优点的建筑材料,这种材料特别用于办公楼等大开间隔墙时,可极大地提高施工效率,有效地缩短建设工期。另外,随着建筑功效规定的多样化,近年来钢构造也越来越多地出现在全国各地的工程建设中去,这就不可避免地产生了 ALC 板如何才干更有效地应用到钢构造中的问题。针对该问题,我公司通过认真总结施工经验并组织公司专家研究探讨,制订了钢构造 ALC 板内隔墙安装工法。本工法旨在解决 ALC 墙板用在钢构造中时的节点解决等问题。2 工法特点2.1 选用 TU 型隔墙板,能够满足构造规定的同时减少板间浇筑混凝土的工序;2.2 运用钢构造的特点,选用管板,板上部能与钢梁焊接固定,下部用射针固定;2.3 由于钢与 ALC 板材料性质不同,在 ALC 板墙与钢柱节点处打发泡粘结剂进行柔性连接。3 合用范畴本工法合用钢构造 ALC 隔墙板施工。4 工艺原理根据建筑物构造特性、建筑物所处环境特性及钢和 ALC 板材料物理性质特性,在 ALC 板施工过程中运用合理的节点构造,施行合理的施工工艺,能够极大地节省工期和人工,产生较大的经济效益。5 操作工艺流程与操作要点5.1 工艺流程施工准备→在板上安装管板→板就位→板面调节→上下管板与主体构造连接并做防锈解决→勾缝(墙板与 ALC 板节点解决)→修补、清理5.2 操作要点5.2.1 管板固定在板的安装前先将管板与 ALC 板连接,在板上下都安装好管板后此板才干就位。板就位后,将管板与主体相连,其连接方式有下列两种:1、与底板相连采用射钉。2、钢梁下部的管板采用两端点焊。5.2.2 TU 型板接缝解决传统施工时,两板间留设有凹槽,为加大板的一体性,两板间凹槽内放钢筋,浇筑砼,使相邻两板成为一体。这样施工较费时费力。本工法采用 TU 型板,板与板间凹凸槽对接,施工方便,省去了浇筑混凝土的工序,大大节省了人力及物力。ALC 板在施工时,严禁在上下砂浆灌注后未凝固的状态下进行勾逢,勾缝前先检查表面平整度与垂直度并报我方质检员检查,经各方检查合格后方可进行施工。其勾逢材料在填充前,必须先刷界面剂,勾缝必须确保其密实,勾缝平整。在板缝施工完 24 小时后,需安排专人对板缝施工质量进行检查,发现空鼓、开裂现象必须进行返修。5.2.3 ALC 隔墙板与钢柱柔性节点解决板与柱节点解决:板与柱交接处用发泡...

1、当您付费下载文档后,您只拥有了使用权限,并不意味着购买了版权,文档只能用于自身使用,不得用于其他商业用途(如 [转卖]进行直接盈利或[编辑后售卖]进行间接盈利)。
2、本站所有内容均由合作方或网友上传,本站不对文档的完整性、权威性及其观点立场正确性做任何保证或承诺!文档内容仅供研究参考,付费前请自行鉴别。
3、如文档内容存在违规,或者侵犯商业秘密、侵犯著作权等,请点击“违规举报”。

碎片内容

2025年ALC板施工工法

您可能关注的文档

确认删除?
VIP
微信客服
  • 扫码咨询
会员Q群
  • 会员专属群点击这里加入QQ群
客服邮箱
回到顶部