电脑桌面
添加小米粒文库到电脑桌面
安装后可以在桌面快捷访问

2025年石驳岸监理细则VIP免费

2025年石驳岸监理细则_第1页
1/6
2025年石驳岸监理细则_第2页
2/6
2025年石驳岸监理细则_第3页
3/6
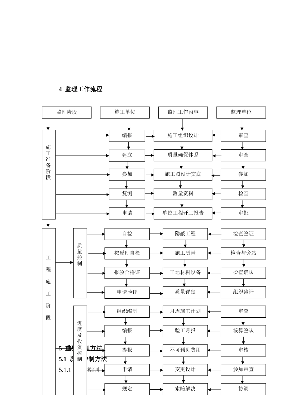
B13B13 工程监理实施细则监理实施细则 ( )内容提纲:专业工程特点监理工作流程 监理工作控制目的及控制要点 监理工作办法及方法 项目监理机构(章): 专业监理工程师: 总监理工程师: 日 期: 江苏省建设厅监制石驳岸监理细则1 工程特点本工程位于××××××。全长××m,驳岸采用重力式,浆砌块石墙身,临水面直立,墙背坡度 1:0.32,上端 C15 砼压顶 55cm×20cm 通长。在桩号 0+142 处设 GGQ5-11 交架式固定起重机一台,最大起重量为 5T。2 监理实施细则的编制根据2.1 《××市福××××厂监理规划》;2.2 《给排水构筑物施工及验收规范》(GBJ141-90);2.3 ×××设计院设计的××××××驳岸施工图纸、设计变更等设计文献;2.4 ××××××公司提供的地质勘测资料;2.5 《水闸施工规范》(SC27-91);2.6 《砖石工程施工及验收规范》(GB5020398);2.7 《××××××工程公司施工组织设计》。3 监理工作目的和质量控制办法3.1 监理工作目的3.1.1 工程质量目的:根据合同规定达成合格。3.1.2 工程进度目的:通过进度控制,实现合同拟定的工期目的。3.1.3 工程造价控制目的:控制设计变更和签证等费用,实现造价控制目的。3.2 质量控制办法3.2.1 坚持事前控制为主,过程把关;事后控制为辅。3.2.2 对施工过程进行检查,及时纠正违章操作,去除质量隐患。3.2.3 在施工过程中采用必要的检查、测量和实验手段,以验证施工质量。3.2.4 对工程的核心部位、核心工序,实施旁站监督。3.2.5 严格执行工序交接检查,坚持上道工序未经检查验收不得进行下道工序施工的原则。上道工序事先由施工单位进行自检、互检和专检,“三检”合格后书面报监理工程师承认签字后才干进入下道工序。3.2.6 严把隐蔽工程检查验收关,隐蔽工程经“三检”合格后报监理工程师进行检测核查,如发现不合格则签发监理工程师联系单进行整治,再经检测合格后才可进入下道工序。3.2.7 认真行使质量否决权,凡出现下列状况监理有权规定施工单位停工整治,如未经核验就进入下道工序;私自使用未经承认或同意使用的材料或违章操作;私自变化设计图纸或敷衍了事,不认真整治,效果仍然很差的。3.2.8 工程竣工验收。按国家有关原则进行验收并写出单位工程质量评定报告。施工单位按合同规定向监理提交竣工验收所需的文献资料,涉及质检资料、多个实验报告及多个有关的技术性文献和竣工图等,经监理组织有关单位初验后,正式报...

1、当您付费下载文档后,您只拥有了使用权限,并不意味着购买了版权,文档只能用于自身使用,不得用于其他商业用途(如 [转卖]进行直接盈利或[编辑后售卖]进行间接盈利)。
2、本站所有内容均由合作方或网友上传,本站不对文档的完整性、权威性及其观点立场正确性做任何保证或承诺!文档内容仅供研究参考,付费前请自行鉴别。
3、如文档内容存在违规,或者侵犯商业秘密、侵犯著作权等,请点击“违规举报”。

碎片内容

2025年石驳岸监理细则

您可能关注的文档

确认删除?
VIP
微信客服
  • 扫码咨询
会员Q群
  • 会员专属群点击这里加入QQ群
客服邮箱
回到顶部