拖动LOGO至书签栏,立即收藏小米粒文库
首页
党建公文
汇报报告
综合大类
党性分析
乡村振兴
意识形态
调查研究
党建工作
思想汇报
剖析整改
典型案例
换届选举
自我评价
主题教育
先进事迹
述职述廉
自查报告
通知报告
心得体会
综合大类
经验交流
观后感
读后感
学习体会
主题教育
教育整顿
总结计划
综合大类
工作计划
安全生产
教育整顿
主题教育
意识形态
党建工作
党风廉政
年终总结
季度半年
讲话发言
讲话稿
发言稿
演讲稿
主持词
致辞
党课讲稿
教育整顿
主题教育
廉政建设
慰问信
竞职竞聘
研讨材料
表彰大会
任职表态
安全生产
灾害防治
金融会议
组织生活
对照检查
批评意见
方案报告
讲话发言
谈心谈话
主持词
小米粒公文
NEW
电脑桌面
添加小米粒文库到电脑桌面
安装后可以在桌面快捷访问
立即添加
上传文档
开通会员
限时优惠
充值
登录 | 注册
一帆文传
个人创作者
实名认证
内容提供者
欢迎光临店铺,各类公文供您挑选。
关注
收藏
海报
分享
微信扫码分享
或点击分享到
QQ空间
QQ好友
新浪微博
首页
文档
文章
资料
文档
6P
办公室管理制度、
181
4P
办公室空调大小与面积
191
4P
办公室礼仪培训
114
1P
办公室用电管理制度
93
3P
办公室环境卫生与安全管理制度v3.2
99
2P
办公室消防安全须知
94
4P
办公室日常管理规定
138
3P
办公室日常管理制度-
169
1P
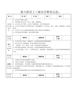
办公室新入职员工三级安全教育记录
169
4P
办公室文员毕业实习报告
177
2P
办公室改造装修设计说明
142
1P
办公室提质增效方案
164
首页
上页
28
29
30
31
32
下页
尾页
0
粉丝
0
关注
0
收藏
54
人气
阅读排行
古代的五七干校和希望工程之湛江篇
竞选村委委员履职设想doc
国民党陆军上将王甲本生平简介
我的老中医董小芸老魏
2025湖南省职工基本医疗保险门诊慢特病病种范围和医保支付标准
2025年最新四川省燃气管理条例
打赌输了任人摆布作文800字三篇
推荐党代表候选预备人选会议记录
外交部考试录用公务员公示名单
2024年考研全年复习规划备考月历
确认删除?
VIP
微信客服
扫码咨询
会员Q群
会员专属群
客服邮箱
客服邮箱
help@xiaomilidoc.cn
回到顶部