电脑桌面
添加小米粒文库到电脑桌面
安装后可以在桌面快捷访问

办公室新入职员工三级安全教育记录

办公室新入职员工三级安全教育记录_第1页
1/1
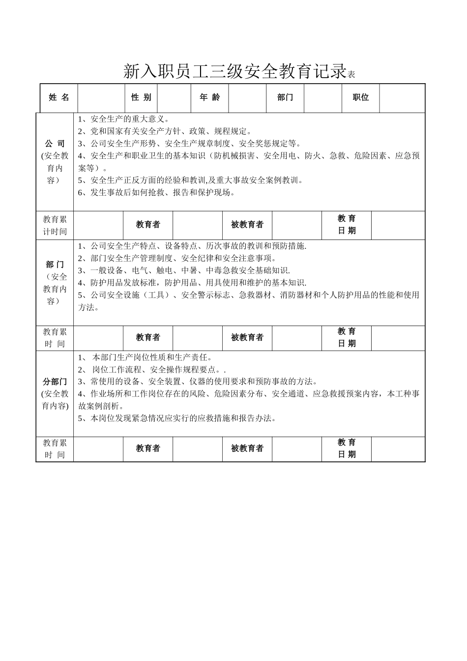
新入职员工三级安全教育记录表姓 名性 别年 龄部门职位公 司(安全教育内容)1、安全生产的重大意义。2、党和国家有关安全产方针、政策、规程规定。3、公司安全生产形势、安全生产规章制度、安全奖惩规定等。4、安全生产和职业卫生的基本知识(防机械损害、安全用电、防火、急救、危险因素、应急预案等)。5、安全生产正反方面的经验和教训,及重大事故安全案例教训。6、发生事故后如何抢救、报告和保护现场。教育累计时间教育者被教育者教 育日 期部 门 (安全教育内容)1、公司安全生产特点、设备特点、历次事故的教训和预防措施.2、部门安全生产管理制度、安全纪律和安全注意事项。3、一般设备、电气、触电、中暑、中毒急救安全基础知识.4、防护用品发放标准,防护用品、用具使用和维护的基本知识.5、公司安全设施(工具)、安全警示标志、急救器材、消防器材和个人防护用品的性能和使用方法。教育累时 间教育者被教育者教 育日 期分部门(安全教育内容)1、 本部门生产岗位性质和生产责任。2、 岗位工作流程、安全操作规程要点。.3、常使用的设备、安全装置、仪器的使用要求和预防事故的方法。4、作业场所和工作岗位存在的风险、危险因素分布、安全通道、应急救援预案内容,本工种事故案例剖析。5、本岗位发现紧急情况应实行的应救措施和报告办法。教育累时 间教育者被教育者教 育日 期

1、当您付费下载文档后,您只拥有了使用权限,并不意味着购买了版权,文档只能用于自身使用,不得用于其他商业用途(如 [转卖]进行直接盈利或[编辑后售卖]进行间接盈利)。
2、本站所有内容均由合作方或网友上传,本站不对文档的完整性、权威性及其观点立场正确性做任何保证或承诺!文档内容仅供研究参考,付费前请自行鉴别。
3、如文档内容存在违规,或者侵犯商业秘密、侵犯著作权等,请点击“违规举报”。

碎片内容

办公室新入职员工三级安全教育记录

您可能关注的文档

一帆文传+ 关注
实名认证
内容提供者

欢迎光临店铺,各类公文供您挑选。

确认删除?
VIP
微信客服
  • 扫码咨询
会员Q群
  • 会员专属群点击这里加入QQ群
客服邮箱
回到顶部