专业合同封面COUNTRACTCOVER20XXPERSONALRESUME甲方:XXX乙方:XXX2024年度开挖与运输土石方工程合作合同样本一本合同目录一览1.合同主体及...
专业合同封面COUNTRACTCOVER20XXPERSONALRESUME甲方:XXX乙方:XXX2024年度非开挖技术施工合作协议模板一本合同目录一览1.合作协议概述1.1...
一、工程概况:华海嘉园1#、2#楼工程由青岛经济技术开发区华海房地产有限公司开发建设,位于阿里山路以东,长江路以北、珠江路以南,拟建筑...
县燕山陵园工程I标段土方开挖专项施工方案一、工程概况本工程为县燕山陵园工程I标段,是燕山陵园的专用道路,建设地点为位于丹东街道过赵岙...
(非开挖钻进铺管)施工方案2015年10月21日目录一、工程概况--------------------------------------------------------------------------...
沟槽开挖与地基处理工程检验批质量验收记录编号:1工程名称银盛泰嘉富丽苑项目景观-————水电工程分项工程名称排水工程施工单位上海欣海...
ZK13+592~ZK14+548、K13+595~K14+555赤溪隧道洞身开挖首件工程施工方案第一章编制说明一、编制范围本首件工程施工方案编制范围为湖南省马迹...
基坑、土方工程开挖安全防护措施一、基坑支护会议4月1日,基坑支护交底会议相关安全技术要求及建议:1.首先了解地质报告,地下各种埋设物,...
建设工程施工合同书(土方开挖工程)发包人:山西金汇海房地产开发有限公司(以下简称甲方)承包人:介休市光昇建筑机械工程有限公司(以下...
土方开挖隐蔽工程检查验收记录编号:01—17/(02—08)□-□-□工程名称浙江新吉奥汽车有限公司年产9万台(套)新能源汽车车身总成建设项目...
医院给水管道工程管沟开挖与回填施工方案一、编制依据《城市道路施工规范》、《给水排水管道工程施工及验收规范》、设计图纸及现场勘查。设...
建材市场一标段房工程土方开挖专项施工方案目录一、工程概况.....................................................3二、主要编制依据.......
第一章、工程概况及周边环境................................31.工程概况.............................................32.场地工程地质...
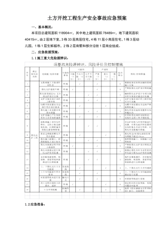
组长:徐武波组长:廖新华组长:姜三林组长:刘元清组长:熊迎强土方开挖工程事故应急救援指挥领导小组土方开挖工程应急预案1目的土方坍塌是土方...
土石方开挖方案一、工程简介南山区宝耀片区规划一路、规划二路市政工程位于深圳市南山区宝耀片区。总长度约为356.63m,双向2车道,红线宽分...
水工建筑物岩石基础开挖工程施工技术规范1总则1.0.1本规范适用于1、2、3级水工建筑物岩石基础开挖工程。1.0.2编制水工建筑物岩石基础开...
深基坑土方开挖及边坡支护专项施工方案一、编制依据1、《工程测量规范》0850026—20072、《建筑基坑工程监测技术规范》0850497—20093、《...
桥梁基坑土方开挖方案一、桥梁基坑土方开挖概况改建桥梁位于白塔中心河与新建新纬路交界处(桩号K0+698.626),白塔中心河河宽25米,新建新...
第一节项目概述本工程管线钢板桩基坑支护为双侧钢板桩。管道埋深≤4m时,采用6m钢板桩基坑支护,一道支撑;4m<埋深≤6m时,采用9m钢板桩,...
一、基坑开挖安全作业交底........................................................................1二、桥墩施工安全技术交底............

