教案2016~2017学年第一学期教研室名称:石油与应用化工教研室课程名称:化工设备使用与维护主讲教师:武存喜职称:高校讲师教研室主任签字...
技术交底记录表C6-1编号工程名称交底日期年月日施工单位分项工程名称水表、阀门安装交底提要水表、阀门安装工艺、质量要求等技术交底交底内...
阀门设计标准及流程美国标准:ASME-美国机械工程师协会,ANSI-美国国家标准协会,API-美国石油协会,MSSSP-美国阀门和管件制造厂标准化协会...
(1)管件尺寸与阀门通径及英寸对照表:直径英寸DN通径(mm)管道外径(mm)1/4″813.73/8″1017.141/2″1521.33/4″2026.71″2533.41.2″3242....
导读:阀门的选型在化工管路设计中占有重要的地位,科学、合理地选择阀门既能保证生产安全运行,又能降低装置的建设费用。在化工设计中常用...
阀门和球阀正确的安装方式和注意事项球阀是一种管路中用来做切断、分配改变介质流动方向的装置,在使用中只需要旋转90度的操作和很小的转动...
第1页共6页阀门系数Cv值的确定概述:通常测定阀门的方法是阀门系数(Cv),它也被称为流动系数。当为特殊工况选择阀门时,使用阀门系数确定...
型号规格缓闭止回阀300X-16QDN100分部工程给排水与采暖阀门数量(个)15抽查数量(个)公称压力(MPa)1.6安装部位A1#楼及地下室试验日期试...
!50541998635821021002-1/22-9/16654102mm!"23-1/16708722-1/16524102mm1A51901001251mm1R16613101212A14920126577766730801002-1/27033-1/...
1阀门行业行业分析报告2目录一、阀门的介绍.............................................................................................
1/7阀门采购招标要求一、招标人:德阳市罗江区自来水公司二、招标项目:阀门三、招标项目内容、要求:(预计年累计采购金额万元)(一)招...
阀门技术性能说明一、闸阀技术性能详细说明1、用途和性能规范1)用途a、本产品主要用于气体、液体介质管路上作启闭装置,接通或截断介质流...
一、工程概况本工程在兰炭一期鼓风冷凝工段煤气管道部分,煤气汇管1与电捕焦油器之间、电捕焦油器与煤气汇管2之间的原蝶阀位置增装电动盲板...
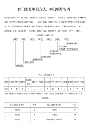
阀门型号编制方法、阀门编号说明阀门型号通常应表示阀门类型、驱动方式、连接形式、结构特点、公称压力、密封面材料、阀体材料等要素。阀门...
阀门试压方案编制:审核:批准:******************************公司一、编制说明根据施工设计说明及相关阀门试验规程/规范,编制此阀门试...
实用标准文案精彩文档阀门系数Cv值的确定概述:通常测定阀门的方法是阀门系数(Cv),它也被称为流动系数。当为特殊工况选择阀门时,使用阀...
阀门英语名词术语(1)范围本标准适用于工业管道(或机器、设备)的通用阀门。阀门分类阀门valve用来控制管道内介质流动的,具有可动机构的...
A3.3工序质量报验单工程名称:xxxxx房编号:A3.35—矚慫润厲钐瘗睞枥庑赖。致:xxx监理咨询有限公司(监理单位)兹报验:□1地基与基础□...
阀门工程师聘用合同范例1/6阀门工程师聘用合同范例聘用单位:江苏xz有限公司(以下简称甲方)受聘人:xxx(以下简称乙方)甲乙双方根据国家和本市...
全厂阀门大修检修方案内部资料第1页/共15页注意保存全厂阀门大修检修方案编制:审核:公司审批:业主审批:*****公司2013年2月27日全厂阀门...

