基层党建工作标准流程图1、基层党组织组建流程图基层党建工作标准流程图—1—提出方案,报上级党委审批召开党员大会酝酿方案。向上级党委呈...
工作流程一、会计核算工作流程图(各类账表以手工账为例,财务软件自动生成)1.取得并审核原始凭证在日常费用管理中,对报销人员或报销部门...
比史上最全还全!近40种废水处理技术工艺流程图解小7:亲爱的各位读者朋友们,为了提升阅读体验,我们接下来会将所有文章首发到化工707网,...
预约挂号流程图挂号/\电话预约挂号现场挂号↓门诊大厅挂号处取预约号、交费↓各科门诊就诊(开具各种检查单)↓付费↓完成检查↓开药↓付费...
工程项目管理流程1.工程项目立项机会研究审批2.工程项目立项可行性研究审批3.工程方案设计审批4.施工图设计审批5.招标控制价会审流程6.招标...
施工工艺流程图封锚、成品检查及验收试件制作及养护预应力管道压浆水泥浆配置、试验门吊轨道基础施工移梁门吊拼装及试吊砼强度检验梁体预应...
发展党员流程图阶段环节主要内容档案资料第一阶段入党积极分子培养(1年以上)1.宣传发动1.党组织向群众作宣传引导2.接受先进分子申请3.一个...
学校建设项目管理流程图建设项目的工作流程如下:建设项目划分为项目立项、工程设计与概预算、工程招标、工程建设与竣工决算五个主要环节,...
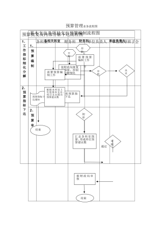
预算管理业务流程图预算批复及内部分解下达流程图1、工作指标细化分解各科室财务科单位负责人单位领导班子会2、预算指标下达基本支出及项目...
预算业务管理流程图按照要求组织各业务部门提出年度预算计划收集、汇总预算计划,填报《部门预算报表及编制说明》报主要领导审议向财政局报...
关于员工培训学习费用报销的管理规定1.总则1.1为规范员工的培训管理,激励员工更好地学习技能、服务企业,现结合本公司实际情况,制定本规...
第十部分世博园区场馆工程项目管理工作流程目录:1、工程项目管理总流程2、建设工程政府部门审批流程3、招标工作程序4、监理工作程序5、质...
销售及回款流程图客户交定金签《定购协议》首付款交清当日提供查房资料,3个工作日出查房结果,根据查房结果3个工作日出《商品房买卖合同》...
www.edrawsoft.cn国产精品办公作图软件几款常用流程图绘制软件对比介绍导读:在我们的日常生活工作中,会需要经常用到流程图,尤其是对于复...
单击此处输入标题123您的小标题您的内容打在这里,或通过复制您的文本后在此框中选择粘贴您的小标题您的内容打在这里,或通过复制您的文本...
流程图1:年度人员预算流程每年11月30日之前综合中心总裁/主管副总裁制订下一年度工作计划提交综合分析报告审核不通过通过汇总工作计划和人...
装修工艺流程图,首次家装必看房子装修流程1.前期设计--2.主体拆改--3.水电改造--4.木工--5.贴砖--6.刷墙面漆--7.厨卫吊顶--8.橱柜安装--9....
流程叙述负责人记录/参考进料:收到仓库的送检通知单,准备验收;查看产品的检验报告:要求供应商提供产品检验报告;判定:检查产品检验报...
一、如果是作为原告第一步是立案,确定好管辖的法院,准备好立案的材料。1、材料如下:1)、起诉书,具体内容参考网上的模板,原被告的姓名...
12025年2月19日星期三企业管理流程图绘制的方法及技巧–流程图绘制目标及基本知识讲解–流程图的绘制–流程图交付要求22025年2月19日星期三...

