基础冶金学与波峰焊接趋势本文介绍,为了使波峰焊接在电子工业中完全被接受,冶金学者、工业与主管机构必须一起工作,进行广泛的研究。自从...
1.编制依据:1.1江门江盈化工有限公司(甲方)提供包含罐体基本尺寸的图纸。1.2SH3046-92《石油化工立式圆筒形钢制焊接储罐设计规范》1.3GB...
塑料管道安装焊接施工规范前言防腐塑料管材分为玻纤增强聚丙烯(FRPP)、工程级聚丙烯(PP)、高密度聚乙烯(HDPE)三大系列。防腐塑料管件...
常用焊接方法手册一、什么是钎焊?钎焊是如何分类的?钎焊的接头形式有何特点?钎焊是利用熔点比母材低的金属作为钎料,加热后,钎料熔化,...
回流焊接工艺的经典PCB温度曲线本文介绍对于回流焊接工艺的经典的PCB温度曲线作图方法,分析了两种最常见的回流焊接温度曲线类型:保温型和...
阿克苏华锦大化肥节能技改项目焊接施工技术方案组织编制:审核:批准:中国化学工程第七建设有限公司年月日一、概述1、一个工程的总体施工...
回流焊接工艺的经典PCB温度曲线本文介绍对于回流焊接工艺的经典的PCB温度曲线作图方法,分析了两种最常见的回流焊接温度曲线类型:保温型和...
第一部分常用电子元器件及安装焊接基础知识1.1电子元器件所有电路系统都是由电子元器件为主组成的,了解电子元器件的一些基本知识是非常必...
实现BGA的良好焊接2004-8-615:35:34华强电子世界网(华强电子世界网讯)随着电子技术的发展,电子元件朝着小型化和高密集成化的方向发展。B...
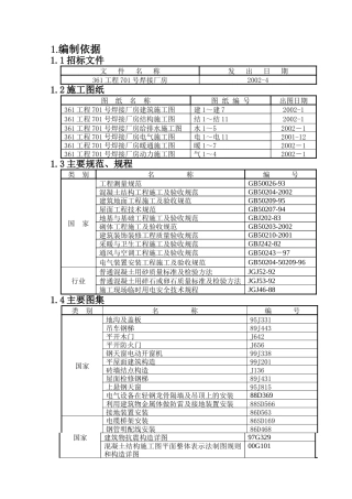
1.编制依据1.1招标文件文件名称发出日期361工程701号焊接厂房2002-41.2施工图纸图纸名称图纸编号出图日期361工程701号焊接厂房建筑施工图建...
第1页共13页编号:时间:2021年x月x日书山有路勤为径,学海无涯苦作舟页码:第1页共13页化镍浸金焊接黑垫之探究与改善一、化鎳浸金流行的原...
基础冶金学与波峰焊接趋势本文介绍,为了使波峰焊接在电子工业中完全被接受,冶金学者、工业与主管机构必须一起工作,进行广泛的研究。自从...
基础冶金学与波峰焊接趋势本文介绍,为了使波峰焊接在电子工业中完全被接受,冶金学者、工业与主管机构必须一起工作,进行广泛的研究。自从...
大型煤气柜地板焊接变形的控制摘要:本文主要阐述了煤气柜底板焊接变形的原因,通过分析,采用合理的装焊顺序,并且用反变形法、分段逆向跳...
回流焊接工艺的经典PCB温度曲线本文介绍对于回流焊接工艺的经典的PCB温度曲线作图方法,分析了两种最常见的回流焊接温度曲线类型:保温型和...
钣金工艺流程表料号工艺流程使用设备品质重点a1下料数冲NC跟据程式X1下料,紫铜T=2.5拉丝拉丝机拉丝纹路一致,无划碰烧伤及腐蚀污染折弯折床...
国际焊接工程师考试真题附答案—工艺部分本人资源全部免费
山西大学电子工艺实习报告题目:收音机的组装与调试学号姓名专业班级指导教师实践日期目录一、实习目的与要求...............................
第1页共6页编号:时间:2021年x月x日书山有路勤为径,学海无涯苦作舟页码:第1页共6页关于焊接方法中无铅锡问题与对策随着产品小型化,高密...
焊接技術知識印刷模板設計及制造技術隨著SMT免清冼焊接技術的發展及環境保護意識的日益增強.免清冼技術及材料得到了日益廣泛的應用.在電子...

