输变电工程勘察设计合同输变电工程勘察设计合同合同编号(甲方):合同编号(乙方):123工程名称1:委托方(甲方):受托方(乙方):签订...
建设项目基本情况工程名称西安兴隆110KV输变电工程建设单位西安供电局法人代表罗检仔联系人帅蓉通讯地址陕西省西安市环城东路159号联系电话...
110kv输变电工程三级以上安全风险识别和措施2110KV输变电工程三级及以上固有安全风险识别和预控措施汇总山西跃通电力工程有限公司二O一二年...
目录第一章工程概况............................................................21.1工程概况...........................................
目录施工组织设计..................................................................................................-1-1.施工设计......
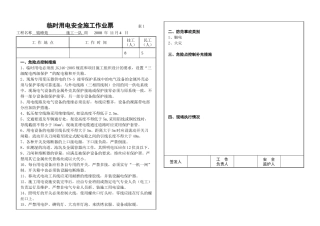
临时用电安全施工作业票表1工程名称锦峰苑施工一队组2008年11月4日工作地点工作时间技工(人)民工(人)85一、危险点控制措施1、临时用电...
冀北电力有限公司输变电工程质量管理专业评价细则(征求意见稿)第一章总则第一条为深入贯彻落实国家电网公司质量各类管理办法和规定,进一...
潼南塘坝110kV输变电工程铁塔组立方案CEPCC/YBFA-NO.3-XL-TNTB潼南塘坝110kV输变电工程铁塔组立施工方案重庆电力建设总公司潼南塘坝110kV输...
丰镇巨宝庄110kV输变电工程选址研究报告内蒙古旭豪项目管理有限公司二〇一六年二月丰镇巨宝庄110kV输变电工程选址研究报告总负责人:王文杰...
输变配电工程项目安全管理制度13.1配备规定。现场工作人员必须配备安全帽、工作服。从事高处作业的工作人员必须配备安全带。从事特种作业人...
第1页共28页编号:时间:2021年x月x日书山有路勤为径,学海无涯苦作舟页码:第1页共28页广东省广电集团输变电工程架空导地线压接工岗位培训...
输变配电工程项目安全管理制度特别说明。《输变配工程项目安全管理制度》是输变配工程项目施工安全管理的工作标准和管理规范,也是对工程项...
输变配电工程项目安全管理制度(三)安全自锁器(含配套缆绳)。施工人员垂直攀登杆塔时使用的全过程安全防护设施。(四)速差自控器。杆塔...
国家电网公司输变电工程安全文明施工标准化管理办法第一章总则第一条为规范国家电网公司(以下简称“公司”)输变电工程现场安全文明施工管...
输变配电工程项目安全管理制度15.2施工现场临时用电必须有可靠的接地,必须安装漏电保护器。使用电热器具必须人走断电。15.3经常检查施工、...
输变电工程安全管理制度1、适用范围和目的1.1适用于所有输变电工程。1.2制定本制度的目的:规范工程建设期间安全管理行为,更好地贯彻、...
输变配电工程项目安全管理制度特别说明。《输变配工程项目安全管理制度》是输变配工程项目施工安全管理的工作标准和管理规范,也是对工程项...
输变配电工程项目安全管理制度8.6易爆物品的使用规定。施工队的人员从事爆破工作的,必须持有公安机关发给的《爆破作业证》方可工作。爆破...
输变电工程安全施工作业票工程名称:于潮110kV变电站电源线工程队/班组年月日工作地点工作时间技工(人)辅助工(人)一、危险点控制措施1...
浅谈输变电工程的施工质量管理“百年大计,质量第一”,质量是企业生存之本。输变电工程是联系发电和用电的载体,包括变电站工程和输电线路...

