汽车APQP开发流程
重庆普越汽车零部件有限公司 文件编号 PY/QP701 标题 产品质量先期策划控制程序 版本/更改号 A /0 页码 第1页 共9页 1.目的 ...
APQP 项目资料清单项目名称:项目编号:项目组长:序号项目文献或记录主导部门负责人计划完毕日期备注0概念提出/同意:项目开始阶段市场调...
产品质量先期筹划Advanced Product Quality Planning产品质量先期筹划的根本原那么产品质量筹划是一种结构化的方法,用来确定和制定确保...
精品文档---下载后可任意编辑XXX 有 限 公 司产 品 和 过 程 特 殊 特 性精品文档---下载后可任意编辑产品名称顾客名称规格/型...
工作阶段序号主导部门责任人计划完成日期重要性 备注0营销★营销▲营销○0.2营销★营销☆营销/总经理★项目经理★项目经理▲项目经理▲11....
第 1 页,共 7 页1 2 3 4 5 6 7 8 9 101112131415161718192021222324252627282930A-1 第一阶段—里程碑计划91.1 APQP 项目...
阶段 工作事项全新产品改型产品借用产品P0项目前期工作 P0-1顾客报价邀请◎◎■P0-2市场调研◎◎■P0-3确定顾客输入◎◎■P0-4初始文件输...
阶段工作事项全新产品改型产品借用产品输出资料版本号编制人员责任部门备注P1项目准备 P1-1市场调研◎◎■P1-1 《市场调研报告》市场经理...
阶段工作事项输出资料编制人员责任部门P1项目准备P1-4可行性及风险评估P1-4A 客户要求评审表P1-4B 《技术开发可行性及风险评估表》P1-4C...
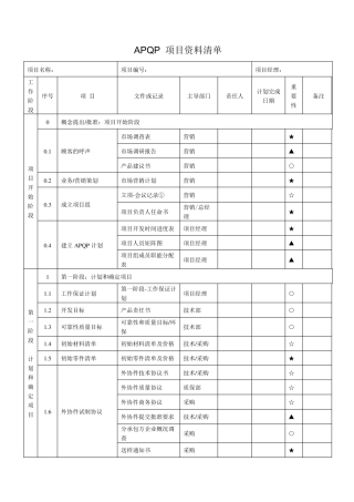
APQP 项目资料清单 项目名称: 项目编号: 项目经理: 工作阶段 序号 项 目 文件或记录 主导部门 责任人 计划完成日期 重要性...
评价主导1STARSTARSTARPERPERSTARSTARSTAR图纸内容是否包含几何尺寸、公差、正确的数据、正确的标识、关键特性、技术要求等。供方应有一份...
NO分零件图纸绘制,转换文件编制及生产准备包装,物流工艺检测验收包装方案样品制造大众认可等待生产NOP-FLOWP-FMEAPCPO-SWIC-SWI材料试验大...
APQP资料
APQP表单新产品质量策划进度计划(APQP)[下载
APQP表单及说明
一、基本概念 1、什么是 APQP (1)QP 是为了开发新产品/更改产品做准备的活动。 (2)APQP 是一种结构化的策划方法。 a)策划过程包...
APQP程序文件
文件编号文件版次 适用于本公司所开发的新产品或产品变更的先期策划。3.4其他各部门负责完成产品质量先期策划的相应职能的工作任务。过程...
透过小组活动和学员亲自参与、案例分析来了解先期产品质量策划 (APQP)、控制计划 (Control Plans)。学员除了获得对 APQP、Control Pla...

