ME09低压空气断路器
MDS系列智能永磁真空断路器北京龙源开关设备手册
MasterpactMW低压空气断路器产品目录778LV
MasterpactMT空气断路器维护指南
MasterpactMT低压空气断路器和负荷开关产品目录
LW3672.5六氟化硫断路器说明书
Q/GZDW 贵州电网公司企业标准 Q/GZDW ××××-2009 LW8-35 型断路器 检修作业指导书范本 2009-**-**发布 2009-**-**实施 贵州电...
LW8-35 六氟化硫断路器检修规范 检 修 工 区 1 1 适用范围 1.1 本规范规定了LW8-35 型六氟化硫断路器检修周期、标准项目、检...
LW36-40.5(W)/T2500-31.5 型户外高压交流六氟化硫断路器 安装使用说明书 0SR.412.001.3 江苏省如高高压电器有限公司 2013 年 09 ...
0DH.412.001 LW 36-126A/T3150-40 高压六氟化硫交流断路器 编制 标准化 校核 版次审定 会签 安装使用说明书 批准 共2 5 页 ...
LW35A126型自能式六氟化硫断路器
LW13-550/Y4000-63 高压六氟化硫断路器 (配 用 C Y A 4-Ⅰ型 液 压 碟 簧 操 动 机 构 ) 西 安 西 开 高 压 电 ...
精品文档。1欢迎下载框架式断路器操作机构剖析倪文元操作机构是框架式断路器的关键部件,断路器的储能、闭合、断开由操作机构承担;操作机...
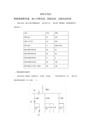
XXX水电站断路器遮断容量、最大开断电流、热稳电流、动稳电流校验XXX水电站 X#主变高压侧断路器为XX高压开关厂ZF6-220 型断路器,该断路...
断路器分合闸线圈故障分析报告本文从原理上分析了弹簧操作机构断路器分合闸线圈发生故障的因素,并通过柳州供电局 1 月至 7 月的断路器...
下载后可任意编辑自限温电伴热施工断路器的选择 1 引 言 随着民用建筑工程的进展,对电伴热产品的需求也日益增加,例如室外给水、消防...
2014rmw2智能型万能式断路器
高压真11111M 川川口itIvumiMiiB uriiimijiiilL jitw-一文档编制序号:[KKIDT-LLE0828-LLETD298-POI08]团结•奉献拼搏・高压真空断路器...
第一节高压断路器的选择与校验一.110kV 断路器的选择⑴ 额定电压:Ue=110kV⑵ 额定电流:Ie>本变电站最大长期工作电流 Igmax(考虑变压...
XX968T-XX89628-XJ668-XT689N]高压断路器的操作回路 原理高压断路器的操作回路原理分析1.高压断路器的操作回路高压断路器简介高压断路器又...

