滚动轴承应用技术4
第二组实验 轴承故障数据: Test2.mat 数据打开后应采用X105_DE_time 作为分析数据,其他可作为参考,转速1797rpm 轴承型号:6205-2RS...
滚动轴承寿命的计算
滚动轴承常见的失效形式 滚动轴承在使用过程中,由于很多原因造成其性能指标达不到使用要求时就产生了失效或损坏.常见的失效形式有疲劳剥落...
-1 - 滚 动 轴 承 套 圈 磨 加 工 工 序 间 技 术 条 件 引 言 本 技 术 条 件 是 根 据 我 公 司 滚 动...
滚动轴承和齿轮振动信号分析与故障诊断方法
WeightdDTBCRrKg30202153511.7511.010.00.60.60.05330203174013.2512.011.01.01.00.07430204204715.2514.012.01.01.00.1230205255216.2515....
标准编号JB/T 5301-1991JB/T 5302-2002JB/T 5302-1991JB/T 5303-2002JB/T 5303-1991JB/T 5304-1991JB/T 5305-1991JB/T 5306-1991JB...
小强出品 XXXX 热电分公司企业标准 XXXX- ZCYS-2013 滚动轴承入库验收标准 2013-5-30 发布 2013-5-30 实施 X X X X 热电分公...
计算题(本题10分) 一轴上有一对30204圆锥滚子轴承,轴承受载荷Fre=5400N,Fae=2700N, n=1250r/min ,运转时有轻微冲击fP=1.1,试计算...
第 1 页 共 7 页 轴承的代号说明 一般轴承由前置代号(轴承分部件代号)+基本代号(自右向左一二位代表内径,三四位分别代表直径系...
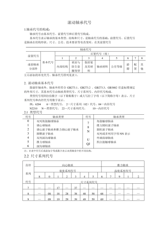
滚动轴承代号 1.轴承代号的构成: 轴承代号由基本代号、前置代号和后置代号构成。 基本代号表示轴承的基本类型、结构和尺寸,是轴承代号...
滚动轴承与轴和外壳孔的配合及选用 3 滚动轴承内、外径公差带特点 1、滚动轴承外圈和外壳孔的配合,采用基轴制;内圈与轴颈的配合采用基...
浅谈滚动轴承的润滑 滚动轴承既有滚动摩擦也有滑动摩擦。滑动摩擦是由于滚动轴承在表面曲线上的偏差和负载下轴承变形造成的。随着速度和负...
滚动轴承脂润滑方式1、特点。优点:⑴润滑装置简单。如果使用密封轴承或者不需要补充脂的非密封轴承,则不需要任何附加的润滑装置。相比之...
常 用 滚 动 轴 承 的 主 要 尺 寸 和 性 能 参 数 编 辑 : 老 兵 帅 克 2009.08.28 轴承代号 基本尺寸/mm 安...
1 附录二 外文原文和翻译 shafts、couplings and rolling contact bearings key words: shafts、couplings、bearings Virtually...
1 主题内容与适用范围 本标准规定了外形尺寸符合GB 273.3《滚动轴承 向心轴承 外形尺寸》的深沟球轴承、外圈有止动槽的深沟球轴承、带...
型号滚子数保持架滚子或滚柱外环内环备注111190.4022.4613.6215.379N206120.4192.9885.0236.977N207120.4152.864.9817.019N209140.4233.175...
滚动轴承一、选择题11-1.滚动轴承代号由前置代号、基本代号和后置代号组成.其中基本代号表示A.轴承的类型、结构和尺寸B.轴承组件C.轴承内...

