吴江市印染企业循环经济试验区环境影响报告书i 目录1总论 .............................................................................
. . . 4 万吨 / 年废润滑油再生循环利用项目可行性研究报告**********可再生资源回收有限公司2017 年 7 月. . . 目录第一章总...
锅炉冷态空气动力场试验:3.5.1冷态试验的目的3.5.1.1鉴定风机风量、风压是否满足锅炉设计运行要求。3.5.1.2检查风烟系统、燃烧系统的严密...
八年级物理:2.5《水循环》ppt优质课件水 循 环冯玉玉张家滩中学云云见课本 P50(液态或固态)雪(固态) 雨(液态)见课本 P50...
第五节 水循环 奔腾的江河湖泊,皑皑的冰山雪岭,浩瀚的海洋,飘荡的白云……地球上的水在不停的运动着,变化着,形成一个巨大的循环系统...
第七章 锅炉水第七章 锅炉水循环及蒸汽净化循环及蒸汽净化第七章 锅炉水第七章 锅炉水循环及蒸汽净化循环及蒸汽净化• 水循环:在锅炉...
燃气 - 蒸汽联合循环 燃气 - 蒸汽联合循环机组燃气 - 蒸汽联合循环 目 录1/ 联合循环基本概念2/ 联合循环机组轴系和布置3/ 东...
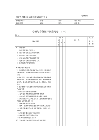
第一节 生产与存货循环及其审计目标第二节 生产与存货循环的内部控制测试 第三节 生产与存货循环的实质性程序 第九章 生产与存货循环...
四 生态系统的物质循环四 生态系统的物质循环 生态系统的物质循环也是顺着生态系统的生态系统的物质循环也是顺着生态系统的营养结构即食...
—— 王德勇二〇一三年三月 旋挖钻机是二战以后意大利人发明的,因使用中的高效率和可靠的质量,而为业主和建筑公司带来丰厚的利润,后...
发展生态循环农业的调研报告 生态循环农业是可持续发展思想的体现,具有资源投入少、生产效率高、环境污染少、系统功能强等优势。发展生态...
第一章 算法初步1.2.3 循环语句循环结构两种循环结构有什么差别?AP成立不成立While (当型)循环 成立AP不成立Until (直到型)循环...
启东市南苑中学 杨金花教学内容苏科版八年级初中生物 第十七章生态系统的稳定第一节绿色植物与生物圈中的水循环一、植物的蒸腾作用课 型...
1.2.31.2.3 循环语句循环语句INPUT “ 提示内容”;变量PRINT “ 提示内容”;表达式变量=表达式三 . 赋值语句二 . 输出语句 一...
高一数学教案 循环语句教学目标:理解、掌握循环语句,能运用循环语句表达解决具体问题的过程。教学重点:循环语句的表示方法、结构和用法...
血液循环复习血液循环复习本节目标 :一 : 掌握血液的成分及功能 .二 : 理解血型鉴定的原理 .三 : 能区别三种血管 .四 : 理解心...
1.2.3 循环语句1.2.3 循环语句课堂互动讲练知能优化训练课前自主学案学习目标1. 经历将具体问题的程序框图转化为程序语句的过程,理解循...
第二单元第三节 水圈和水循环第 1 课时 水循环及意义 禄劝县第一中学 董庆祝地球?水球 !三分陆地,七分海洋一、水圈的组成 水圈...
例1用描点法作函数 y=x3+3x2-24x+30 的图象是时,需要求出自变量和函数的一组对应值。编写程序,分别计算当 x=-5,-4,-3,-2,-1,0,1,2,3,...
工业循环冷却水处理讲义讲 课 提 纲一、循环水化学处理的意义1、化学处理的目的2、不处理或处理不善所带来的危害3、经济比较二、结垢、...

