1.编制说明...........................................................................................................................
目录一工程概况.......................................................................................................................
钢筋工程施工方案编制单位:编制人:审核人:审批人:日期:目录第一章编制依据...........................................................
目录1.编制依据............................................11.1.施工图纸.........................................11.2.合同、法规、...
筏板基础钢筋工程专项施工方案项目名称:****建设单位:****设计单位:****监理单位:****施工单位:****二○一六年三月十日筏板基础钢筋工...
1、编制依据1.1****工程施工组织设计1.2工程设计图纸序号图纸名称图纸编号出图日期122、钢筋工程概况序号项目内容1钢筋类别热轧钢筋≤一级...
目录一、编制依据................................................................................................................1...
钢筋制作与安装施工方案1工程概况荆岳长江公路大桥第二合同段为跨江滩桥部分,起点桩号K1+745.00,终点桩号K2+715,全长970.0m。采用100m+5...
新乡市工人文化宫(文化艺术中心)工程大剧院部分钢筋工程专项施工方案编制:审核:审批:中国建筑第七工程局有限公司新乡市工人文化宫工程项...
XXXXXXXX-办公A座地上钢筋工程施工方案编制:审核:XXXXXXXX天津分公司第九项目部2015年8月27日XXXXXXXX—办公A座地上工程钢筋施工方案目录...
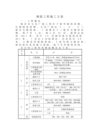
钢筋工程施工方案一、工程概况临沂市文化广场工程位于新华路的西侧,红旗路的南侧。文化广场由C、D、E三栋住宅楼构成。C座楼位于三栋住宅楼...
泸州市二道溪污水截流管工程Ⅰ标段钢筋工程施工方案编制单位(章):四川省泸州龙城建筑工程有限公司审核:编制日期:2009年10月26日目录1...
XXXXXXXXX-办公A座地下钢筋工程施工方案编制:审核:XXXXXXXXX天津分公司第九项目部2015年4月2日XXXXXX—办公A座地上钢筋工程施工方案目录1...
一、编制依据1《混凝土结构工程施工及验收规范》GB50204-20022《钢筋焊接验收规程》JGJ18-20033《钢筋机械连接通用技术规程》JGJ107-20034...
广西保利置业集团有限公司爱琴海项目四标段工程钢筋焊接与连接施工方案广西建工集团第二安装建设工程有限公司保利·爱琴海四标项目部二O一...
第0页众科建设集团【2#地下室及上部结构钢筋施工方案】一、编制依据1.1施工图左岭新镇四期还建社区D块2#地下窒设计施工图纸1.2主要图集表1-...
第1页共20页编号:时间:2021年x月x日书山有路勤为径,学海无涯苦作舟页码:第1页共20页河运高速公路建设项目“首件产品”审批卡合同段山西...
大潮高速公路TJ7标项目驻地、拌合站、钢筋加工场及小型构件预制场建设方案编制:复核:审核:山东省公路建设(集团)有限公司大潮高速公路T...
研发楼(北京黄石科技研发中心)钢筋施工方案审批人:审核人:编制人:1目录第一节编制依据................................................
第1页共77页编号:时间:2021年x月x日书山有路勤为径,学海无涯苦作舟页码:第1页共77页预制构件钢筋隐蔽工程验收记录工程名称:芜湖电厂五...

