第一节钢筋工程本工程钢筋均在现场加工制作。一、钢筋的质量要求本工程所使用的钢筋均为现场加工、安装,对每一种型号的钢筋进入现场后,必...
钢筋工程1 工艺流程1.1 钢筋进场检验1.2 柱筋绑扎1.3 楼梯钢筋绑扎1.4 梁板筋绑扎1.5 墙体钢筋绑扎2 施工准备2.1 材料准备钢筋原材...
钢筋工程施工方案1、混凝土保护层:(1)除施工图中特别注明者外,本工程钢筋混凝土构件纵向受力.钢筋的最小混磐土保护层厚度,当硅握度等级...
钢筋工程施工方案钢筋工程施工方案一、工程概况1.1 工程建设概况1.2 钢筋工程概况1.2.1 设计工程概况1、本工程使用钢筋为 A、C 类。A...
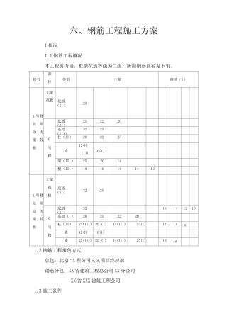
六、钢筋工程施工方案1 概况1.1 钢筋工程概况本工程剪力墙、框架抗震等级为二级,所用钢筋直径见下表。楼号部位类型主筋箍筋(1)X 号楼...
1. 编制依据 21.1 施工图纸 21.2 法律规范和规程 22. 工程概况 22.1 总体工程概况 22.2 钢筋工程概况 33. 施工安排 43.1 钢...
钢筋施工方案工程名称:金科观天下 B 区一期 1#楼、4#楼、6#楼、8#楼、9#楼及地下室编制单位:重庆华硕建设有限公司编制人:王怀平审批人...
一、编制依据1.施工图纸2.主要法律规范、规程序号法律规范、规程名称法律规范、规程编号1混凝土结构工程施工质量验收法律规范GB50204-20252...
钢筋工程1、钢筋原材料控制1.1 原材料供应为了保证本工程钢筋材料的质量,供应厂家选择长期合作、社会信誉好的供应商。1.2 钢筋原材质量...
钢筋工程(一)钢筋的检验与存放1、钢筋进场应有出厂证明书或试验报告单,并需分批作机械性能试验。如使用中发现钢筋脆断、焊接性能不良和...
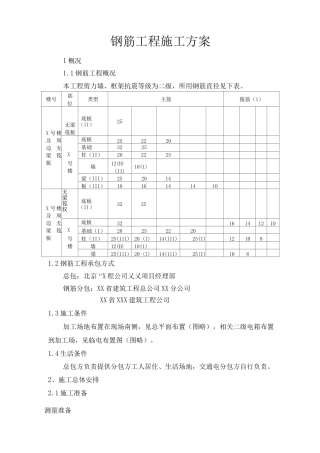
钢筋工程施工方案1 概况1.1 钢筋工程概况本工程剪力墙、框架抗震等级为二级,所用钢筋直径见下表。楼号部位类型主筋箍筋(1)X 号楼及周...
XXX 小区西区 50#楼钢筋工程施工方案编制人:审核人:批准人:XXX 市 XXX 建筑安装工程有限公司第二项目部二四年 月 日XXX 小区西...
第一章编制依据 2第二章钢筋分项工程概况 2第三章钢筋进场 2第四章钢筋加工 3第五章钢筋的连接形式 4第六章钢筋绑扎 4第七章钢筋焊接...
2.2 钢筋工程概况2. 2. 1 基础钢筋本工程采纳独立基础,基础承台高度在 3 ~ 6mm,具体配筋见下表:表 2-2底板部位底板钢筋规格12^150...
钢筋工程施工方案1. 编制依据序号依据1《建筑工程施工质量验收统一标准》GB 503-20252《混凝土结构工程施工质量验收法律规范》GB50204-20...
钢 筋 工 程 施 工 方 案1、概况1 、1 钢筋工程概况本工程为许昌阳光花墅居住小区26#楼剪力墙、框架抗震等级为二级。1 、2钢...
经开未来城一标段钢筋工程施工方案编制人:审核人:批准人:众科建设集团有限公司2025 年 5 月 21 日一、编制依据二、工程概况三、施...
地下钢筋施工方案1。编制说明 31 .1 。编制目的、适用范围 31 .2 。编制依据 31 。 2 。 1. 施工图纸 31 .2.2 。主要法律规...
XXXXXX钢筋工程施工方案 编制人: 审核人: 批准人: 编制单位:河北建设集团有限公司 编制日期:2025 年 6 月 5 日目 录一、编...
钢筋工程一、施工准备1、现场准备1.1、钢筋工程施工前必须做好技术交底和钢筋翻样工作。1.2、钢筋为甲方指定品牌,进场必须随车携带材质报...

